Jauch晶振公司嚴格遵守國家有關工程建設法律、法規,不斷提高員工的質量意識和能力,履行合約、信守承諾,堅持開拓創新,不斷提升企業的施工技術素質和質量管理水平,以科學學嚴密的施工管理和真誠的服務讓業主高度滿意。嚴格遵守國家職業安全健康法律、法規,培養員工的安全意識和能力,持續改進職業安全健康管理績效,預先采取安全措施,消除或降低危險,優先選用安全系數高的材料、設備及工藝,提高事故預防水平,創造良好的工作環境,保障員工的身心健康。
JAUCH晶振公司遵守所有適用的有關環境、健康和安全的法律和法規以及公司自己的有關環境、工業衛生和安全的方針和承諾。與我們的員工一起開創并保持一個免于事故的晶振工作場所。重視污染預防,消除偏離程序的行為強調通過員工努力這一最可行的方法持續改進我們經營活動的環境績效。將持續的環境、健康和安全方面的改進、污染預防和員工的努力納入日常運行當中。加強污染防治,減少現有的污染廢棄物以及在未來生產制造中所產生的污染。
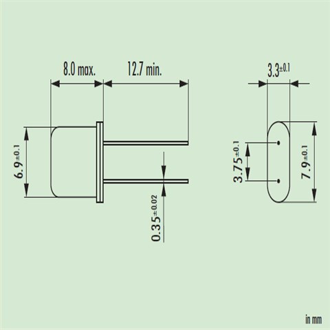
Jauch晶振,石英晶振,MQ1(UM-1)晶振,49U晶振,插件石英晶振最適合用于比較低端的電子產品,比如兒童玩具,普通家用電器,即使在汽車電子領域中也能使產品高可靠性的使用.并且可用于安全控制裝置的CPU時鐘信號發生源部分,好比時鐘單片機上的石英晶振,在極端嚴酷的環境條件下,晶振也能正常工作,具有穩定的起振特性,高耐熱性,耐熱循環性和耐振性等的高可靠性能,由于在49/U氣特性和高可靠性無受損的表面貼片型晶體諧振器使用,滿足無鉛焊接的回流溫度曲線要求.形晶體諧振器的底部裝了樹脂底座,就可作為產品電
超小型、超低頻石英晶振晶片的邊緣處理技術:是超小型、超低頻石英晶振晶體元器件研發及生產必須解決的技術問題,為壓電石英晶體行業的技術難題之一。具體解決的辦法是使用高速倒邊方式,通過結合以往低速滾筒倒邊去除晶振晶片的邊緣效應,在實際操作中機器運動方式設計、滾筒的曲率半徑、滾筒的長短、使用的研磨砂的型號、多少、填充物種類及多少等各項設計必須合理,有一項不完善都會使石英晶振晶片的邊緣效應不能去除,而石英晶振晶片的諧振電阻過大,用在電路中Q值過小,從而電路不能振動或振動不穩定。
Jauch晶振 |
單位 |
MQ1(UM-1)晶振 |
石英晶振基本條件 |
標準頻率 |
f_nom |
0.9216~250MHZ |
標準頻率 |
儲存溫度 |
T_stg |
-55°C~+125°C |
裸存 |
激勵功率 |
DL |
500μW Max. |
推薦:500μW |
頻率公差 |
f_— l |
±5,±30× 10-6(標準) |
+25°C對于超出標準的規格說明, |
頻率溫度特征 |
f_tem |
±10±15,±20,±30× 10-6/-20°C~+70°C |
超出標準的規格請聯系我們. |
負載電容 |
CL |
8~32pF |
不同負載要求,請聯系我們. |
串聯電阻(ESR) |
R1 |
如下表所示 |
-40°C — +85°C,DL = 100μW |
頻率老化 |
f_age |
±3× 10-6/ year Max. |
+25°C,第一年 |

這些晶振知識介紹是指,插件晶振在產品上線之后發生不良品或者沒反應的情況下,自檢辦法。石英晶振如果在電路上的功能不規則或根本無法全部晶振找出得到了應用操作,請使用以下的清單找出可能存在的問題。請按照確定的因素和可能的解決方案的說明。我們從晶振使用輸出無信號開始尋找相關問題。Jauch晶振,石英晶振,MQ1(UM-1)晶振,49U晶振
我們可以先使用示波器或者頻率計數器來檢查DIP石英晶體終端的兩個信號,如果沒有信號輸出,請按照步驟1-1到1-4步執行檢查。如果有從石英晶振(XOUT)的輸出端子的輸出信號,而是從在終端(辛)輸出沒有信號,請檢查石英晶振體以下step1-5到步驟1-6。
你可以先把晶體卸載下來并測試晶振的頻率和負載電容,看看他們是否能振動,也可以使用專業的石英晶體測試儀器來檢測 。如果你沒法檢測你也可以將不良品發送給我公司,我們檢測分析之后告訴你結果。如果有下列情況發生,49U型晶振不起振,首先你先查看你產品上使用的負載電容CL是否對,是否跟你的線路相匹配,或者是晶振的精度是否符合你的要求,或者你可以把產品發送回我公司分析。如果晶振頻率和負載電容跟要求相對應的話,我們將需要進行等效電路測試。比如等效電路測試如下:
振蕩補償:除非在49U插件石英晶體振蕩電路中提供足夠的負極電阻,否則會增加振蕩啟動時間,或不發生振蕩。為避免該情況發生,請在電路設計時提供足夠的負極電阻。Jauch晶振,石英晶振,MQ1(UM-1)晶振,49U晶振
測試條件:(1)電源電壓:超過 150µs,直到電壓級別從 0 %達到 90 % 。電源電壓阻抗低于電阻 2Ω。(2)其他:輸入電容低于 15 pF5倍頻率范圍或更多測量頻率。鉛探頭應盡可能短。測量插件石英晶體頻率時,探頭阻抗將高于 1MΩ。當波形經過振蕩器的放大器時,可同時進行測量。(3)其他:CL包含探頭電容。應使用帶有小的內部阻抗的電表。使用微型插槽,以觀察波形。(請勿使用該探頭的長接地線).
振蕩頻率測量:必須盡可能地測量安裝在電路上的諧振器的振蕩頻率的真實值,使用直插式無源晶體正確的方法。在振蕩頻率的測量中,通常使用探頭和頻率計數器。然而,我們的目標是通過限制測量工具對振蕩電路本身的影響來測量。有三種頻率測量模式,如下面的圖所示(圖)。2, 3和4)。最精確的測量方法是通過使用任何能夠精確測量的頻譜分析儀來實現的。
接觸振蕩電路:探針不影響圖2,因為緩沖器的輸出是通過進口49U插件晶振輸入振蕩電路的輸出來測量的。逆變器進入下一階段。探針不影響圖3,因為在IC上測量緩沖器輸出(1/1、1/2等)。圖4示出了來自ic的無緩沖器輸出接收的情況,由此通過小尺寸測量來最小化探針的效果。輸出點之間的電容(3 pF以下XTAL終端IC)和探針。然而,應該注意到,使用這種方法輸出波形較小,測量不能依賴于即使示波器能檢查振蕩波形,頻率計數器的靈敏度也可以。在這種情況下,使用放大器來測量。