AEL在英國,日本,臺灣,南韓等地區使用精心挑選的生產基地網絡。韓國中國和美國使我們能夠為這類組件提供真正的全球采購。這降低了這種高需求產品類型供應中斷的風險。我們通過實施全面的英國庫存政策進一步提高可用性。我們AEL晶振有限公司已借此機會為您提供最新的信息供您參考。
我們與所有供應商建立了長期的合作關系,并擁有悠久的高品質和無故障供應歷史。我們的一些制造合作伙伴已經為AEL生產了超過10年的石英晶振產品。這使我們能夠自信地提供一個批次的可靠性,質量,一致性和可重復性的可靠記錄.AEL晶體有限公司是ISO 9002-2008認可的供應商,目前管理著廣泛的國際認可的藍籌客戶。
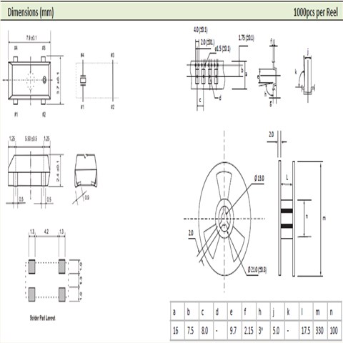
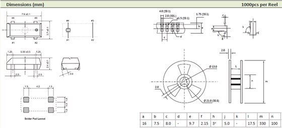
AEL晶振,貼片晶振,60609晶振,32.768K晶振,貼片表晶32.768K系列具有超小型,薄型,質地輕的表面貼片音叉型石英晶體諧振器,晶振產品本身具備優良的耐熱性,耐環境特性,在辦公自動化,家電領域,移動通信領域可發揮優良的電氣特性,符合無鉛標準,滿足無鉛焊接的回流溫度曲線要求,金屬外殼的石英晶振使得產品在封裝時能發揮比陶瓷晶振外殼更好的耐沖擊性能.
石英晶振在選用晶片時應注意溫度范圍、晶振溫度范圍內的頻差要求,貼片晶振溫度范圍寬時(-40℃-85℃)晶振切割角度比窄溫(-10℃-70℃)切割角度應略高。對于晶振的條片,長邊為 X 軸,短邊為 Z 軸,面為 Y 軸。對于圓片晶振,X、Z 軸較難區分,所以石英晶振對精度要求高的產品(如部分定單的 UM-1),會在 X 軸方向進行拉弦(切掉一小部分),以利于晶振的晶片有方向的裝架點膠,點膠點點在 Z 軸上。保證晶振產品的溫度特性。
|
AEL晶振 |
單位 |
60609晶振 |
石英晶振基本條件 |
|
標準頻率 |
f_nom |
32.768KHZ |
標準頻率 |
|
儲存溫度 |
T_stg |
-55°C~+125°C |
裸存 |
|
工作溫度 |
T_use |
-40°C~+85°C |
標準溫度 |
|
激勵功率 |
DL |
1.0μW Max. |
推薦:1.0μW |
|
頻率公差 |
f_— l |
±20× 10-6 |
+25°C對于超出標準的規格說明, |
|
頻率溫度特征 |
f_tem |
-0.034±0.006× 10-6/-30°C~+85°C |
超出標準的規格請聯系我們. |
|
負載電容 |
CL |
12.5PF |
不同負載電容要求,請聯系我們. |
|
串聯電阻(ESR) |
R1 |
如下表所示 |
-40°C~+85°C,DL = 100μW |
|
頻率老化 |
f_age |
±3× 10-6/year Max. |
+25°C,第一年 |
所有產品的共同點:1:抗沖擊:抗沖擊是指進口晶振產品可能會在某些條件下受到損壞。例如從桌上跌落,摔打,高空拋壓或在貼裝過程中受到沖擊。如果產品已受過沖擊請勿使用。因為無論何種石英晶振,其內部晶片都是石英晶振制作而成的,高空跌落摔打都會給晶振照成不良影響。 2:輻射:將貼片晶振暴露于輻射環境會導致產品性能受到損害,因此應避免陽光長時間的照射。 3:化學制劑 / pH值環境:請勿在PH值范圍可能導致腐蝕或溶解石英晶振或包裝材料的環境下使用或儲藏這些產品。AEL晶振,貼片晶振,60609晶振,32.768K晶振
4:粘合劑:請勿使用可能導致無源晶振所用的封裝材料,終端,組件,玻璃材料以及氣相沉積材料等受到腐蝕的膠粘劑。(比如,氯基膠粘劑可能腐蝕一個晶振的金屬“蓋”,從而破壞密封質量,降低性能。) 5:鹵化合物:請勿在鹵素氣體環境下使用晶振。即使少量的鹵素氣體,比如在空氣中的氯氣內或封裝所用金屬部件內,都可能產生腐蝕。同時,請勿使用任何會釋放出鹵素氣體的樹脂。6:靜電:過高的靜電可能會損壞貼片晶振,請注意抗靜電條件。請為容器和封裝材料選擇導電材料。在處理的時候,請使用電焊槍和無高電壓泄漏的測量電路,并進行接地操作。
晶振產品使用每種產品時,請在進口石英晶振規格說明或產品目錄規定使用條件下使用。因很多種晶振產品性能,以及材料有所不同,所以使用注意事項也有所不同,比如焊接模式,運輸模式,保存模式等等,都會有所差別。
測試條件:(1)電源電壓:超過 150µs,直到電壓級別從 0 %達到 90 % 。電源電壓阻抗低于電阻 2Ω。(2)其他:輸入電容低于 15 pF5倍頻率范圍或更多測量頻率。鉛探頭應盡可能短。測量8038mm無源晶振頻率時,探頭阻抗將高于 1MΩ。當波形經過振蕩器的放大器時,可同時進行測量。(3)其他:CL包含探頭電容。應使用帶有小的內部阻抗的電表。使用微型插槽,以觀察波形。(請勿使用該探頭的長接地線).AEL晶振,貼片晶振,60609晶振,32.768K晶振
1.振蕩電路:晶體諧振器是無源元件,因此受到陶瓷面晶振電源電壓、環境溫度、電路的影響。配置、電路常數和襯底布線模式等操作大致分為正常運行和異常運行。因此,在振蕩電路的設計中,先決條件之一是如何確定振蕩電路。晶體諧振器的振動安全穩定。只有在做出了這個決定之后,后續的項目,例如討論了頻率精度、頻率變化、調制度、振蕩起始時間和振蕩波形。
2.角色的分量與參考值:在8038陶瓷面石英晶體振蕩電路的設計中,必須認識到個體的作用。組件.在表1中,以例如振蕩電路為例來描述角色。(圖1)使用一個通用的C-MOS IC(74hcuo4ap東芝)。當反饋電阻(rf)未安裝在振蕩電路中時,如圖所示表1,即使在振蕩功率作用下,諧振器也不會啟動振蕩。電路。除非有適當值的電阻器連接,否則振蕩不會啟動.
此外,振蕩頻率與測量點不同。1。測量8038晶體諧振器緩沖輸出2。振蕩級輸出測量三.通過電容器測量振蕩級輸出圖5示出以上1-3個測量點和所測量的除緩沖器輸出外,振蕩頻率較低。



西鐵城晶振,進口晶振,CM250C晶體
微晶晶振,石英水晶振動子,CC1A-T1A晶振
Golledge晶振,8038晶振,CC1A晶振
愛普生晶振,貼片晶振,MA-505晶振,石英SMD晶體,MA-505 40.0000M-C0:ROHS
CTS晶振,石英晶振,TFPM晶振,時鐘晶體
GEYER晶振,貼片晶振,KX-327S晶振,石英進口晶振
ILSI晶振,貼片晶振,IL3M晶振,進口石英晶振