自1991年以來,AEL晶振有限公司已發展成為歐洲領先的頻率控制組件供應商之一。我們的成功基于扎實的工程知識基礎,同時也為我們的客戶提供高效的總體供應鏈管理服務。無論您身在何處,無論您是在英國設有研發機構還是在遠東地區生產,您都可以確信AEL將始終以具有全球競爭力的價格為您提供始終如一的質量和可靠的服務。
我們的無源晶振產品在機頂盒,安防產品,汽車產品和移動和地面通信等多種應用領域獲得了全球的普遍認可。我們每周運送數百萬單位到從墨西哥到中國的目的地。隨著頻率控制領域的許多新型創新產品的開發,我們能夠為今天的電子工程師提供在頻率產生領域更大程度的靈活性的自由。
AEL晶振,貼片晶振,60639晶振,進口晶振,貼片石英晶振最適合用于車載電子領域的小型表面貼片石英晶體諧振器.也可對應有高可靠性要求的引擎控制用CPU的時鐘部分簡稱為時鐘晶體振蕩器,在極端嚴酷的環境條件下也能發揮穩定的起振特性,產品本身具有耐熱,耐振,耐撞擊等優良的耐環境特性,滿足無鉛焊接的回流溫度曲線要求,符合AEC-Q200標準.
石英晶振真空退火技術:晶振高真空退火處理是消除貼片晶振在加工過程中產生的應力及輕微表面缺陷。在PLC控制程序中輸入已設計好的溫度曲線,使真空室溫度跟隨設定曲線對晶體組件進行退火,石英晶振通過合理的真空退火技術可提高晶振主要參數的穩定性,以及提高石英晶振的年老化特性。
|
AEL晶振 |
單位 |
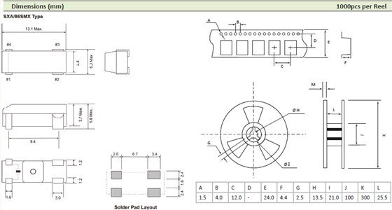
60639晶振 |
石英晶振基本條件 |
|
標準頻率 |
f_nom |
3.5~70MHZ |
標準頻率 |
|
儲存溫度 |
T_stg |
-55°C~+125°C |
裸存 |
|
工作溫度 |
T_use |
-40°C~+85°C |
標準溫度 |
|
激勵功率 |
DL |
100μW Max. |
推薦:100μW |
|
頻率公差 |
f_— l |
±50× 10-6 |
+25°C對于超出標準的規格說明, |
|
頻率溫度特征 |
f_tem |
±50× 10-6/-30°C~+85°C |
超出標準的規格請聯系我們. |
|
負載電容 |
CL |
30PF |
不同負載電容要求,請聯系我們. |
|
串聯電阻(ESR) |
R1 |
如下表所示 |
-40°C~+85°C,DL = 100μW |
|
頻率老化 |
f_age |
±5× 10-6/year Max. |
+25°C,第一年 |
我們可以改善的頻率輸出的偏差超過范圍由以下幾個方法:調整外部電容,Cd和CG的值。 如果由頻率計數器測量頻率比目標頻率高,要增加外部電容CL(或Cd以及C 8的值),以降低頻率到我們的目標頻率,反之亦然。可以采用不同負載電容(CL)的晶振試用。 試用石英貼片晶振具有較低電容若頻率比目標頻率超高很多的話。請檢查波形幅度是否是正常或不使用示波器,正確的電容是通過和頻率調節到目標之后。根據該波形振幅收縮,由于增加外部電容,請使用方法2調整頻率(較低的外部電容,并采用低電容的晶體)的情況。頻率輸出頻率的目標只有三分之一。下面的曲線表示晶體的電阻的特征:AEL晶振,貼片晶振,60639晶振,進口晶振
晶振具有多種振動模式,如基頻, 3次泛音,5次泛音等等。當基頻模式應用時,陶瓷面晶振的電阻是最低的,這意味著它是最簡單的石英晶體振蕩器。當第三色調模式被應用,一個放大電路必須被利用以降低基本模式的頻率反饋到所述延伸小于所述第三音調模式。因此,如果頻率是只有三分之一的目標頻率時,要檢查是否放大處理電路被施加或它的設定值就足夠了,因為電路的環境適合于基本模式,而不是第三次泛音調模式。該電路可能不振蕩,如果放大電路不施加或它的設定值是不足夠的。4-3。基頻模式與三次泛音模式應用程序如下:
一。的基頻模式B應用。三次泛音模式的應用程序下表顯示升的匹配值,C由各種頻率三次泛音模式進口石英晶振頻率輸出是目標頻率的三倍這個問題的可能性相對較小。請確定的三次泛音調模式的頻率反饋是否大于基頻模式,由于放大電路的反饋大當放大電路內置于芯片組此問題可能會發生。為了解決這個問題,請采用三次泛音模式晶振。5-2。此外,放大電路,第三色調模式設計不當也可能導致電路由第五音模式振蕩或不振蕩。系統故障是由于超大輸出波形的幅度。6-1。請參照資料2.也可以提高終端石英晶振電容解決方案,然后檢查波形幅度是否得到改善。
負載電容:如果振蕩電路中負載電容的不同,可能導致大型4腳無源諧振器振蕩頻率與設計頻率之間產生偏差,如下圖所示。電路中的負載電容的近似表達式 CL≒CG × CD / (CG+CD) + CS。其中CS表示電路的雜散電容。AEL晶振,貼片晶振,60639晶振,進口晶振
測試條件:(1)電源電壓:超過 150µs,直到電壓級別從 0 %達到 90 % 。電源電壓阻抗低于電阻 2Ω。(2)其他:輸入電容低于 15 pF5倍頻率范圍或更多測量頻率。鉛探頭應盡可能短。測量陶瓷面石英晶體諧振器頻率時,探頭阻抗將高于 1MΩ。當波形經過振蕩器的放大器時,可同時進行測量。(3)其他:CL包含探頭電容。應使用帶有小的內部阻抗的電表。使用微型插槽,以觀察波形。(請勿使用該探頭的長接地線).
諧振腔的形式模式,但泛音振蕩或基波。振蕩開始代替。在黑色陶瓷面石英晶體基本諧振的情況下(MHz頻段)反饋電阻通常是1米?。在泛音諧振器(兆赫頻帶)的情況下,值取決于IC和頻率特性,但在幾個范圍內。K?-?幾十K。在音叉式諧振器的案例(kHz頻段),需要連接一個電阻10米或更?。限制流入諧振器的電流,調節負電阻和勵磁。電平,防止諧振腔的反常振蕩,抑制頻率波動。C1、C2電容器調節負電阻、勵磁電平和振蕩頻率。還設置有給定負載能力。
適當的控制大體積貼片晶振電阻值(RD)取決于諧振器的類型,頻帶和設備的價值。電容器(C1,C2)。精確值是通過測量振蕩電路的特性來確定的(包括負電阻和驅動級)。AT切割諧振器(兆赫頻帶)的參考值在幾個范圍內。?幾K?。音叉式諧振器(kHz頻段)的參考值在100 K?幾K?范圍。安裝電容器的適當值取決于諧振器的類型、頻帶、控制電阻器的值和振蕩的順序,在3 pF的范圍內- 33 pF左右,僅供參考。



AEL晶振,貼片晶振,60637晶振,無源晶振
ILSI晶振,貼片晶振,IL3Y晶振,無源石英晶振