Abracon的新發布的IoT優化晶體系列專門設計用于解決越來越多的低功耗趨勢,從而導致設計人員在整個行業中面臨的跨導值下降。這些IoT優化的石英晶體與業界最低的gm_critical設計兼容。對于50MHz操作,ABM8W / ABM10W / ABM11W / ABM12W系列保證在gm_critical低至3.55mA / V的條件下工作。 ABS06W / ABS07W系列保證工作在1.1μA/ V以上的gm_critical。鑒于許多常見的MCU,例如ST Micro系列STM32M4F / STM32F3 / STM32F4 / STM32L4,其在32.768kHz操作下在1μA/ V附近顯示gm_critical,使用非常低的鍍層晶體的關鍵性是巨大的。 Abracon的新型IoT優化晶體系列目前在世界上提供了最低的負載電容選項。
Abracon的Pierce分析儀系統(PAS)由我們的工程師設計,可幫助您為行業領先的設計做出正確的選擇。 PAS測試驗證了電路中的石英晶體諧振器性能,同時測量晶體,晶體振蕩器和印刷電路板寄生效應。測試系統中所有變量的帳戶,并使晶體參數與MCU或RF芯片組中的電路板和振蕩器實現理想的匹配。這對于使用下一代需要最佳gm因子的節能技術尤其重要。
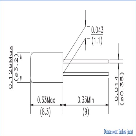
Abracon晶振,石英晶振,AB38T晶振,無源音叉晶振,插件石英晶振最適合用于比較低端的電子產品,比如兒童玩具,普通家用電器,即使在汽車電子領域中也能使產品高可靠性的使用.并且可用于安全控制裝置的CPU時鐘信號發生源部分,好比時鐘單片機上的石英晶振,在極端嚴酷的環境條件下,晶振也能正常工作,具有穩定的起振特性,高耐熱性,耐熱循環性和耐振性等的高可靠性能,由于在49/U形晶體諧振器的底部裝了樹脂底座,就可作為產品電氣特性和高可靠性無受損的表面貼片型晶體諧振器使用,滿足無鉛焊接的回流溫度曲線要求.
32.768K晶振的真空封裝技術:是指石英晶振在真空封裝區域內進行封裝。1.防止外界氣體進入組件體內受到污染和增加應力的產生;2.使晶振組件在真空下電阻減??;3.氣密性高。此技術為研發及生產超小型、超薄型石英晶振必須攻克的關鍵技術之一。石英晶振該選用何鍍材、鍍幾種材料、幾種鍍材的鍍膜順序,鍍膜的工藝方法(如各鍍材的功率設計等)。使用此鍍膜方法使鍍膜后的晶振附著力增強,貼片晶振頻率更加集中,能控制在最小ppm之內。
|
Abracon晶振 |
單位 |
AB38T晶振 |
石英晶振基本條件 |
|
標準頻率 |
f_nom |
32.768KHZ |
標準頻率 |
|
儲存溫度 |
T_stg |
-40°C~+85°C |
裸存 |
|
工作溫度 |
T_use |
-10°C~+60°C |
標準溫度 |
|
激勵功率 |
DL |
1μW Max. |
推薦:1μW |
|
頻率公差 |
f_— l |
±20 × 10-6(標準) |
+25°C對于超出標準的規格說明, |
|
頻率溫度特征 |
f_tem |
-0.034,-0.040,-0.028 × 10-6/-20°C~+70°C |
超出標準的規格請聯系我們. |
|
負載電容 |
CL |
12.5pF |
不同負載要求,請聯系我們. |
|
串聯電阻(ESR) |
R1 |
如下表所示 |
-40°C — +85°C,DL = 100μW |
|
頻率老化 |
f_age |
±3,±5× 10-6/ year Max. |
+25°C,第一年 |
PCB設計指導:(1) 理想情況下,機械蜂鳴器應安裝在一個獨立于音叉型晶體器件的PCB板上。如果您安裝在同一個PCB板上,最好使用余量或切割PCB。當應用于PCB板本身或PCB板體內部時,機械振動程度有所不同。建議遵照內部板體特性。(2) 在設計時請參考相應的推薦封裝。(3) 在使用焊料助焊劑時,按JIS標準(JIS C 60068-2-20/IEC 60,068-2-20).來使用。(4) 請按JIS標準(JIS Z 3282, Pb 含量 1000ppm, 0.1wt% 或更少)來使用無鉛焊料。
存儲事項:(1) 在更高或更低溫度或高濕度環境下長時間保存晶振時,會影響頻率穩定性或焊接性。請在正常溫度和濕度環境下保存這些石英K級晶振產品,并在開封后盡可能進行安裝,以免長期儲藏。 正常溫度和濕度: 溫度:+15°C 至 +35°C,濕度 25 % RH 至 85 % RH(2) 請仔細處理內外盒與卷帶。外部壓力會導致卷帶受到損壞。
振蕩補償:除非在壓電石英晶體諧振器振蕩電路中提供足夠的負極電阻,否則會增加振蕩啟動時間,或不發生振蕩。為避免該情況發生,請在電路設計時提供足夠的負極電阻。Abracon晶振,石英晶振,AB38T晶振,無源音叉晶振
測試條件:(1)電源電壓:超過 150µs,直到電壓級別從 0 %達到 90 % 。電源電壓阻抗低于電阻 2Ω。(2)其他:輸入電容低于 15 pF5倍頻率范圍或更多測量頻率。鉛探頭應盡可能短。測量KHZ圓柱型音叉石英晶體頻率時,探頭阻抗將高于 1MΩ。當波形經過振蕩器的放大器時,可同時進行測量。(3)其他:CL包含探頭電容。應使用帶有小的內部阻抗的電表。使用微型插槽,以觀察波形。(請勿使用該探頭的長接地線).
晶體諧振腔的形式模式,但泛音振蕩或基波。振蕩開始代替。在32.768K圓柱晶振基本諧振的情況下(MHz頻段)反饋電阻通常是1米?。在泛音諧振器(兆赫頻帶)的情況下,值取決于IC和頻率特性,但在幾個范圍內。K?-?幾十K。在音叉式諧振器的案例(kHz頻段),需要連接一個電阻10米或更?。限制流入諧振器的電流,調節負電阻和勵磁。電平,防止諧振腔的反常振蕩,抑制頻率波動。C1、C2電容器調節負電阻、勵磁電平和振蕩頻率。還設置有給定負載能力。
適當的控制電阻值(RD)取決于諧振器的類型,頻帶和設備的價值。電容器(C1,C2)。精確值是通過32.768KHz晶振測量振蕩電路的特性來確定的(包括負電阻和驅動級)。AT切割諧振器(兆赫頻帶)的參考值在幾個范圍內。?幾K?。音叉式諧振器(kHz頻段)的參考值在100 K?幾K?范圍。安裝電容器的適當值取決于諧振器的類型、頻帶、控制電阻器的值和振蕩的順序,在3 pF的范圍內- 33 pF左右,僅供參考。





微晶晶振,插件晶振,DS10晶振,32.768K圓柱晶振
CTS晶振,石英晶振,TFNC38晶振,圓柱DIP晶振
ILSI晶振,石英晶振,38晶振,插件晶振