
NKG Crystal,S7M24.5760F18E23-EXT,7050mm晶振,6G無線網絡晶振,NKG Crystal,S7M進口貼片晶振,無源晶振,S7M24.5760F18E23-EXT晶振,石英晶體諧振器,7050mm晶振,四腳封裝晶振,SMD晶振,頻率24.576MHz,負載18pF,頻率容差20ppm,工作溫度-20~70°C,耐高溫晶振,抗震動晶振,高品質晶振,6G無線網絡晶振,微處理器晶振,調制解調器晶振,便攜式設備晶振.
NKG Crystal,S7M24.5760F18E23-EXT,7050mm晶振,6G無線網絡晶振特點:
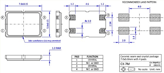
●小包裝尺寸7.0 x 5.0x 1.1mm與4個墊
●優異的耐熱性和抗震性
●高可靠的縫封封裝,低老化

NKG Crystal,S7M24.5760F18E23-EXT,7050mm晶振,6G無線網絡晶振規格表
Parameter
Symbol
Specifications
Remarks
Frequency range
FN
24.576MHz
-
Cut and operation mode
-
FUNDAMENTAL
-
Frequency tolerance
Δf/f
±20ppm
Other options available
Stability over operating temp.
TC
±30ppm
Depending on operating temperaturerange, other options available
Operating temperature range
TOP
–20°C ~+70°C
Options available
Load capacitance
CL
18pF
Please specify load capacitance
Equivalent series resistance
ESR
30Ω~20Ω MAX
FUND MODE 20~ 54MHz
Drive level
DL
100µW TYP, 300µW MAX
-
Aging first year
Δf/y1
±5ppm
@+25°C



