
香港NKG晶體,S6GA40.0000F16M25-EXT,6035陶瓷晶振,6G無線應用晶振,香港NKG晶體,S6GA陶瓷晶振,無源晶振,S6GA40.0000F16M25-EXT晶振,石英晶體諧振器,SMD晶體,6035貼片晶振,二腳封裝晶振,頻率40MHz,負載16pF,頻率容差20ppm,工作溫度-40~85°C,高穩定性晶振,低老化晶振,抗沖擊晶振,6G無線應用晶振,家用電視機頂盒晶振,專業視頻設備晶振,服務器和存儲系統晶振.
香港NKG晶體,S6GA40.0000F16M25-EXT,6035陶瓷晶振,6G無線應用晶振特點
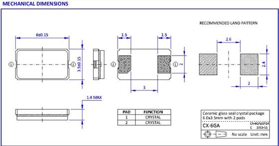
●小包裝尺寸6.0 x 3.5 x 1.2mm與2個墊
●普通接縫密封封裝的低成本替代品
●符合RoHS豁免

香港NKG晶體,S6GA40.0000F16M25-EXT,6035陶瓷晶振,6G無線應用晶振規格表
Parameter
Symbol
Specifications
Remarks
Frequency range
FN
40MHz
-
Cut and operation mode
-
FUNDAMENTAL
-
Frequency tolerance
Δf/f
±20ppm
Other options available
Stability over operating temp.
TC
±50ppm
Depending on operating temperaturerange, other options available
Operating temperature range
TOP
–40°C ~+85°C
Options available
Load capacitance
CL
16pF
Please specify load capacitance
Equivalent series resistance
ESR
40Ω MAX
FUND mode 20 ~ 50MHz
Drive level
DL
100µW TYP, 300µW MAX
-
Aging first year
Δf/y1
±3ppm
@+25°C



