Cardinal晶振,貼片晶振,CX406晶振,無源SMD晶振
頻率:3~64MHZ
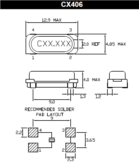
尺寸:12.9*4.85mm
Taitien成立于1976年,是無源晶振的原始制造商之一。在二十世紀九十年代初,Taitien成為VCXO主要供應商的主要電信公司。在接下來的幾年中,泰投投入大量資源用于研發,成為CMOS和LVPECL輸出的表面貼裝振蕩器的領先生產商之一。泰泰被認為是頻控產品的頂級制造商,為其全球客戶提供領先的解決方案。
此次收購的聯合產品將大大增強我們的可編程振蕩器功能,并使我們能夠提供更廣泛的晶振產品。我們將繼續提供Cardinal Components產品系列。業務將像往常一樣繼續使用相同的通信渠道。然而,最終的計劃,后勤和會計活動將重新部署在美國弗吉尼亞州夏洛特維爾的泰坦美國子公司Isotemp。石英4腳貼片晶振,49S無源進口晶振,CX406晶振
Cardinal晶振,貼片晶振,CX406晶振,無源SMD晶振,普通石英晶振,外觀完全使用金屬材料封裝的,產品本身采用全自動石英晶體檢測儀,以及跌落,漏氣等苛刻實驗.產品本身具有高穩定性,高可靠性的石英晶體諧振器,焊接方面支持表面貼裝,外觀采用金屬封裝,具有充分的密封性能,晶振本身能確保其高可靠性,采用編帶包裝,可對應產品應用到自動貼片機告訴安裝,滿足無鉛焊接的高溫回流溫度曲線要求.
注重所使用水晶、研磨砂的選擇等;注重石英晶振研磨用工裝如:游輪的設計及選擇,從而使研磨晶振晶片在平面度、平行度、彎曲度都有很好的控制,最終使可研磨的石英晶振晶片的厚度越來越薄,貼片晶振晶片的頻率越來越高,為公司在高頻石英晶振的研發生產打下堅實基礎,提升了晶振廠家的競爭力,使晶振廠家高頻石英晶振的研發及生產領先于國內其它公司。石英4腳貼片晶振,49S無源進口晶振,CX406晶振
|
Cardinal晶振 |
單位 |
CX406晶振 |
石英晶振基本條件 |
|
標準頻率 |
f_nom |
3~64MHZ |
標準頻率 |
|
儲存溫度 |
T_stg |
-55°C~+125°C |
裸存 |
|
工作溫度 |
T_use |
-10°C~+85°C |
標準溫度 |
|
激勵功率 |
DL |
1.0mW Max. |
推薦:1.0mW |
|
頻率公差 |
f_— l |
±15,30,50,100× 10-6 |
+25°C 對于超出標準的規格說明, |
|
頻率溫度特征 |
f_tem |
±10,30,50,100× 10-6/-30°C~+85°C |
超出標準的規格請聯系我們. |
|
負載電容 |
CL |
18PF |
不同負載電容要求,請聯系我們. |
|
串聯電阻(ESR) |
R1 |
如下表所示 |
-40°C~+85°C, DL = 100μW |
|
頻率老化 |
f_age |
±5× 10-6/year Max. |
+25°C,第一年 |
大型晶振產品的設計和生產直到出廠,都會經過嚴格的測試檢測來滿足它的規格要求。通過嚴格的出廠前可靠性測試以提供高質量高的可靠性的石英晶振.但是為了石英晶振的品質和可靠性,必須在適當的條件下存儲,安 裝,運輸。請注意以下的注意事項并在最佳的條件下使用產品,我們將對于客戶按自己的判斷而使用石英晶振所導致的不良不負任何責任。Cardinal晶振,貼片晶振,CX406晶振,無源SMD晶振
機械振動的影響:當無源SMD晶振產品上存在任何給定沖擊或受到周期性機械振動時,比如:壓電揚聲器,壓電蜂鳴器,以及喇叭等,輸出頻率和幅度會受到影響。這種現象對通信器材通信質量有影響。盡管晶振產品設計可最小化這種機械振動的影響,我們推薦事先檢查并按照下列安裝指南進行操作。
存儲事項:(1) 在更高或更低溫度或高濕度環境下長時間保存晶振時,會影響頻率穩定性或焊接性。請在正常溫度和濕度環境下保存這些石英SMD晶振產品,并在開封后盡可能進行安裝,以免長期儲藏。 正常溫度和濕度: 溫度:+15°C 至 +35°C,濕度 25 % RH 至 85 % RH。 (2) 請仔細處理內外盒與卷帶。外部壓力會導致卷帶受到損壞。石英4腳貼片晶振,49S無源進口晶振,CX406晶振
振蕩頻率測量:必須盡可能地測量安裝在電路上的的振蕩頻率的真實值,使用普通SMD封裝晶振正確的方法。在振蕩頻率的測量中,通常使用探頭和頻率計數器。然而,我們的目標是通過限制測量工具對振蕩電路本身的影響來測量。有三種頻率測量模式,如下面的圖所示(圖)。2, 3和4)。最精確的測量方法是通過使用任何能夠精確測量的頻譜分析儀來實現的。Cardinal晶振,貼片晶振,CX406晶振,無源SMD晶振
接觸振蕩電路:探針不影響圖2,因為緩沖器的輸出是通過49S貼片晶振輸入振蕩電路的輸出來測量的。逆變器進入下一階段。探針不影響圖3,因為在IC上測量緩沖器輸出(1/1、1/2等)。圖4示出了來自ic的無緩沖器輸出接收的情況,由此通過小尺寸測量來最小化探針的效果。輸出點之間的電容(3 pF以下XTAL終端IC)和探針。然而,應該注意到,使用這種方法輸出波形較小,測量不能依賴于即使示波器能檢查振蕩波形,頻率計數器的靈敏度也可以。在這種情況下,使用放大器來測量。
驅動能力:驅動能力說明49S型四腳貼片晶振振蕩晶體單元所需電功率,其計算公式如下:驅動能力 (P) = i2?Re其中i表示經過晶體單元的電流,Re表示晶體單元的有效電阻,而且 Re=R1(1+Co/CL).
測試條件:(1)電源電壓:超過 150µs,直到電壓級別從 0 %達到 90 % 。電源電壓阻抗低于電阻 2Ω。(2)其他:輸入電容低于 15 pF5倍頻率范圍或更多測量頻率。鉛探頭應盡可能短。測量無源石英晶振頻率時,探頭阻抗將高于 1MΩ。當波形經過振蕩器的放大器時,可同時進行測量。(3)其他:CL包含探頭電容。應使用帶有小的內部阻抗的電表。使用微型插槽,以觀察波形。(請勿使用該探頭的長接地線).石英4腳貼片晶振,49S無源進口晶振,CX406晶振
公司名:深圳市金洛鑫電子有限公司
聯系人:茹紅青
手機:13510569637
電話:0755-27837162
QQ號:657116624
微信公眾號:CITIZENCRYSTAL
搜狐公眾號:晶振石英晶振NDK晶振
郵箱:jinluodz@163.com
地址:深圳市寶安區41區甲岸路19號
相關的產品 / Related Products

- QANTEK晶振,貼片晶振,QC4晶振,石英晶振
- 普通貼片石英晶振外觀使用金屬材料封裝的,具有高穩定性,高可靠性的石英晶體諧振器,晶振外觀本身使用金屬封裝,充分的密封性能,可確保其高可靠性,采用編帶包裝,外包裝采用朔膠盤,可在自動貼片機上對應自動貼裝等優勢.
JLX-PD
金洛鑫產品系列
PRODUCT LINE
石英晶振
QuartzCrystal
- KDS晶振
- 愛普生晶振
- NDK晶振
- 京瓷晶振
- 精工晶振
- 西鐵城晶振
- 大河晶振
- 村田晶振
- 泰藝晶振
- TXC晶振
- 鴻星晶振
- 希華晶振
- 加高晶振
- 百利通亞陶晶振
- 嘉碩晶振
- 津綻晶振
- 瑪居禮晶振
- 富士晶振
- SMI晶振
- Lihom晶振
- SHINSUNG晶振
- NAKA晶振
- AKER晶振
- NKG晶振
- NJR晶振
- Sunny晶振
貼片晶振
SMDcrystal
- CTS晶振
- 微晶晶振
- 瑞康晶振
- 康納溫菲爾德晶振
- 高利奇晶振
- Jauch晶振
- AbraconCrystal晶振
- 維管晶振
- ECScrystal晶振
- 日蝕晶振
- 拉隆晶振
- 格林雷晶振
- SiTimeCrystal晶振
- IDTcrystal晶振
- PletronicsCrystal晶振
- StatekCrystal晶振
- AEK晶振
- AEL晶振
- Cardinal晶振
- Crystek晶振
- Euroquartz晶振
- Fox晶振
- Frequency晶振
- GEYER晶振
- KVG晶振
- ILSI晶振
- Mmdcomp晶振
- MtronPTI晶振
- QANTEK晶振
- QuartzCom晶振
- Quarztechnik晶振
- Suntsu晶振
- Transko晶振
- Wi2Wi晶振
- ITTI晶振
- Oscilent晶振
- ACT晶振
- Rubyquartz晶振
- MTI-milliren晶振
- PDI晶振
- IQD晶振
- Microchip晶振
- Silicon晶振
- Anderson晶振
- Fortiming晶振
- CORE晶振
- NIPPON晶振
- NIC晶振
- QVS晶振
- Bomar晶振
- Bliley晶振
- GED晶振
- FILTRONETICS晶振
- STD晶振
- Q-Tech晶振
- Wenzel晶振
- NEL晶振
- EM晶振
- PETERMANN晶振
- FCD-Tech晶振
- HEC晶振
- FMI晶振
- Macrobizes晶振
- AXTAL晶振
- ARGO晶振
- 瑞薩renesas晶振
- Skyworks晶振

手機版












