Fortiming品牌,HC49S-13M8240-1E030C-18,6G通訊設備晶振
頻率:13.824MHZ
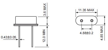
尺寸:11.35×4.85mm
Fortiming品牌,HC49S-13M8240-1E030C-18,6G通訊設備晶振,Fortiming品牌,HC49S無源晶振,石英晶體諧振器,HC49S-13M8240-1E030C-18晶振,二腳插件晶振,低輪廓通孔封裝,頻率13.824MHz,負載18pF,頻率穩定性3.0ppm,工作溫度-10~60°C,高穩定性晶振,低成本晶振,無鉛環保晶振,6G通訊設備晶振,微處理器時鐘晶振, 數碼相機晶振,智能玩具晶振.
Fortiming品牌,HC49S-13M8240-1E030C-18,6G通訊設備晶振,Fortiming品牌,HC49S無源晶振,石英晶體諧振器,HC49S-13M8240-1E030C-18晶振,二腳插件晶振,低輪廓通孔封裝,頻率13.824MHz,負載18pF,頻率穩定性3.0ppm,工作溫度-10~60°C,高穩定性晶振,低成本晶振,無鉛環保晶振,6G通訊設備晶振,微處理器時鐘晶振, 數碼相機晶振,智能玩具晶振.
Fortiming品牌,HC49S-13M8240-1E030C-18,6G通訊設備晶振特點:
-符合RoHS標準(無鉛),低輪廓通孔封裝
-AT切割晶體,優異的時效,非常嚴格的溫度穩定性
-行業標準引線間距
-低成本,適用于通訊微處理器
Fortiming品牌,HC49S-13M8240-1E030C-18,6G通訊設備晶振規格表
項目
規格說明
額定頻率
13.824MHz
共振方式
Fundamental
校準公差@25°C
±10 ppm
頻率穩定性
+3.0 ppm
工作溫度
-10℃~ +60℃
老化
±3 ppm / year Maximum
儲存溫度
-55°C to 125°C
負載電容
18pF
并聯電容
7 pF Maximum
激勵功率
0.1 mW Typical
等效串聯電阻
40 Ohms Maximum
絕緣電阻
500 Mohms Minimum
Fortiming品牌,HC49S-13M8240-1E030C-18,6G通訊設備晶振尺寸圖
公司名:深圳市金洛鑫電子有限公司
聯系人:茹紅青
手機:13510569637
電話:0755-27837162
QQ號:657116624
微信公眾號:CITIZENCRYSTAL
搜狐公眾號:晶振石英晶振NDK晶振
郵箱:jinluodz@163.com
地址:深圳市寶安區41區甲岸路19號
相關的產品 / Related Products

- M12532JM 27.000000,MtronPTI超小型晶振,3225mm諧振器
- M12532JM 27.000000,MtronPTI超小型晶振,3225mm諧振器,美國MtronPTI晶振,麥特倫皮晶振,型號:M1253系列晶振,編碼為:M12532JM 27.000000諧振器,頻率:27MHz,頻率穩定性:±50ppm,頻率容差:±30ppm,負載電容:18pF,工作溫度范圍:-40℃至+85℃,小體積晶振尺寸:3.2x2.5mm封裝,四腳貼片晶振,無源晶振,石英晶振,3225晶振,石英晶體諧振器,SMD晶振,具有超小型,輕薄型,高品質晶振,高性能,高質量等特點。進口晶振應用于:手持式電子設備,汽車電子晶振,便攜式儀器,無線藍牙晶振,智能家居等應用。

- CSM1Z-A5B2C3-40-27.0D18-F,Cardinal無線局域網晶振,27MHz石英晶體
- CSM1Z-A5B2C3-40-27.0D18-F,Cardinal無線局域網晶振,27MHz石英晶體,美國Cardinal晶振,卡迪納爾晶振,型號:CSM1系列,編碼為:CSM1Z-A5B2C3-40-27.0D18-F,頻率:27MHz,工作溫度范圍:-20℃至+70℃,頻率穩定性:±50ppm,頻率容差:±30ppm,負載電容:18pF,是一款小體積晶振尺寸:12.5x4.5mm橢圓形金屬外殼封裝,低輪廓表面安裝晶體,兩腳貼片晶振,石英晶振,無源晶振,石英晶體諧振器,無鉛環保晶振。進口晶振,被廣泛用于:通訊設備晶振,無線晶振,藍牙模塊晶振,無線局域網晶振,微控制器,汽車電子,機頂盒等應用.

- NKG車載多媒體晶振,S2SM進口晶振,S2SM18.0000F16M23-EXT超小型晶振
NKG車載多媒體晶振,S2SM進口晶振,S2SM18.0000F16M23-EXT超小型晶振,NKG晶振,S2SM晶振,石英晶振,無源晶振,S2SM18.0000F16M23-EXT晶振,四腳貼片晶振,石英晶體諧振器,2016mm晶振,SMD晶體,高精度晶振,輕薄小晶振,無鉛環保晶振,6G無線模塊晶振,筆記本電腦晶振,智能手機晶振,移動應用晶振.特點:微型包裝尺寸2.0 x 1.6 x 0.5mm與4個墊,優異的耐熱性和抗震性,真空密封,可靠性高,老化率低,符合AEC-Q200標準的汽車級產品可供選擇
JLX-PD
金洛鑫產品系列
PRODUCT LINE
石英晶振
QuartzCrystal
- KDS晶振
- 愛普生晶振
- NDK晶振
- 京瓷晶振
- 精工晶振
- 西鐵城晶振
- 大河晶振
- 村田晶振
- 泰藝晶振
- TXC晶振
- 鴻星晶振
- 希華晶振
- 加高晶振
- 百利通亞陶晶振
- 嘉碩晶振
- 津綻晶振
- 瑪居禮晶振
- 富士晶振
- SMI晶振
- Lihom晶振
- SHINSUNG晶振
- NAKA晶振
- AKER晶振
- NKG晶振
- NJR晶振
- Sunny晶振
貼片晶振
SMDcrystal
- CTS晶振
- 微晶晶振
- 瑞康晶振
- 康納溫菲爾德晶振
- 高利奇晶振
- Jauch晶振
- AbraconCrystal晶振
- 維管晶振
- ECScrystal晶振
- 日蝕晶振
- 拉隆晶振
- 格林雷晶振
- SiTimeCrystal晶振
- IDTcrystal晶振
- PletronicsCrystal晶振
- StatekCrystal晶振
- AEK晶振
- AEL晶振
- Cardinal晶振
- Crystek晶振
- Euroquartz晶振
- Fox晶振
- Frequency晶振
- GEYER晶振
- KVG晶振
- ILSI晶振
- Mmdcomp晶振
- MtronPTI晶振
- QANTEK晶振
- QuartzCom晶振
- Quarztechnik晶振
- Suntsu晶振
- Transko晶振
- Wi2Wi晶振
- ITTI晶振
- Oscilent晶振
- ACT晶振
- Rubyquartz晶振
- MTI-milliren晶振
- PDI晶振
- IQD晶振
- Microchip晶振
- Silicon晶振
- Anderson晶振
- Fortiming晶振
- CORE晶振
- NIPPON晶振
- NIC晶振
- QVS晶振
- Bomar晶振
- Bliley晶振
- GED晶振
- FILTRONETICS晶振
- STD晶振
- Q-Tech晶振
- Wenzel晶振
- NEL晶振
- EM晶振
- PETERMANN晶振
- FCD-Tech晶振
- HEC晶振
- FMI晶振
- Macrobizes晶振
- AXTAL晶振
- ARGO晶振
- 瑞薩renesas晶振
- Skyworks晶振

手機版















