京瓷晶振CT2520DB,CT2520DB26000C0FZZA1水晶振動子,音叉晶體,石英晶體諧振器,SMD晶振,石英貼片晶振,型號CT2520DB,編碼CT2520DB26000C0FZZA1是一款金屬面貼片型的無源晶體,尺寸為2520mm.頻率26MHZ,工作溫度-25°C~85°C,產品性能優越,價格低廉,適合用于無線通信,移動設備等領域.
CT2520DB19200C0FLHAF石英晶振真空退火技術:晶振高真空退火處理是消除貼片晶振在加工過程中產生的應力及輕微表面缺陷.在PLC控制程序中輸入已設計好的溫度曲線,使真空室溫度跟隨設定曲線對晶體組件進行退火,石英晶振通過合理的真空退火技術可提高晶振主要參數的穩定性,以及提高石英晶振的年老化特性.京瓷晶振CT2520DB,CT2520DB26000C0FZZA1水晶振動子
CT2520DB26000C0FZZA1晶振 參數表
|
京瓷晶振 |
單位 |
CT2520DB晶振 |
石英晶振基本條件 |
|
標準頻率 |
f_nom |
26MHZ |
標準頻率 |
|
儲存溫度 |
T_stg |
-40°C~+150°C |
裸存 |
|
工作溫度 |
T_use |
-25°C~+85°C |
標準溫度 |
|
激勵功率 |
DL |
10μW Max. |
推薦:10μW~100μW |
|
頻率公差 |
f_— l |
±15× 10-6(標準) |
+25°C對于超出標準的規格說明, |
|
頻率溫度特征 |
f_tem |
±15× 10-6/-30°C~+85°C |
超出標準的規格請聯系我們. |
|
負載電容 |
CL |
8pF |
不同負載電容要求,請聯系我們. |
|
串聯電阻(ESR) |
R1 |
如下表所示 |
-30°C~+85°C,DL = 100μW |
|
頻率老化 |
f_age |
±5× 10-6/ year Max. |
+25°C,第一年 |
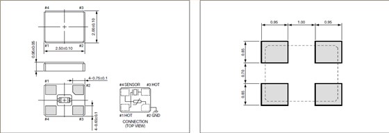
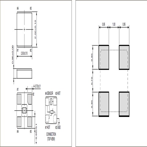
京瓷晶振CT2520DB,CT2520DB26000C0FZZA1水晶振動子尺寸圖

清洗
關于一般清洗液的使用以及超聲波清洗沒有問題,但這僅僅是對單個石英晶體產品進行試驗所得的結果,因此請根據實際使用狀態進行確認。
由于音叉型晶體諧振器的頻率范圍和超聲波清洗機的清洗頻率很近,容易受到共振破壞,因此請盡可能避免超聲波清洗。
若要進行超聲波清洗,必須事先根據實際使用狀態進行確認。京瓷晶振CT2520DB,CT2520DB26000C0FZZA1水晶振動子,
撞擊
雖然貼片晶振產品在設計階段已經考慮到其耐撞擊性,但如果掉到地板上或者受到過度的撞擊,以防萬一還是要檢查特性后再使用。
裝載
SMD產品
SMD晶體產品支持自動貼裝,但還是請預先基于所使用的搭載機實施搭載測試,確認其對特性沒有影響。 在切斷工序等會導致基板發生翹曲的工序中,請注意避免翹曲影響到產品的特性以及軟焊。 基于超聲波焊接的貼裝以及加工會使得時鐘晶體產品(諧振器、振蕩器、濾波器)內部傳播過大的振動,有可能導致特性老化以及引起不振蕩,因此不推薦使 用。
引線類型產品
當引線彎折、成型以及貼裝到印制電路板時,請注意避免對基座玻璃部分施加壓力。否則有可能導致玻璃出現裂痕,從而引起性能劣化。
保管
保管在高溫多濕的場所可能會導致端子軟焊性的老化。
請在沒有直射陽光,不發生結露的場所保管。京瓷晶振CT2520DB,CT2520DB26000C0FZZA1水晶振動子,
| Manufacturer Part Number原廠編碼 | Manufacturer廠家 | Series型號 | Type 系列 | Frequency | Operating Temperature工作溫度 |
| CT2520DB19200C0FLHAF | AVX Corp/Kyocera Corp | CT2520DB, Kyocera | MHz Crystal | 19.2MHz | -30°C ~ 85°C |
| CT2520DB19200C0FLHAF | AVX Corp/Kyocera Corp | CT2520DB, Kyocera | MHz Crystal | 19.2MHz | -30°C ~ 85°C |
| CT2520DB19200C0FLHAF | AVX Corp/Kyocera Corp | CT2520DB, Kyocera | MHz Crystal | 19.2MHz | -30°C ~ 85°C |
| CT2520DB26000C0FZZA1 | AVX Corp/Kyocera Corp | CT2520DB, Kyocera | MHz Crystal | 26MHz | -25°C ~ 85°C |
| CT2520DB26000C0FZZA1 | AVX Corp/Kyocera Corp | CT2520DB, Kyocera | MHz Crystal | 26MHz | -25°C ~ 85°C |
| CT2520DB26000C0FZZA1 | AVX Corp/Kyocera Corp | CT2520DB, Kyocera | MHz Crystal | 26MHz | -25°C ~ 85°C |





FOX晶振FQ3225B,FQ3225B-27.000貼片諧振器
福克斯晶振FK135,FX135A-327音叉晶體
伊西斯晶振CSM-8M,ECS-250-18-20BM-JEN-TR貼片諧振器
福克斯晶振C5BQ,FQ5032B-24.576音叉晶體
CC4V-T1A-32.768k-12.5pF-20PPM-TB-QA無源晶體,美國晶振品牌微晶CC4V-T1A
微晶32.768K晶振CC7V-T1A,CC7V-T1A-32.768kHz-7pF-20PPM-TA-QC貼片晶體
SIWARD晶振,XTL75音叉晶體,XTL751-S999-544,6G無線網絡晶振
WXFSR-32K768-12.5,富通晶振,KHZ音叉晶體,6G低成本晶振
XO32-32K768-B20B3,Fortiming晶振,3225晶振,6G移動無線電晶振
KDS插件晶振,32ETJS070FJ,DT-26音叉晶體,32.768K時鐘晶振