FOX晶振FQ3225B,FQ3225B-27.000貼片諧振器,??怂咕д?無源晶體,SMD無源晶振,貼片晶體,石英晶體諧振器,水晶振動子,型號FQ3225B,編碼FQ3225B-27.000是一款貼片型的音叉晶體,尺寸為3225mm,頻率為27MHZ,穩定度50ppm,負載電容20pF,工作溫度-10°C~+70°C,產品具備超高的穩定性能和可靠性能,非常適合用于車載應用,電子數碼產品,產品本身具備優良的耐熱性,耐環境特性,產品在移動通信領域可發揮優良的電氣特性,符合無鉛標準,滿足無鉛焊接的回流溫度曲線要求.
FQ3225BR-24.000石英晶振真空退火技術:晶振高真空退火處理是消除貼片晶振在加工過程中產生的應力及輕微表面缺陷.在PLC控制程序中輸入已設計好的溫度曲線,使真空室溫度跟隨設定曲線對晶體組件進行退火,石英晶振通過合理的真空退火技術可提高晶振主要參數的穩定性,以及提高石英晶振的年老化特性.FOX晶振FQ3225B,FQ3225B-27.000貼片諧振器
FQ3225B-27.000晶振 參數表
FOX晶振 |
單位 |
FQ3225B晶振 |
石英晶振基本條件 |
標準頻率 |
f_nom |
27MHZ |
標準頻率 |
儲存溫度 |
T_stg |
-40°C~+150°C |
裸存 |
工作溫度 |
T_use |
-10°C~+70°C |
標準溫度 |
激勵功率 |
DL |
10μW Max. |
推薦:10μW~100μW |
頻率公差 |
f_— l |
±50× 10-6(標準) |
+25°C對于超出標準的規格說明, |
頻率溫度特征 |
f_tem |
±50× 10-6/-10°C~+70°C |
超出標準的規格請聯系我們. |
負載電容 |
CL |
20pF |
不同負載電容要求,請聯系我們. |
串聯電阻(ESR) |
R1 |
60 Ohms |
-30°C~+85°C,DL = 100μW |
頻率老化 |
f_age |
±5× 10-6/ year Max. |
+25°C,第一年 |
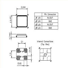
FOX晶振FQ3225B,FQ3225B-27.000貼片諧振器尺寸圖
CX3225GA20000D0PTVCC晶振 使用注意事項
熱影響
重復的溫度巨大變化可能會降低受損害的石英晶振產品特性,并導致塑料封裝里的線路擊穿.必須避免這種情況.
安裝方向
石英晶體振蕩器的不正確安裝會導致故障以及崩潰,因此安裝時,請檢查安裝方向是否正確.FOX晶振FQ3225B,FQ3225B-27.000貼片諧振器
通電
不建議從中間電位和/或極快速通電,否則會導致無法產生振蕩和/或非正常工作.
有源晶振的負載電容與阻抗
負載電容與阻抗有源晶振設置一個規定的負載阻抗值.當一個值除了規定的一個設置為負載阻抗輸出頻率和輸出電平不會滿足時,指定的值這可能會導致問題例如:失真的輸出波形.特別是設置電抗,根據規范的負載阻抗.輸出頻率和輸出電平,當測量輸出頻率或輸出水平,石英晶體振蕩器調整的輸入阻抗,測量儀器的負載阻抗晶體振蕩器.當輸入阻抗的測量儀器,不同的負載阻抗的晶體振蕩器,測量輸出頻率或輸出水平高,阻抗阻抗測量可以忽略.
抗沖擊
抗沖擊是指晶振產品可能會在某些條件下受到損壞.例如從桌上跌落,摔打,高空拋壓或在貼裝過程中受到沖擊.如果產品已受過沖擊請勿使用.因為無論何種貼片石英晶振,其內部晶片都是貼片晶振制作而成的,高空跌落摔打都會給晶振照成不良影響.
耐焊性:
將晶振加熱包裝材料至+150℃以上會破壞產品特性或損害產品.如需在+150℃以上焊接石英晶振,建議使用有源貼片晶振產品.在下列回流條件下,對石英耐高溫晶振產品甚至晶振使用更高溫度,會破壞晶振特性.建議使用下列配置情況的回流條件.安裝這些貼片晶振之前,應檢查焊接溫度和時間.同時,在安裝條件更改的情況下,請再次進行檢查.如果需要焊接的晶振產品在下列配置條件下進行焊接,請聯系我們以獲取耐熱的相關信息.FOX晶振FQ3225B,FQ3225B-27.000貼片諧振器
Manufacturer Part Number原廠編碼 | Manufacturer廠家 | Series型號 | Type 系列 | Frequency | Frequency Stability頻率穩定度 |
FQ3225B-12.000 | FOX晶振 | FQ3225B | MHz Crystal | 12MHz | ±50ppm |
FQ3225B-12.000 | FOX晶振 | FQ3225B | MHz Crystal | 12MHz | ±50ppm |
FQ3225B-12.000 | FOX晶振 | FQ3225B | MHz Crystal | 12MHz | ±50ppm |
FQ3225B-25.000 | FOX晶振 | FQ3225B | MHz Crystal | 25MHz | ±50ppm |
FQ3225B-25.000 | FOX晶振 | FQ3225B | MHz Crystal | 25MHz | ±50ppm |
FQ3225B-25.000 | FOX晶振 | FQ3225B | MHz Crystal | 25MHz | ±50ppm |
FQ3225B-24.000 | FOX晶振 | FQ3225B | MHz Crystal | 24MHz | ±50ppm |
FQ3225B-24.000 | FOX晶振 | FQ3225B | MHz Crystal | 24MHz | ±50ppm |
FQ3225B-24.000 | FOX晶振 | FQ3225B | MHz Crystal | 24MHz | ±50ppm |
FQ3225B-16.000 | FOX晶振 | FQ3225B | MHz Crystal | 16MHz | ±50ppm |
FQ3225B-16.000 | FOX晶振 | FQ3225B | MHz Crystal | 16MHz | ±50ppm |
FQ3225B-16.000 | FOX晶振 | FQ3225B | MHz Crystal | 16MHz | ±50ppm |
FQ3225B-27.000 | FOX晶振 | FQ3225B | MHz Crystal | 27MHz | ±50ppm |
FQ3225B-27.000 | FOX晶振 | FQ3225B | MHz Crystal | 27MHz | ±50ppm |
FQ3225B-27.000 | FOX晶振 | FQ3225B | MHz Crystal | 27MHz | ±50ppm |
FQ3225BR-25.000 | FOX晶振 | FQ3225B | MHz Crystal | 25MHz | ±50ppm |
FQ3225BR-25.000 | FOX晶振 | FQ3225B | MHz Crystal | 25MHz | ±50ppm |
FQ3225BR-25.000 | FOX晶振 | FQ3225B | MHz Crystal | 25MHz | ±50ppm |
FQ3225BR-24.000 | FOX晶振 | FQ3225B | MHz Crystal | 24MHz | ±50ppm |
FQ3225BR-24.000 | FOX晶振 | FQ3225B | MHz Crystal | 24MHz | ±50ppm |
FQ3225BR-24.000 | FOX晶振 | FQ3225B | MHz Crystal | 24MHz | ±50ppm |
FQ3225BR-12.000 | FOX晶振 | FQ3225B | MHz Crystal | 12MHz | ±50ppm |
FQ3225BR-12.000 | FOX晶振 | FQ3225B | MHz Crystal | 12MHz | ±50ppm |
FQ3225BR-12.000 | FOX晶振 | FQ3225B | MHz Crystal | 12MHz | ±50ppm |
