
瑞薩晶振,LV-PECL晶振,XFP336200.000000I,6G以太網晶振,瑞薩晶振,XF石英晶體振蕩器,XFP336200.000000I晶振,2520mm晶振,SMD晶體,LV-PECL差分晶振,頻率200MHz,工作溫度-40~85°C,電壓3.3V,低相噪晶振,高品質晶振,6G以太網晶振,光纖通道晶振,微處理器晶振,存儲器晶振.
瑞薩晶振,LV-PECL晶振,XFP336200.000000I,6G以太網晶振特點:
•輸出類型:LVDS, LVPECL, CML
•頻率范圍:15MHz至2100MHz
•輸出類型:HCSL
•頻率范圍:15MHz至725MHz
•供電電壓選項:1.8V, 2.5V,或3.3V
•相位抖動(12kHz至20MHz): 120fs典型
•包裝選項:
•5.0 × 3.2毫米
•3.2 × 2.5 mm
•2.5 × 2.0 mm
•工作溫度和頻率穩定性:
•-40°C至+85°C,±25ppm
•-40°C至+105°C,±50ppm
瑞薩晶振,LV-PECL晶振,XFP336200.000000I,6G以太網晶振參數表
| 項目 | 符號 | 規格說明 | 條件 |
| 額定頻率 | f_nom | 200MHz | 請聯系我們以便獲取其它可用頻率的相關信息 |
| 電源電壓 | Vcc | 3.3V±0.3V |
|
| 儲存溫度 | T_stg | -55℃~+125℃ | 裸存 |
| 工作溫度 | T_use | -40℃~ +85℃ |
|
| 頻率公差(標準) | f_tol | ±25 ppm | +25℃,超出標準的規格說明請聯系我們以便獲取相關信息 |
| 供電電流 | IDD | 94mA Max | LVPECL 15MHz to 212.5MHz |
| 輸出電壓 | VOH | 2.72V Max |
VDD = 3.3V ±5%. |
| VOL | 2.01V Max | VDD = 3.3V ±5%. | |
| 對稱性 | SYM | 48%~52% | Atoutputscrossing point |
| 輸出負載 | LVPECL | 50Ω | LVPECL |
| 輸入電壓 | VIH | 70%Vcc Min | LVPECL |
| VIL | 30%Vcc Max | ||
| 上升下降時間 | tr/tf | 400ps Max | 20% to 80% Vpp |
| 起始時間 | t str | 5ms Max |
VDD達到最小指定水平后輸出有效時間 |
| 周期抖動 | JPER |
3ps Typ |
LVPECL |
| 相位抖動 | tpj | 115fs Typ | 12KHZ~20MHz |
| 老化 | f_aging | ±3ppm/year | +25℃,第一年 |
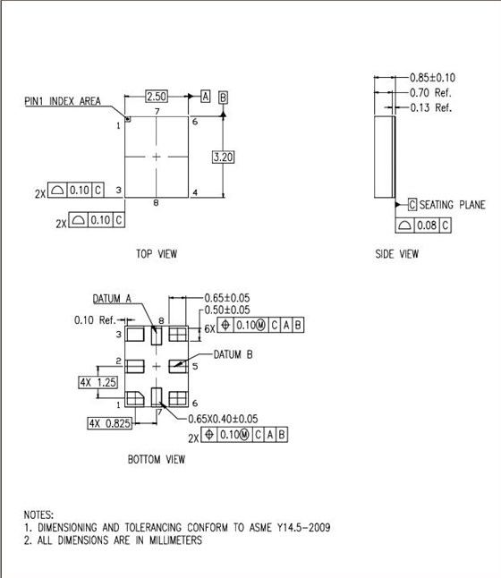
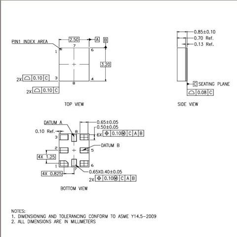
瑞薩晶振,LV-PECL晶振,XFP336200.000000I,6G以太網晶振尺寸圖





愛普生晶振,貼片晶振,FA-20HS晶振,FA-20HS 19.2000MF12Y-AG3
NKG Crystal,S7M24.5760F18E23-EXT,7050mm晶振,6G無線網絡晶振
香港NKG晶體,S6GA40.0000F16M25-EXT,6035陶瓷晶振,6G無線應用晶振
NKG晶振,CT25M19.2000F10V1T-100,2520熱敏晶振,6G移動通信晶振
FC8AQCCMC3.6864-T1環保晶體,FOX美國進口晶振,FC8AQ汽車定速巡航晶振
Oscilent美國表晶,223-000306-20-LF-TR車載多媒體晶振,223環保無鉛晶振
奧斯康利美國高品質晶振,276環保晶振,276-16.0M-30-L-TR網絡終端晶振
NKG車載多媒體晶振,S2SM進口晶振,S2SM18.0000F16M23-EXT超小型晶振
TS13CF23CDT,CTS晶體諧振器,ATSSMTS,微處理器晶體