530BB156M250DG,Skyworks思佳訊進口晶振,企業服務器晶振,電信應用晶振
頻率:156.25 MHz
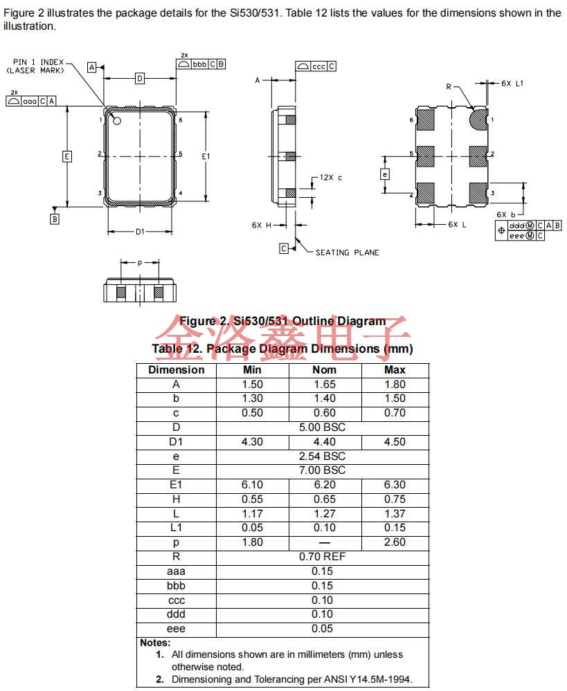
尺寸:7.0mm x 5.0mm
530BB156M250DG,Skyworks思佳訊進口晶振,企業服務器晶振,電信應用晶振
530BB156M250DG美國思佳訊晶振采用緊湊封裝設計,完美適配企業服務器高密度PCB板布局需求.在服務器內部空間有限,元器件高度集成的環境中,小巧的封裝尺寸可節省寶貴的板載空間,同時其穩定的電氣性能,能在多元器件近距離工作的復雜電磁環境下,依然保持精準的時鐘輸出,助力服務器實現更高集成度與性能提升.經過嚴格的質量檢測與老化測試,其使用壽命長,性能衰減率低,可適應電信基站,核心網設備等長期不間斷運行的工作模式,減少設備維護頻次與成本,為電信運營商降低運營壓力,保障電信網絡服務的連續性與穩定性.
530BB156M250DG,Skyworks思佳訊進口晶振,企業服務器晶振,電信應用晶振
| 原廠型號 Originalmodel: | 530BB156M250DG | 品牌brand: | Skyworks晶振 |
| Manufacturer品牌 | Skyworks進口晶振 | OperatingTemperature溫度 | -40°C ~ 85°C |
| Series型號 | Si530 | Current-Supply(Max) | 98mA |
| Type類型 | XO | PackageHeight高度 | 1.80mm |
| Frequency頻率 | 156.25 MHz | Termination 腳位 | 6pad |
| 輸出方式 Output: | LVDS | PackageType 封裝類型 | 6-SMD |
| Voltage-Supply電壓 | 3.3V | Packaging 包裝 | TapeandReel |
| FrequencyStability頻率穩定度 | ±20ppm | 安裝方式 Installation: | Surfacemount |
| Size/Dimension尺寸 | 7.00mm x 5.00mm | 最小包裝數MPQ: | 1000 |
530BB156M250DG,Skyworks思佳訊進口晶振,企業服務器晶振,電信應用晶振
530BB156M250DG,Skyworks思佳訊進口晶振,企業服務器晶振,電信應用晶振
| 510BBA156M250BAGR | Skyworks | Si510 | XO | 156.25 MHz | LVDS | 3.3V | ±25ppm | -40°C ~ 85°C |
| 511FBA000330BAGR | Skyworks | Si511 | XO | 125 MHz | LVDS | 2.5V | ±25ppm | -40°C ~ 85°C |
| 511BBA100M000BAG | Skyworks | Si511 | XO | 100 MHz | LVDS | 3.3V | ±25ppm | -40°C ~ 85°C |
| 511BBA125M000AAG | Skyworks | Si511 | XO | 125 MHz | LVDS | 3.3V | ±25ppm | -40°C ~ 85°C |
| 511BBA100M000AAG | Skyworks | Si511 | XO | 100 MHz | LVDS | 3.3V | ±25ppm | -40°C ~ 85°C |
| 511BBA200M000AAG | Skyworks | Si511 | XO | 200 MHz | LVDS | 3.3V | ±25ppm | -40°C ~ 85°C |
| 530BB125M000DG | Skyworks | Si530 | XO | 125 MHz | LVDS | 3.3V | ±20ppm | -40°C ~ 85°C |
| 531BC125M000DG | Skyworks | Si531 | XO | 125 MHz | LVDS | 3.3V | ±7ppm | -40°C ~ 85°C |
| 545BAA200M000BBG | Skyworks | Si545 | XO | 200 MHz | LVDS | 1.8V, 2.5V, 3.3V | ±20ppm | -40°C ~ 85°C |
| 570BAB000544DG | Skyworks | Si570 | XO | 156.25 MHz | LVDS | 3.3V | ±50ppm | -40°C ~ 85°C |
| 510BBA125M000AAGR | Skyworks | Si510 | XO | 125 MHz | LVDS | 3.3V | ±25ppm | -40°C ~ 85°C |
| 510BBA156M250AAGR | Skyworks | Si510 | XO | 156.25 MHz | LVDS | 3.3V | ±25ppm | -40°C ~ 85°C |
| 511ABA156M250AAGR | Skyworks | Si511 | XO | 156.25 MHz | LVPECL | 3.3V | ±25ppm | -40°C ~ 85°C |
| 511BBA200M000BAGR | Skyworks | Si511 | XO | 200 MHz | LVDS | 3.3V | ±25ppm | -40°C ~ 85°C |
| 510MCA50M0000AAGR | Skyworks | Si510 | XO | 50 MHz | CMOS | 3.3V | ±20ppm | -40°C ~ 85°C |
| 511BCA160M000BAGR | Skyworks | Si511 | XO | 160 MHz | LVDS | 3.3V | - | -40°C ~ 85°C |
| 510KBA100M000BAG | Skyworks | Si510 | XO | 100 MHz | CMOS | 1.8V | ±25ppm | -40°C ~ 85°C |
| 511BBA74M2500BAG | Skyworks | Si511 | XO | 74.25 MHz | LVDS | 3.3V | ±25ppm | -40°C ~ 85°C |
| 510BBA125M000BAG | Skyworks | Si510 | XO | 125 MHz | LVDS | 3.3V | ±25ppm | -40°C ~ 85°C |
| 511FBA125M000BAG | Skyworks | Si511 | XO | 125 MHz | LVDS | 2.5V | ±25ppm | -40°C ~ 85°C |
| 511BBA125M000BAG | Skyworks | Si511 | XO | 125 MHz | LVDS | 3.3V | ±25ppm | -40°C ~ 85°C |
| 510BBA100M000BAG | Skyworks | Si510 | XO | 100 MHz | LVDS | 3.3V | ±25ppm | -40°C ~ 85°C |
| 511FBA100M000BAG | Skyworks | Si511 | XO | 100 MHz | LVDS | 2.5V | ±25ppm | -40°C ~ 85°C |
| 510FBA125M000BAG | Skyworks | Si510 | XO | 125 MHz | LVDS | 2.5V | ±25ppm | -40°C ~ 85°C |
| 510KCA125M000BAG | Skyworks | Si510 | XO | 125 MHz | CMOS | 1.8V | ±20ppm | -40°C ~ 85°C |
| 511BBA000110BAG | Skyworks | Si511 | XO | 148.35165 MHz | LVDS | 3.3V | ±25ppm | -40°C ~ 85°C |
| 511FBA156M250BAG | Skyworks | Si511 | XO | 156.25 MHz | LVDS | 2.5V | ±25ppm | -40°C ~ 85°C |
| 511BBA148M500BAG | Skyworks | Si511 | XO | 148.5 MHz | LVDS | 3.3V | ±25ppm | -40°C ~ 85°C |
| 511JBA125M000BAG | Skyworks | Si511 | XO | 125 MHz | LVDS | 1.8V | ±25ppm | -40°C ~ 85°C |
| 511FBA200M000BAG | Skyworks | Si511 | XO | 200 MHz | LVDS | 2.5V | ±25ppm | -40°C ~ 85°C |
| 510BBA200M000BAG | Skyworks | Si510 | XO | 200 MHz | LVDS | 3.3V | ±25ppm | -40°C ~ 85°C |
| 511JBA100M000BAG | Skyworks | Si511 | XO | 100 MHz | LVDS | 1.8V | ±25ppm | -40°C ~ 85°C |
| 511FCA25M0000BAG | Skyworks | Si511 | XO | 25 MHz | LVDS | 2.5V | ±20ppm | -40°C ~ 85°C |
| 511FCA100M000BAG | Skyworks | Si511 | XO | 100 MHz | LVDS | 2.5V | ±20ppm | -40°C ~ 85°C |
| 511SBA156M250BAG | Skyworks | Si511 | XO | 156.25 MHz | CMOS | 1.8V | ±50ppm | -40°C ~ 85°C |
| 511JBA135M000BAG | Skyworks | Si511 | XO | 135 MHz | LVDS | 1.8V | ±25ppm | -40°C ~ 85°C |
| 511JBA200M000BAG | Skyworks | Si511 | XO | 200 MHz | LVDS | 1.8V | ±25ppm | -40°C ~ 85°C |
| 540BAA000274BBG | Skyworks | Si540 | XO | 322.265625 MHz | LVDS | 1.8V, 2.5V, 3.3V | ±20ppm | -40°C ~ 85°C |
| 530BA125M000DG | Skyworks | Si530 | XO | 125 MHz | LVDS | 3.3V | ±50ppm | -40°C ~ 85°C |
| 531BC106M250DG | Skyworks | Si531 | XO | 106.25 MHz | LVDS | 3.3V | ±7ppm | -40°C ~ 85°C |
| 535AC100M000DG | Skyworks | Si535 | XO | 100 MHz | LVPECL | 3.3V | ±7ppm | -40°C ~ 85°C |
| 510CBA25M0000BAGR | Skyworks | Si510 | XO | 25 MHz | CMOS | 3.3V | ±25ppm | -40°C ~ 85°C |
| 510CBA100M000BAGR | Skyworks | Si510 | XO | 100 MHz | CMOS | 3.3V | ±25ppm | -40°C ~ 85°C |
| 510CBA125M000BAGR | Skyworks | Si510 | XO | 125 MHz | CMOS | 3.3V | ±25ppm | -40°C ~ 85°C |
| 510CBA100M000AAGR | Skyworks | Si510 | XO | 100 MHz | CMOS | 3.3V | ±25ppm | -40°C ~ 85°C |
| 510GBA25M0000BAG | Skyworks | Si510 | XO | 25 MHz | CMOS | 2.5V | ±25ppm | -40°C ~ 85°C |
| 510KBA125M000BAGR | Skyworks | Si510 | XO | 125 MHz | CMOS | 1.8V | ±25ppm | -40°C ~ 85°C |
| 511BBA106M250AAGR | Skyworks | Si511 | XO | 106.25 MHz | LVDS | 3.3V | ±25ppm | -40°C ~ 85°C |
| 510KBA28M6363BAG | Skyworks | Si510 | XO | 28.6363 MHz | CMOS | 1.8V | ±25ppm | -40°C ~ 85°C |
| 511BBA106M250BAG | Skyworks | Si511 | XO | 106.25 MHz | LVDS | 3.3V | ±25ppm | -40°C ~ 85°C |
| 510KCA25M0000BAG | Skyworks | Si510 | XO | 25 MHz | CMOS | 1.8V | ±20ppm | -40°C ~ 85°C |
| 510KCB25M0000BAG | Skyworks | Si510 | XO | 25 MHz | CMOS | 1.8V | ±20ppm | -40°C ~ 85°C |
| 510CCA25M0000BAG | Skyworks | Si510 | XO | 25 MHz | CMOS | 3.3V | ±20ppm | -40°C ~ 85°C |
| 510CCA100M000BAG | Skyworks | Si510 | XO | 100 MHz | CMOS | 3.3V | ±20ppm | -40°C ~ 85°C |
| 511ABA156M250BAG | Skyworks | Si511 | XO | 156.25 MHz | LVPECL | 3.3V | ±25ppm | -40°C ~ 85°C |
| 510CBA50M0000AAG | Skyworks | Si510 | XO | 50 MHz | CMOS | 3.3V | ±25ppm | -40°C ~ 85°C |
| 510BBA156M250AAG | Skyworks | Si510 | XO | 156.25 MHz | LVDS | 3.3V | ±25ppm | -40°C ~ 85°C |
| 511BBA148M500AAG | Skyworks | Si511 | XO | 148.5 MHz | LVDS | 3.3V | ±25ppm | -40°C ~ 85°C |
| 511BBA156M250AAG | Skyworks | Si511 | XO | 156.25 MHz | LVDS | 3.3V | ±25ppm | -40°C ~ 85°C |
| 510ABA156M250AAG | Skyworks | Si510 | XO | 156.25 MHz | LVPECL | 3.3V | ±25ppm | -40°C ~ 85°C |
公司名:深圳市金洛鑫電子有限公司
聯系人:茹紅青
手機:13510569637
電話:0755-27837162
QQ號:657116624
微信公眾號:CITIZENCRYSTAL
搜狐公眾號:晶振石英晶振NDK晶振
郵箱:jinluodz@163.com
地址:深圳市寶安區41區甲岸路19號
相關的產品 / Related Products

- X32-12.000-12-10/20I,Mercury晶振,網絡應用晶振
- X32-12.000-12-10/20I,Mercury晶振,網絡應用晶振,作為臺灣瑪居禮晶振旗下網絡應用專用晶振,X32-12.000-12-10/20I以高頻穩定性與網絡適配性為核心優勢:通過先進的晶體切割與封裝工藝,實現12.000MHz高頻下的低相位噪聲,減少時鐘信號抖動,提升網絡數據傳輸的完整性;±10ppm的常溫頻率容差遠超普通民用晶振,可滿足網絡設備對時鐘精度的嚴苛要求.此外,產品優化了等效串聯電阻(ESR),在高頻工作狀態下仍能保持低信號損耗,適配網絡設備長時間高負載運行,特別適合企業級路由器,數據中心交換機,工業網關等對穩定性要求極高的網絡場景.

- Q8.0-JXG53P4-12-30/50-T1-LF,陶瓷晶振,5032晶體諧振器
- Q8.0-JXG53P4-12-30/50-T1-LF,陶瓷晶振,5032晶體諧振器,具備晶體諧振器功能,核心工作頻率穩定為8.0MHz,專為對時鐘信號有基礎需求且追求成本效益的電子設備設計.產品擁有±30ppm(常溫)與±50ppm(全溫域)的頻率容差,搭配T1型標準引腳配置及LF低功耗特性,無需額外驅動電路即可直接適配多數微控制器(MCU),小家電控制模塊的時鐘輸入接口,簡化硬件設計,廣泛適用于小型家電,消費類電子玩具,普通傳感器等場景.

- Q19.2-JXS32-12-10/20-T1-LF,Jauch無源晶振,3225石英晶振
- Q19.2-JXS32-12-10/20-T1-LF,Jauch無源晶振,3225石英晶振,作為歐美Jauch晶振旗下高穩定性無源晶振產品,Q19.2-JXS32-12-10/20-T1-LF以高精度頻率控制為核心優勢:通過優化的石英晶體切割工藝,實現±10ppm的初始頻率偏差,在-40℃~85℃工業溫域內仍能保持±20ppm的穩定輸出,有效避免溫度波動導致的設備時鐘漂移.同時,3225超小封裝設計滿足小型化設備的布局需求,LF低功耗特性可降低系統整體能耗,特別適合物聯網傳感器,便攜式醫療設備等對穩定性與功耗雙重敏感的應用場景.
JLX-PD
金洛鑫產品系列
PRODUCT LINE
石英晶振
QuartzCrystal
- KDS晶振
- 愛普生晶振
- NDK晶振
- 京瓷晶振
- 精工晶振
- 西鐵城晶振
- 大河晶振
- 村田晶振
- 泰藝晶振
- TXC晶振
- 鴻星晶振
- 希華晶振
- 加高晶振
- 百利通亞陶晶振
- 嘉碩晶振
- 津綻晶振
- 瑪居禮晶振
- 富士晶振
- SMI晶振
- Lihom晶振
- SHINSUNG晶振
- NAKA晶振
- AKER晶振
- NKG晶振
- NJR晶振
- Sunny晶振
貼片晶振
SMDcrystal
- CTS晶振
- 微晶晶振
- 瑞康晶振
- 康納溫菲爾德晶振
- 高利奇晶振
- Jauch晶振
- AbraconCrystal晶振
- 維管晶振
- ECScrystal晶振
- 日蝕晶振
- 拉隆晶振
- 格林雷晶振
- SiTimeCrystal晶振
- IDTcrystal晶振
- PletronicsCrystal晶振
- StatekCrystal晶振
- AEK晶振
- AEL晶振
- Cardinal晶振
- Crystek晶振
- Euroquartz晶振
- Fox晶振
- Frequency晶振
- GEYER晶振
- KVG晶振
- ILSI晶振
- Mmdcomp晶振
- MtronPTI晶振
- QANTEK晶振
- QuartzCom晶振
- Quarztechnik晶振
- Suntsu晶振
- Transko晶振
- Wi2Wi晶振
- ITTI晶振
- Oscilent晶振
- ACT晶振
- Rubyquartz晶振
- MTI-milliren晶振
- PDI晶振
- IQD晶振
- Microchip晶振
- Silicon晶振
- Anderson晶振
- Fortiming晶振
- CORE晶振
- NIPPON晶振
- NIC晶振
- QVS晶振
- Bomar晶振
- Bliley晶振
- GED晶振
- FILTRONETICS晶振
- STD晶振
- Q-Tech晶振
- Wenzel晶振
- NEL晶振
- EM晶振
- PETERMANN晶振
- FCD-Tech晶振
- HEC晶振
- FMI晶振
- Macrobizes晶振
- AXTAL晶振
- ARGO晶振
- 瑞薩renesas晶振
- Skyworks晶振

手機版















