Abracon晶振,石英晶體,AB26TRJ晶振
頻率:32.768KHz
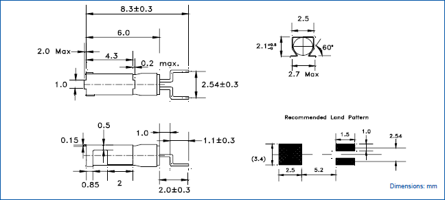
尺寸:8.3*2.7mm
Abracon提供了廣泛的石英定時晶體和振蕩器,MEMS振蕩器,實時時鐘(RTC),藍牙模塊,陶瓷諧振器,鋸濾器和諧振器,功率和射頻電感,變壓器,電路保護元件和射頻天線和無線充電線圈.我們廣泛的產品線服務于商業,工業,消費者和選擇的軍事應用,并通過Abracon的全球分銷網絡提供.低頻無源晶體,32.768K彎角插件晶振,AB26TRJ晶振
Abracon晶振,石英晶體,AB26TRJ晶振,是一款極其耐高溫的8.3*2.7mm彎角插件型32.768K晶振,振蕩時可承受的溫度范圍是-40℃~+85℃,保存溫度在-55℃~125℃之間,達到SMD型石英晶振的普通型標準,在插件晶振里非常少,AB26TRJ晶振也因此受到廣大客戶群體的支持,被廣泛應用在消費級電子數碼產品身上.
石英晶振高精度晶片的拋光技術:貼片晶振是目前晶片研磨技術中表面處理技術的最高技術,最終使晶振晶片表面更光潔,平行度及平面度更好,降低諧振電阻,提高Q值.從而達到一般研磨所達不到的產品性能,使石英晶振的等效電阻等更接近理論值,使晶振可在更低功耗下工作.使用先進的牛頓環及單色光的方法去檢測晶片表面的狀態.
|
Abracon晶振 |
單位 |
AB15T晶振 |
石英晶振基本條件 |
|
標準頻率 |
f_nom |
32.768KHZ |
標準頻率 |
|
儲存溫度 |
T_stg |
-55°C ~ +125°C |
裸存 |
|
工作溫度 |
T_use |
-40°C ~ +85°C |
標準溫度 |
|
激勵功率 |
DL |
1μW Max. |
推薦:1μW ~ 100μW |
|
頻率公差 |
f_— l |
±20 × 10-6 (標準) |
+25°C 對于超出標準的規格說明, |
|
頻率溫度特征 |
f_tem |
±30 × 10-6/-20°C ~ +70°C |
超出標準的規格請聯系我們. |
|
負載電容 |
CL |
12.5pF |
不同負載要求,請聯系我們. |
|
串聯電阻(ESR) |
R1 |
如下表所示 |
-40°C — +85°C, DL = 100μW |
|
頻率老化 |
f_age |
±3 × 10-6 / year Max. |
+25°C,第一年 |
抗沖擊
貼片晶振可能會在某些條件下受到損壞。例如從桌上跌落或在貼裝過程中受到沖擊。如果產品已受過沖擊請勿使用。低頻無源晶體,32.768K彎角插件晶振,AB26TRJ晶振
輻射
暴露于輻射環境會導致石英晶體諧振器性能受到損害,因此應避免照射。
化學制劑 / pH值環境
請勿在PH值范圍可能導致腐蝕或溶解進口晶振或包裝材料的環境下使用或儲藏這些產品。
粘合劑
請勿使用可能導致SMD晶振所用的封裝材料,終端,組件,玻璃材料以及氣相沉積材料等受到腐蝕的膠粘劑。 (比如,氯基膠粘劑可能腐蝕一個晶體單元的金屬“蓋”,從而破壞密封質量,降低性能。)
鹵化合物
請勿在鹵素氣體環境下使用進口晶振。即使少量的鹵素氣體,比如在空氣中的氯氣內或封裝所用金屬部件內,都可能產生腐蝕。同時,請勿使用任何會釋放出鹵素氣體的樹脂。Abracon晶振,石英晶體,AB26TRJ晶振
靜電
過高的靜電可能會損壞無源晶振,請注意抗靜電條件。請為容器和封裝材料選擇導電材料。在處理的時候,請使用電焊槍和無高電壓泄漏的測量電路,并進行接地操作。
1、振蕩電路
音叉水晶振動子是無源元件,因此受到電源電壓、環境溫度、電路的影響。
配置、電路常數和襯底布線模式等操作大致分為正常運行和
異常運行。因此,在振蕩電路的設計中,先決條件之一是如何確定振蕩電路。
晶體諧振器的振動安全穩定。只有在做出了這個決定之后,后續的項目,例如
討論了頻率精度、頻率變化、調制度、振蕩起始時間和振蕩波形。Abracon晶振,石英晶體,AB26TRJ晶振
2。角色的分量與參考值
在振蕩電路的設計中,必須認識到個體的作用。
組件.在表1中,以例如振蕩電路為例來描述角色。
(圖1)使用一個通用的C-MOS IC(74hcuo4ap東芝)。
當反饋電阻(rf)未安裝在振蕩電路中時,如圖所示
表1,即使在振蕩功率作用下,諧振器也不會啟動振蕩。
電路。除非有適當值的電阻器連接,否則32.768K系列晶體振蕩不會啟動。
晶體諧振腔的形式模式,但泛音振蕩或基波。
振蕩開始代替。在基本諧振的情況下(MHz頻段)反饋電阻通常是1米?。在
泛音諧振器(兆赫頻帶)的情況下,值取決于IC和頻率特性,但在幾個范圍內。
K?-?幾十K。在音叉式諧振器的案例(kHz頻段),需要連接一個電阻10米或更?。
限制流入諧振器的電流,調節負電阻和勵磁。
電平,防止諧振腔的反常振蕩,抑制頻率波動。
C1、C2電容器調節負電阻、勵磁電平和振蕩頻率。還設置有
給定負載能力。
適當的控制電阻值(RD)取決于進口彎腳晶振的類型,頻帶和設備的價值。
電容器(C1,C2)。精確值是通過測量振蕩電路的特性來確定的(包括
負電阻和驅動級)。AT切割諧振器(兆赫頻帶)的參考值在幾個范圍內。
?幾K?。音叉式諧振器(kHz頻段)的參考值在100 K?幾K?范圍。低頻無源晶體,32.768K彎角插件晶振,AB26TRJ晶振
安裝電容器的適當值取決于諧振器的類型、頻帶、控制電阻器的值和
振蕩的順序,在3 pF的范圍內- 33 pF左右,僅供參考。
公司名:深圳市金洛鑫電子有限公司
聯系人:茹紅青
手機:13510569637
電話:0755-27837162
QQ號:657116624
微信公眾號:CITIZENCRYSTAL
搜狐公眾號:晶振石英晶振NDK晶振
郵箱:jinluodz@163.com
地址:深圳市寶安區41區甲岸路19號
相關的產品 / Related Products

- 愛普生晶振,SMD晶振,MC-156晶振,MC-156 32.7680KA-A0:ROHS
工作溫度:-40℃~+55℃
保存溫度:-55℃~+125℃
負載電容:12.5pF
貼片石英晶體,體積小,焊接可采用自動貼片系統,產品本身小型,表面貼片晶振,特別適用于有小型化要求的電子數碼產品市場領域,晶振產品本身可發揮優良的電氣特性,滿足無鉛焊接的高溫回流溫度曲線要求."MC-156 32.7680KA-A0:ROHS"
JLX-PD
金洛鑫產品系列
PRODUCT LINE
石英晶振
QuartzCrystal
- KDS晶振
- 愛普生晶振
- NDK晶振
- 京瓷晶振
- 精工晶振
- 西鐵城晶振
- 大河晶振
- 村田晶振
- 泰藝晶振
- TXC晶振
- 鴻星晶振
- 希華晶振
- 加高晶振
- 百利通亞陶晶振
- 嘉碩晶振
- 津綻晶振
- 瑪居禮晶振
- 富士晶振
- SMI晶振
- Lihom晶振
- SHINSUNG晶振
- NAKA晶振
- AKER晶振
- NKG晶振
- NJR晶振
- Sunny晶振
貼片晶振
SMDcrystal
- CTS晶振
- 微晶晶振
- 瑞康晶振
- 康納溫菲爾德晶振
- 高利奇晶振
- Jauch晶振
- AbraconCrystal晶振
- 維管晶振
- ECScrystal晶振
- 日蝕晶振
- 拉隆晶振
- 格林雷晶振
- SiTimeCrystal晶振
- IDTcrystal晶振
- PletronicsCrystal晶振
- StatekCrystal晶振
- AEK晶振
- AEL晶振
- Cardinal晶振
- Crystek晶振
- Euroquartz晶振
- Fox晶振
- Frequency晶振
- GEYER晶振
- KVG晶振
- ILSI晶振
- Mmdcomp晶振
- MtronPTI晶振
- QANTEK晶振
- QuartzCom晶振
- Quarztechnik晶振
- Suntsu晶振
- Transko晶振
- Wi2Wi晶振
- ITTI晶振
- Oscilent晶振
- ACT晶振
- Rubyquartz晶振
- MTI-milliren晶振
- PDI晶振
- IQD晶振
- Microchip晶振
- Silicon晶振
- Anderson晶振
- Fortiming晶振
- CORE晶振
- NIPPON晶振
- NIC晶振
- QVS晶振
- Bomar晶振
- Bliley晶振
- GED晶振
- FILTRONETICS晶振
- STD晶振
- Q-Tech晶振
- Wenzel晶振
- NEL晶振
- EM晶振
- PETERMANN晶振
- FCD-Tech晶振
- HEC晶振
- FMI晶振
- Macrobizes晶振
- AXTAL晶振
- ARGO晶振
- 瑞薩renesas晶振
- Skyworks晶振

手機版













