CTS晶振,DIP插件晶振,ATS晶振
頻率:3.200MHz~64.000MHz
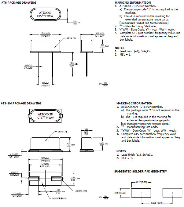
尺寸:10.85*4.5mm
消費電子制造業的發展促使許多美國的電子制造商在亞洲開展業務。1968,CTS在臺灣建立了一個生產工廠,為北美原始設備制造商提供離岸生產設備,并與亞洲低成本零部件生產商進行合作。在1980年初的CTS獲得了成功的連接器和背板制造商在北美洲和蘇格蘭的業務。此外,蘇格蘭的連接為CTS的石英晶體振蕩器產品打開了許多新的歐洲市場機會,并繼續提供創新的解決方案,利用金屬陶瓷技術為國內汽車制造商提供可靠的引擎蓋位置傳感器。ATS200C-E晶振,20M插件晶振,ATS晶振
CTS晶振集團運用ISO14001環境管理系統進行環境管理,盡最大可能減小業務活動對環境造成的負擔,并通過業務發展推進環境改善。CTS晶振遵守所有適用的有關環境、健康和安全的法律和法規,以及CTS晶振集團自己的有關環境、工業衛生和安全的方針和承諾。將貼片晶振生產活動中的環境因素和環境影響的分析納入我們的決策中來,確保活動中每一分子的運作和發展都體現對污染預防方針的貫徹。
CTS晶振,DIP插件晶振,ATS晶振.10.85*4.5mm插件石英晶振最適合用于比較低端的電子產品,比如兒童玩具,普通家用電器,即使在汽車電子領域中也能使產品高可靠性的使用.并且可用于安全控制裝置的CPU時鐘信號發生源部分,好比時鐘單片機上的石英晶振,在極端嚴酷的環境條件下,晶振也能正常工作,具有穩定的起振特性,高耐熱性,耐熱循環性和耐振性等的高可靠性能.
CTS石英晶振真空退火技術:晶振高真空退火處理是消除貼片晶振在加工過程中產生的應力及輕微表面缺陷。在PLC控制程序中輸入已設計好的溫度曲線,使真空室溫度跟隨設定曲線對晶體組件進行退火,石英晶振通過合理的真空退火技術可提高晶振主要參數的穩定性,以及提高石英晶振的年老化特性。
|
CTS晶振 |
單位 |
ATS晶振 |
石英晶振基本條件 |
|
標準頻率 |
f_nom |
3.200MHz~64.000MHz |
標準頻率 |
|
儲存溫度 |
T_stg |
-40°C ~+85C |
裸存 |
|
工作溫度 |
T_use |
-40°C~+85°C |
標準溫度 |
|
激勵功率 |
DL |
100/1000μW Max. |
推薦:10μW ~200μW |
|
頻率公差 |
f_— l |
±30× 10-6 (標準) |
+25°C 對于超出標準的規格說明, |
|
頻率溫度特征 |
f_tem |
±50 × 10-6/-20°C~+70°C |
超出標準的規格請聯系我們. |
|
負載電容 |
CL |
8pF~30PF |
不同負載電容要求,請聯系我們. |
|
串聯電阻(ESR) |
R1 |
如下表所示 |
-40°C~+85°C, DL = 100μW |
|
頻率老化 |
f_age |
±3× 10-6 / year Max. |
+25°C,第一年 |
<晶體諧振器>
如果過大的激勵電力對無源晶振外加電壓,有可能導致特性老化或損壞,因此請在宣傳冊、規格書中規定的范圍內使用。讓無源晶振振蕩的電路寬裕度大致為負性阻抗值。本公司推薦此負性阻抗為諧振器串聯電阻規格值的5倍以上,若是車載和安全設備,則推薦10倍 以上。ATS200C-E晶振,20M插件晶振,ATS晶振
<晶體振蕩器>
晶體振蕩器的內部電路使用C-MOS。閉鎖、靜電對策請和一般的C-MOS IC一樣考慮。有些有源晶振沒有和旁路電容器進行內部連接。使用時,請在Vdd-GND之間用0.01μF左右的高頻特性較好的電容器(陶瓷片狀電容器等)以 最短距離連接。關于個別機型請確認宣傳冊、規格書。
<晶體濾波器>
注意電路板圖形的配置,避免輸入端子和輸出端子靠得太近。如果貼裝晶體濾光片的電路板的雜散電容較大,為了消除該雜散電容,有時需要配置調諧電路。如果過大的激勵電力對諧振器外加電壓,有可能導致特性老化或損壞,因此請在濾波器的輸入電平在−10dBm以下的狀態下使用。
<光學產品>
由于制造過程中進行了灰塵等異物管理,因此包裝開封以后,請在進行清潔度管理的環境中使用。CTS晶振,DIP插件晶振,ATS晶振
振蕩電路的檢查方法
振蕩頻率測量
必須盡可能地測量安裝在電路上的引腳型石英晶振的振蕩頻率的真實值,
使用正確的方法。在振蕩頻率的測量中,通常使用探頭和頻率計數器。然而,
我們的目標是通過限制測量工具對振蕩電路本身的影響來測量。CTS晶振,DIP插件晶振,ATS晶振
有三種頻率測量模式,如下面的圖所示(圖)。2, 3和4)。最
精確的測量方法是通過使用任何能夠精確測量的頻譜分析儀來實現的。
接觸振蕩電路。
探針不影響圖2,因為緩沖器的輸出是通過輸入振蕩電路的輸出來測量的。
逆變器進入下一階段。
探針不影響圖3,因為在IC上測量緩沖器輸出(1/1、1/2等)。
圖4示出了來自ic的無緩沖器輸出接收的情況,由此通過小尺寸測量來最小化探針的效果。
輸出點之間的電容(3 pF以下XTAL終端IC)和探針。
然而,應該注意到,使用這種方法49S型插件晶振輸出波形較小,測量不能依賴于
即使示波器能檢查振蕩波形,頻率計數器的靈敏度也可以。在這種情況下,使用放大器來測量。ATS200C-E晶振,20M插件晶振,ATS晶振
此外,橢圓形插件晶振振蕩頻率與測量點不同。
1。測量緩沖輸出
2。振蕩級輸出測量
三.通過電容器測量振蕩級輸出
圖5示出以上1-3個測量點和所測量的
除緩沖器輸出外,振蕩頻率較低。
公司名:深圳市金洛鑫電子有限公司
聯系人:茹紅青
手機:13510569637
電話:0755-27837162
QQ號:657116624
微信公眾號:CITIZENCRYSTAL
搜狐公眾號:晶振石英晶振NDK晶振
郵箱:jinluodz@163.com
地址:深圳市寶安區41區甲岸路19號
相關的產品 / Related Products

- FC6AS智能語音助手晶振,FOX低抖動晶振,FC6ASCCEF25.0-T1晶振
- FOX環保無鉛晶振,FC6AS進口無源晶振,FC6ASCCMF18.432-T1電腦主板晶振,美國FOX晶振,超小型晶振,FC6AS晶振,FC6ASCCMF18.432-T1晶振,石英晶體,6035晶振,高精度晶振.無源晶振,福克斯晶振,微型晶振,SMD晶振,無人機晶振。低損耗晶振,環保無鉛晶振,無源晶振,進口晶振,四腳晶振,小型晶振,低成本晶振,移動網絡晶振,智能手表晶振,環保晶振,特點:通過AEC Q200認證,IATF-16949質量管理體系,公差低至±10ppm,穩定性低至±20ppm。

- FC7ASBAMM9.216-T1車載多媒體晶振,福克斯無源貼片晶體,FC7AS環保晶振
- FC7ASBAMM9.216-T1車載多媒體晶振,福克斯無源貼片晶體,FC7AS環保晶振,美國FOX晶振,高精度晶振,FC7AS晶振,FC7ASBAMM9.216-T1晶振,石英晶體,7550晶振,四腳晶振.無源晶振,福克斯晶振,微型晶振,SMD晶振,無人機晶振。低損耗晶振,環保無鉛晶振,無源晶振,進口晶振,超小型晶振,小型晶振,低成本晶振,移動網絡晶振,智能手表晶振,環保晶振。特點:通過AEC Q200認證,IATF-16949質量管理體系,公差低至±10ppm,穩定性低至±20ppm。

- FC7AS進口晶振,FOX電腦顯卡晶振,FC7ASBBMD24.576-T2高精度晶振
- FC7AS進口晶振,FOX電腦顯卡晶振,FC7ASBBMD24.576-T2高精度晶振,美國FOX晶振,高精度晶振,FC7AS晶振,FC7ASBBMD24.576-T2晶振,石英晶體,7550晶振,四腳晶振.特點:通過AEC Q200認證,IATF-16949質量管理體系,公差低至±10ppm,穩定性低至±20ppm。無源晶振,福克斯晶振,微型晶振,SMD晶振,無人機晶振。低損耗晶振,環保無鉛晶振,無源晶振,進口晶振,超小型晶振,小型晶振,低成本晶振,移動網絡晶振,智能手表晶振,環保晶振。
JLX-PD
金洛鑫產品系列
PRODUCT LINE
石英晶振
QuartzCrystal
- KDS晶振
- 愛普生晶振
- NDK晶振
- 京瓷晶振
- 精工晶振
- 西鐵城晶振
- 大河晶振
- 村田晶振
- 泰藝晶振
- TXC晶振
- 鴻星晶振
- 希華晶振
- 加高晶振
- 百利通亞陶晶振
- 嘉碩晶振
- 津綻晶振
- 瑪居禮晶振
- 富士晶振
- SMI晶振
- Lihom晶振
- SHINSUNG晶振
- NAKA晶振
- AKER晶振
- NKG晶振
- NJR晶振
- Sunny晶振
貼片晶振
SMDcrystal
- CTS晶振
- 微晶晶振
- 瑞康晶振
- 康納溫菲爾德晶振
- 高利奇晶振
- Jauch晶振
- AbraconCrystal晶振
- 維管晶振
- ECScrystal晶振
- 日蝕晶振
- 拉隆晶振
- 格林雷晶振
- SiTimeCrystal晶振
- IDTcrystal晶振
- PletronicsCrystal晶振
- StatekCrystal晶振
- AEK晶振
- AEL晶振
- Cardinal晶振
- Crystek晶振
- Euroquartz晶振
- Fox晶振
- Frequency晶振
- GEYER晶振
- KVG晶振
- ILSI晶振
- Mmdcomp晶振
- MtronPTI晶振
- QANTEK晶振
- QuartzCom晶振
- Quarztechnik晶振
- Suntsu晶振
- Transko晶振
- Wi2Wi晶振
- ITTI晶振
- Oscilent晶振
- ACT晶振
- Rubyquartz晶振
- MTI-milliren晶振
- PDI晶振
- IQD晶振
- Microchip晶振
- Silicon晶振
- Anderson晶振
- Fortiming晶振
- CORE晶振
- NIPPON晶振
- NIC晶振
- QVS晶振
- Bomar晶振
- Bliley晶振
- GED晶振
- FILTRONETICS晶振
- STD晶振
- Q-Tech晶振
- Wenzel晶振
- NEL晶振
- EM晶振
- PETERMANN晶振
- FCD-Tech晶振
- HEC晶振
- FMI晶振
- Macrobizes晶振
- AXTAL晶振
- ARGO晶振
- 瑞薩renesas晶振
- Skyworks晶振

手機版













