愛普生晶振,圓柱晶振,CA-301晶體,CA-301 16.0000M-C:PBFREE
頻率:4.000MHz~64.000MHz
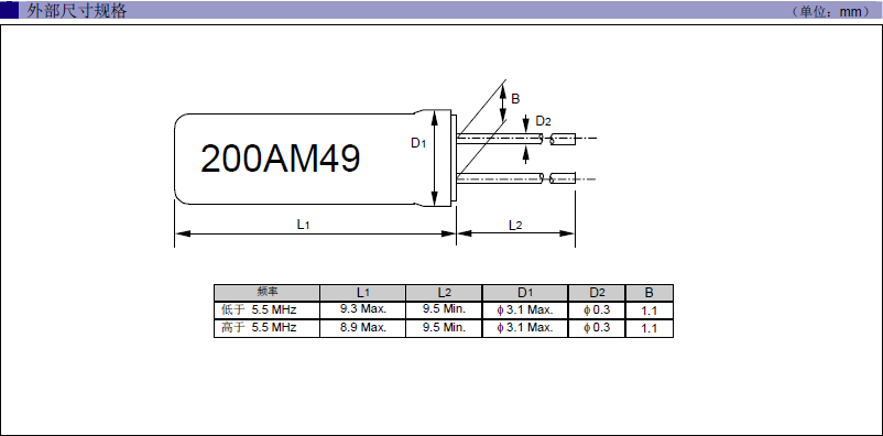
尺寸:9.3*3.1mm
產品可發揮晶振優良的電氣特性,符合RoHS規定,滿足無鉛焊接的高溫回流溫度曲線要求,金屬外殼的封裝使得產品在封裝時能發揮比陶瓷諧振器外殼更好的耐沖擊性.
精工愛普生株式會社(總經理:碓井 稔,以下簡稱為“愛普生”)在2008年正式和深圳市金洛鑫電子有限公司簽訂在中國區域深圳總代理簽訂合作協議,在同年期間蘇州愛普生水晶宣布將高端的石英晶體振蕩器生產重心轉移到中國蘇州愛普生工廠生產,并且成立研發中心.在2010年全球晶振廠家排名中,占據首位.愛普生僅此一項水晶振動子行業就能足矣讓電子世界的人都敬佩不已."CA-301 16.0000M-C:PBFREE"
愛普生晶振,圓柱晶振,CA-301晶體,"CA-301 16.0000M-C:PBFREE",是市面上少有的MHZ級圓柱型石英晶體諧振器,通過了歐盟的ROHS認證,當之無愧的環保晶振產品,MC-301晶體被確認為是最適合用于集成電路里的時鐘設置系列,時間誤差可以精準到秒,可應對4.000MHz以上的晶振頻率要求.MHZ圓柱晶體,無源插件晶體,CA-301晶振
愛普生晶振
單位
CA-301晶振
石英晶振基本條件
標準頻率
f_nom
12.00MHZ~54.0MHZ
標準頻率
儲存溫度
T_stg
-40°C ~ +125°C
裸存
工作溫度
T_use
-40°C ~ +85°C
標準溫度
激勵功率
DL
200μW Max.
推薦:1μW ~ 100μW
頻率公差
f_— l
±50 × 10-6 (標準),
+25°C 對于超出標準的規格說明,
頻率溫度特征
f_tem
±30 × 10-6/-20°C ~ +70°C
超出標準的規格請聯系我們.
負載電容
CL
8pF ,10PF,12PF,20PF
不同負載電容要求,請聯系我們.
串聯電阻(ESR)
R1
如下表所示
-40°C — +85°C, DL = 100μW
頻率老化
f_age
±5 × 10-6 / year Max.
+25°C,第一年
(±15 × 10-6 ~ ±50 × 10-6 可用)
請聯系我們以便獲取相關的信息, http://www.sdws.net/
機械振動的影響
當CA-301石英晶體諧振器產品上存在任何給定沖擊或受到周期性機械振動時,比如:壓電揚聲器,壓電蜂鳴器,以及喇叭等,輸出頻率和幅度會受到影響。這種現象對通信器材通信質量有影響。盡管晶體產品設計可最小化這種機械振動的影響,我們推薦事先檢查并按照下列安裝指南進行操作。愛普生晶振,圓柱晶振,CA-301晶體
PCB設計指導
(1) 理想情況下,機械蜂鳴器應安裝在一個獨立于MHZ圓形晶體器件的PCB板上。如果您安裝在同一個PCB板上,最好使用余量或切割PCB。當應用于PCB板本身或PCB板體內部時,機械振動程度有所不同。建議遵照內部板體特性。
(2)在設計時請參考相應的推薦封裝。
(3)在使用焊料助焊劑時,按JIS標準(JIS C 60068-2-20/IEC 60,068-2-20).來使用。
(4)請按JIS標準(JIS Z 3282, Pb 含量 1000ppm, 0.1wt% 或更少)來使用無鉛焊料。
存儲事項
(1)在更高或更低溫度或高濕度環境下長時間保存進口貼片晶振產品時,會影響頻率穩定性或焊接性。請在正常溫度和濕度環境下保存這些圓柱插件晶振產品,并在開封后盡可能進行安裝,以免長期儲藏。
正常溫度和濕度:
溫度:+15°C 至 +35°C,濕度 25 % RH 至 85 % RH(請參閱“測試點JIS C 60068-1 / IEC 60068-1的標準條件”章節內容)。
(2)請仔細處理內外盒與卷帶。外部壓力會導致卷帶受到損壞。MHZ圓柱晶體,無源插件晶體,CA-301晶振,"CA-301 16.0000M-C:PBFREE"
2、輸出波形與測試電路
1.時序表
2.測試條件
(1)電源電壓
超過 150µs,直到電壓級別從 0 %達到 90 % 。
電源電壓阻抗低于電阻 2Ω。MHZ圓柱晶體,無源插件晶體,CA-301晶振
(2)其他
輸入電容低于 15 pF
5倍頻率范圍或更多測量頻率。
鉛探頭應盡可能短。
測量頻率時,探頭阻抗將高于 1MΩ。當波形經過振蕩器的放大器時,可同時進行測量。
(3)其他
CL包含探頭電容。
應使用帶有小的內部阻抗的電表。
使用微型插槽,以觀察波形。
(請勿使用該探頭的長接地線。)愛普生晶振,圓柱晶振,CA-301晶體
3.測試電路
公司名:深圳市金洛鑫電子有限公司
聯系人:茹紅青
手機:13510569637
電話:0755-27837162
QQ號:657116624
微信公眾號:CITIZENCRYSTAL
搜狐公眾號:晶振石英晶振NDK晶振
郵箱:jinluodz@163.com
地址:深圳市寶安區41區甲岸路19號
相關的產品 / Related Products
JLX-PD
金洛鑫產品系列
PRODUCT LINE
石英晶振
QuartzCrystal
- KDS晶振
- 愛普生晶振
- NDK晶振
- 京瓷晶振
- 精工晶振
- 西鐵城晶振
- 大河晶振
- 村田晶振
- 泰藝晶振
- TXC晶振
- 鴻星晶振
- 希華晶振
- 加高晶振
- 百利通亞陶晶振
- 嘉碩晶振
- 津綻晶振
- 瑪居禮晶振
- 富士晶振
- SMI晶振
- Lihom晶振
- SHINSUNG晶振
- NAKA晶振
- AKER晶振
- NKG晶振
- NJR晶振
- Sunny晶振
貼片晶振
SMDcrystal
- CTS晶振
- 微晶晶振
- 瑞康晶振
- 康納溫菲爾德晶振
- 高利奇晶振
- Jauch晶振
- AbraconCrystal晶振
- 維管晶振
- ECScrystal晶振
- 日蝕晶振
- 拉隆晶振
- 格林雷晶振
- SiTimeCrystal晶振
- IDTcrystal晶振
- PletronicsCrystal晶振
- StatekCrystal晶振
- AEK晶振
- AEL晶振
- Cardinal晶振
- Crystek晶振
- Euroquartz晶振
- Fox晶振
- Frequency晶振
- GEYER晶振
- KVG晶振
- ILSI晶振
- Mmdcomp晶振
- MtronPTI晶振
- QANTEK晶振
- QuartzCom晶振
- Quarztechnik晶振
- Suntsu晶振
- Transko晶振
- Wi2Wi晶振
- ITTI晶振
- Oscilent晶振
- ACT晶振
- Rubyquartz晶振
- MTI-milliren晶振
- PDI晶振
- IQD晶振
- Microchip晶振
- Silicon晶振
- Anderson晶振
- Fortiming晶振
- CORE晶振
- NIPPON晶振
- NIC晶振
- QVS晶振
- Bomar晶振
- Bliley晶振
- GED晶振
- FILTRONETICS晶振
- STD晶振
- Q-Tech晶振
- Wenzel晶振
- NEL晶振
- EM晶振
- PETERMANN晶振
- FCD-Tech晶振
- HEC晶振
- FMI晶振
- Macrobizes晶振
- AXTAL晶振
- ARGO晶振
- 瑞薩renesas晶振
- Skyworks晶振

手機版










晶振技術參數點擊下載
