瑞康晶振,壓控溫補晶體振蕩器,CFPT9000晶振
頻率:1.200MHz~40.000MHz
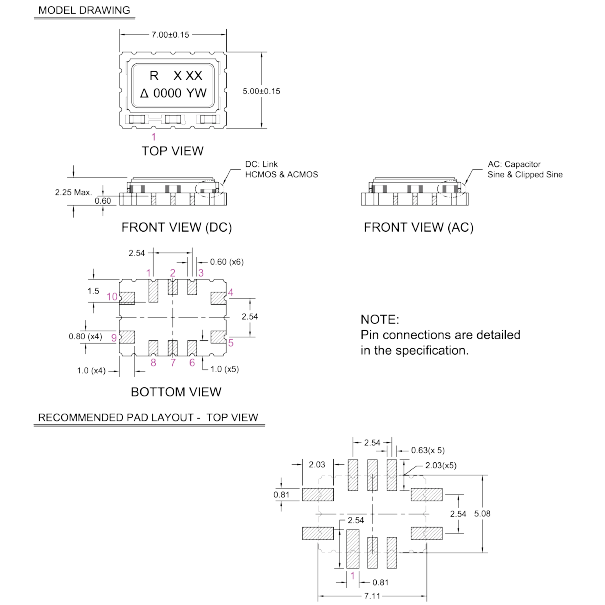
尺寸:7.0*5.0*2.25mm
貼片式石英晶體振蕩器,低電壓啟動功率,并且有多種電壓供選擇,比如有1.8V,2.5V,3.3V,3.8V,5V等,產品被廣泛應用于,平板筆記本,GPS系統,光纖通道,千兆以太網,串行ATA,串行連接SCSI,PCI-Express的SDH / SONET發射基站等領域.符合RoHS/無鉛.
主要以貼片晶振技術為基礎,利用其獨特和自然的壓電性能,瑞康產品創造出非常精確的電信號。這些信號用于在最苛刻的通信應用中產生無線電波并同步時間。更高的性能和更低的成本意味著數量在持續增長,并且在諸如地理標記和基于位置的社交網絡等應用中,更多的用途正在迅速涌現。7050石英溫補晶振,環保型石英晶體振蕩器,CFPT9000晶振
瑞康石英晶振真空退火技術:晶振高真空退火處理是消除貼片晶振在加工過程中產生的應力及輕微表面缺陷。在PLC控制程序中輸入已設計好的溫度曲線,使真空室溫度跟隨設定曲線對晶體組件進行退火,石英晶振通過合理的真空退火技術可提高晶振主要參數的穩定性,以及提高石英晶振的年老化特性。
|
瑞康晶振 |
CFPT9000晶振 |
|
溫補晶振頻率 |
1.200MHz~40.000MHz |
|
常用標準頻率 |
16.3676/ 16.368/ 16.369/ 16.8/18.414/ 23.104/ 24.5535/ 26MHz |
|
工作電壓 |
+1.8V+2.5V +2.8V +3.0V +3.3V +5.0V+6.0V(代表值) |
|
靜態電流 |
(工作時)+1.2 mA max. (F≦15MHz) +1.4 mA max. (15<F≦26MHz) |
|
TCXO輸出電壓 |
0.8Vp-p min. |
|
TCXO輸出負載 |
(10kΩ//10pF) ±10% |
|
常規溫度偏差 |
±1.5×10-6 (After 2 reflows) |
|
頻率溫度偏差 |
±0.5×10-6/-30℃~+85℃ |
|
±0.5×10-6/-40℃~+85℃ |
關于一般清洗液的使用以及超聲波清洗沒有問題,但這僅僅是對單個有源晶體產品進行試驗所得的結果,因此請根據實際使用狀態進行確認。7050石英溫補晶振,環保型石英晶體振蕩器,CFPT9000晶振
由于音叉型晶體諧振器的頻率范圍和超聲波清洗機的清洗頻率很近,容易受到共振破壞,因此請盡可能避免超聲波清洗。
若要進行超聲波清洗,必須事先根據實際使用狀態進行確認。
撞擊
雖然進口貼片晶振產品在設計階段已經考慮到其耐撞擊性,但如果掉到地板上或者受到過度的撞擊,以防萬一還是要檢查特性后再使用。
裝載
<SMD產品>
SMD晶體產品支持自動貼裝,但還是請預先基于所使用的搭載機實施搭載測試,確認其對特性沒有影響。 在切斷工序等會導致基板發生翹曲的工序中,請注意避免翹曲影響到產品的特性以及軟焊。 基于超聲波焊接的貼裝以及加工會使得進口晶振產品(諧振器、振蕩器、濾波器)內部傳播過大的振動,有可能導致特性老化以及引起不振蕩,因此不推薦使 用。
<引線類型產品>
當引線彎折、成型以及貼裝到印制電路板時,請注意避免對基座玻璃部分施加壓力。否則有可能導致玻璃出現裂痕,從而引起性能劣化。瑞康晶振,溫補晶體振蕩器,CFPT9000晶振
保管
保管在高溫多濕的場所可能會導致端子軟焊性的老化。
請在沒有直射陽光,不發生結露的場所保管。
振蕩電路的檢查方法
振蕩頻率測量
必須盡可能地測量安裝在電路上的溫度補償晶振的振蕩頻率的真實值,
使用正確的方法。在振蕩頻率的測量中,通常使用探頭和頻率計數器。然而,
我們的目標是通過限制測量工具對振蕩電路本身的影響來測量。瑞康晶振,溫補晶體振蕩器,CFPT9000晶振
有三種頻率測量模式,如下面的圖所示(圖)。2, 3和4)。最
精確的測量方法是通過使用任何能夠精確測量的頻譜分析儀來實現的。
接觸振蕩電路。
探針不影響圖2,因為緩沖器的輸出是通過輸入振蕩電路的輸出來測量的。
逆變器進入下一階段。
探針不影響圖3,因為在IC上測量緩沖器輸出(1/1、1/2等)。
圖4示出了來自ic的無緩沖器輸出接收的情況,由此通過小尺寸測量來最小化探針的效果。
輸出點之間的電容(3 pF以下XTAL終端IC)和探針。
然而,應該注意到,使用這種方法瑞康OSC振蕩器輸出波形較小,測量不能依賴于
即使示波器能檢查振蕩波形,頻率計數器的靈敏度也可以。在這種情況下,使用放大器來測量。7050石英溫補晶振,環保型石英晶體振蕩器,CFPT9000晶振
此外,振蕩頻率與測量點不同。
1。測量緩沖輸出
2。振蕩級輸出測量
三.通過電容器測量振蕩級輸出
圖5示出以上1-3個測量點和所測量的
除緩沖器輸出外,振蕩頻率較低。
公司名:深圳市金洛鑫電子有限公司
聯系人:茹紅青
手機:13510569637
電話:0755-27837162
QQ號:657116624
微信公眾號:CITIZENCRYSTAL
搜狐公眾號:晶振石英晶振NDK晶振
郵箱:jinluodz@163.com
地址:深圳市寶安區41區甲岸路19號
相關的產品 / Related Products

- ConnorWinfield晶振,TCXO振蕩器,TX176晶振
- 有源晶振,是只晶體本身起振需要外部電壓供應,起振后可直接驅動CMOS 集成電路,產品本身已實現與薄型IC(TSSOP封裝,TVSOP封裝)同樣的1mm厚度,斷開時的消費電流是15 µA以下,編帶包裝方式可對應自動搭載及IR回流焊接(無鉛對應)產品有幾種電壓供選1.8V,2.5V,3V3.3V,5V,以應對不同IC產品需要.

- Greenray晶振,TCXO晶振,T70晶振
- 產品本身具有溫度電壓控制功能,世界上最薄的晶振封裝,頻率:26兆赫,33.6兆赫,38.4兆赫,40兆赫,因產品性能穩定,精度高等優勢,被廣泛應用到一些比較高端的數碼通訊產品領域,GPS全球定位系統,智能手機,WiMAX和蜂窩和無線通信等產品,符合ROHS指令.
JLX-PD
金洛鑫產品系列
PRODUCT LINE
石英晶振
QuartzCrystal
- KDS晶振
- 愛普生晶振
- NDK晶振
- 京瓷晶振
- 精工晶振
- 西鐵城晶振
- 大河晶振
- 村田晶振
- 泰藝晶振
- TXC晶振
- 鴻星晶振
- 希華晶振
- 加高晶振
- 百利通亞陶晶振
- 嘉碩晶振
- 津綻晶振
- 瑪居禮晶振
- 富士晶振
- SMI晶振
- Lihom晶振
- SHINSUNG晶振
- NAKA晶振
- AKER晶振
- NKG晶振
- NJR晶振
- Sunny晶振
貼片晶振
SMDcrystal
- CTS晶振
- 微晶晶振
- 瑞康晶振
- 康納溫菲爾德晶振
- 高利奇晶振
- Jauch晶振
- AbraconCrystal晶振
- 維管晶振
- ECScrystal晶振
- 日蝕晶振
- 拉隆晶振
- 格林雷晶振
- SiTimeCrystal晶振
- IDTcrystal晶振
- PletronicsCrystal晶振
- StatekCrystal晶振
- AEK晶振
- AEL晶振
- Cardinal晶振
- Crystek晶振
- Euroquartz晶振
- Fox晶振
- Frequency晶振
- GEYER晶振
- KVG晶振
- ILSI晶振
- Mmdcomp晶振
- MtronPTI晶振
- QANTEK晶振
- QuartzCom晶振
- Quarztechnik晶振
- Suntsu晶振
- Transko晶振
- Wi2Wi晶振
- ITTI晶振
- Oscilent晶振
- ACT晶振
- Rubyquartz晶振
- MTI-milliren晶振
- PDI晶振
- IQD晶振
- Microchip晶振
- Silicon晶振
- Anderson晶振
- Fortiming晶振
- CORE晶振
- NIPPON晶振
- NIC晶振
- QVS晶振
- Bomar晶振
- Bliley晶振
- GED晶振
- FILTRONETICS晶振
- STD晶振
- Q-Tech晶振
- Wenzel晶振
- NEL晶振
- EM晶振
- PETERMANN晶振
- FCD-Tech晶振
- HEC晶振
- FMI晶振
- Macrobizes晶振
- AXTAL晶振
- ARGO晶振
- 瑞薩renesas晶振
- Skyworks晶振

手機版













