Statek晶振,貼片晶振,CX4晶振,無源貼片晶振
頻率:600KHZ~1.4MHZ
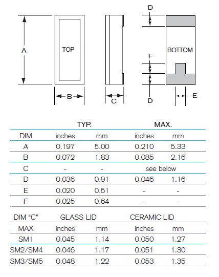
尺寸:5.33*1.83mm
Statek晶振環境影響的最小化:遵照社會的期望,改進無源晶振我們的環境行為,我們將通過有效利用森林、能源以及其它資源,減少各種形式的廢物來實現這一承諾.Statek晶振環境管理體系:在每一個運行部門,實施支持方針的系統的環境管理工具.我們將確保適當的人力資源和充分的財力保障.每年我們都將建立可測量的環境管理以及行為改進的目標和指標.
石英晶振的切割設計:用不同角度對晶振的石英晶棒進行切割,可獲得不同特性的石英晶片,通常我們把SMD晶振的石英晶片對晶棒坐標軸某種方位(角度)的切割稱為石英晶片的切型。不同切型的石英晶片,因其彈性性質,壓電性質,溫度性質不同,其電特性也各異,石英晶振目前主要使用的有 AT 切、BT 切。其它切型還有 CT、DT、GT、NT 等。高精度陶瓷殼SMD晶體,5.33*1.83mm編帶式晶振,CX4晶振
|
STATEK晶振 |
單位 |
CX4晶振 |
石英晶振基本條件 |
|
標準頻率 |
f_nom |
600KHZ~1.4MHZ |
標準頻率 |
|
儲存溫度 |
T_stg |
-55°C~ +125°C |
裸存 |
|
工作溫度 |
T_use |
-10°C ~+125°C |
標準溫度 |
|
激勵功率 |
DL |
3μW Max. |
推薦:3μW |
|
頻率公差 |
f_— l |
±500 × 10-6 (標準), |
+25°C 對于超出標準的規格說明, |
|
頻率溫度特征 |
f_tem |
±30 × 10-6/-55°C ~ +200°C |
超出標準的規格請聯系我們. |
|
負載電容 |
CL |
7pF |
不同負載要求,請聯系我們. |
|
串聯電阻(ESR) |
R1 |
如下表所示 |
-55°C — +200°C, DL = 100μW |
|
頻率老化 |
f_age |
±5× 10-6 / year Max. |
+25°C,第一年 |
未用輸入終端的處理:未用針腳可能會引起噪聲響應,從而導致非正常工作。同時,當P通道和N通道都處于打開時,電源功率消耗也會增加;因此,請將未用輸入終端連接到VCC 或GND。熱影響:重復的溫度巨大變化可能會降低受損害的無源石英晶振產品特性,并導致塑料封裝里的線路擊穿。必須避免這種情況。安裝方向:振蕩器的不正確安裝會導致故障以及崩潰,因此安裝時,請檢查安裝方向是否正確。通電:不建議從中間電位和/或極快速通電,否則會導致無法產生振蕩和/或非正常工作。
超聲波清洗(1)使用AT-切割晶體和表面面濾波器波(SAW)/聲表面諧振器的產品,可以通過超聲波進行清洗。但是,在某些條件下, 晶振特性可能會受到影響,而且內部線路可能受到損壞。確保已事先檢查系統的適用性。(2)使用音叉晶體和陀螺儀傳感器的產品無法確保能夠通過超聲波方法進行清洗,因為晶振可能受到破壞。(3)請勿清洗開啟式晶振產品(4)對于可清洗晶振產品,應避免使用可能對產品產生負面影響的清洗劑或溶劑等。(5)焊料助焊劑的殘留會吸收水分并凝固。這會引起諸如位移等其它現象。這將會負面影響產品的可靠性和質量。請清理殘余的助焊劑并烘干PCB。高精度陶瓷殼SMD晶體,5.33*1.83mm編帶式晶振,CX4晶振
測試條件(1)電源電壓:超過 150µs,直到電壓級別從 0 %達到 90 % 。電源電壓阻抗低于電阻 2Ω。(2)其他:輸入電容低于 15 pF5倍頻率范圍或更多測量頻率。鉛探頭應盡可能短。測量頻率時,探頭阻抗將高于 1MΩ。當波形經過千赫茲晶振振蕩器的放大器時,可同時進行測量。(3)其他:CL包含探頭電容。應使用帶有小的內部阻抗的電表。使用微型插槽,以觀察波形。(請勿使用該探頭的長接地線).Statek晶振,貼片晶振,CX4晶振,無源貼片晶振
1.振蕩電路:晶體諧振器是無源元件,因此受到電源電壓、環境溫度、電路的影響。配置、電路常數和襯底布線模式等操作大致分為正常運行和異常運行。因此,在振蕩電路的設計中,先決條件之一是如何確定振蕩電路。貼片無源晶振的振動安全穩定。只有在做出了這個決定之后,后續的項目,例如討論了頻率精度、頻率變化、調制度、振蕩起始時間和振蕩波形。
2.角色的分量與參考值:在5018石英晶體諧振器振蕩電路的設計中,必須認識到個體的作用。組件.在表1中,以例如振蕩電路為例來描述角色。(圖1)使用一個通用的C-MOS IC(74hcuo4ap東芝)。當反饋電阻(rf)未安裝在振蕩電路中時,如圖所示表1,即使在振蕩功率作用下,諧振器也不會啟動振蕩。電路。除非有適當值的電阻器連接,否則振蕩不會啟動。
此外,振蕩頻率與測量點不同。1。測量緩沖輸出2。振蕩級輸出測量三.通過陶瓷二腳貼片晶振電容器測量振蕩級輸出圖5示出以上1-3個測量點和所測量的除緩沖器輸出外,振蕩頻率較低。
公司名:深圳市金洛鑫電子有限公司
聯系人:茹紅青
手機:13510569637
電話:0755-27837162
QQ號:657116624
微信公眾號:CITIZENCRYSTAL
搜狐公眾號:晶振石英晶振NDK晶振
郵箱:jinluodz@163.com
地址:深圳市寶安區41區甲岸路19號
相關的產品 / Related Products

- GEYER晶振,貼片晶振,KX-327XS晶振,進口石英晶振
- 此款SMD晶體并且可以承受回流焊接的高溫,波峰焊接,回流焊接等,貼片表晶主要特點是該產品排帶包裝,焊接模式主要使用SMT焊接,給現代SMT工藝帶來高速的工作效率,32.768K系列產品本身具有體積小,厚度薄,重量輕等特點,此音叉型石英晶體諧振器,晶振產品本身具備優良的耐熱性,耐環境特性,在辦公自動化,家電領域,移動通信領域可發揮優良的電氣特性,符合無鉛標準,滿足無鉛焊接的回流溫度曲線要求,金屬外殼的石英晶振使得產品在封裝時能發揮比陶瓷晶振外殼更好的耐沖擊性能.

- ECS晶體,貼片晶振,ECX-39晶振,貼片式諧振器
- 貼片石英晶體諧振器,又簡稱為排帶包裝,這是這產品采用排帶盤式包裝,使產品在焊接時能采用SMT自動貼片機高速的焊接,大大節約人工,提高工作效率。32.768KHz千赫子時鐘晶體,其本身主要應用在時鐘控制產品,或者是控制模塊,主要給時鐘芯片提供一個基準信號,其主要各項功能還得看應用何種產品。本產品具有小型,薄型,輕型的貼片晶振表面型音叉式石英晶體諧振器,產品具有優良的耐熱性,耐環境特性,可發揮晶振優良的電氣特性,符合RoHS規定,滿足無鉛焊接的高溫回流溫度曲線要求,金屬外殼的封裝使得產品在封裝時能發揮比陶瓷諧振器外殼更好的耐沖擊性.
JLX-PD
金洛鑫產品系列
PRODUCT LINE
石英晶振
QuartzCrystal
- KDS晶振
- 愛普生晶振
- NDK晶振
- 京瓷晶振
- 精工晶振
- 西鐵城晶振
- 大河晶振
- 村田晶振
- 泰藝晶振
- TXC晶振
- 鴻星晶振
- 希華晶振
- 加高晶振
- 百利通亞陶晶振
- 嘉碩晶振
- 津綻晶振
- 瑪居禮晶振
- 富士晶振
- SMI晶振
- Lihom晶振
- SHINSUNG晶振
- NAKA晶振
- AKER晶振
- NKG晶振
- NJR晶振
- Sunny晶振
貼片晶振
SMDcrystal
- CTS晶振
- 微晶晶振
- 瑞康晶振
- 康納溫菲爾德晶振
- 高利奇晶振
- Jauch晶振
- AbraconCrystal晶振
- 維管晶振
- ECScrystal晶振
- 日蝕晶振
- 拉隆晶振
- 格林雷晶振
- SiTimeCrystal晶振
- IDTcrystal晶振
- PletronicsCrystal晶振
- StatekCrystal晶振
- AEK晶振
- AEL晶振
- Cardinal晶振
- Crystek晶振
- Euroquartz晶振
- Fox晶振
- Frequency晶振
- GEYER晶振
- KVG晶振
- ILSI晶振
- Mmdcomp晶振
- MtronPTI晶振
- QANTEK晶振
- QuartzCom晶振
- Quarztechnik晶振
- Suntsu晶振
- Transko晶振
- Wi2Wi晶振
- ITTI晶振
- Oscilent晶振
- ACT晶振
- Rubyquartz晶振
- MTI-milliren晶振
- PDI晶振
- IQD晶振
- Microchip晶振
- Silicon晶振
- Anderson晶振
- Fortiming晶振
- CORE晶振
- NIPPON晶振
- NIC晶振
- QVS晶振
- Bomar晶振
- Bliley晶振
- GED晶振
- FILTRONETICS晶振
- STD晶振
- Q-Tech晶振
- Wenzel晶振
- NEL晶振
- EM晶振
- PETERMANN晶振
- FCD-Tech晶振
- HEC晶振
- FMI晶振
- Macrobizes晶振
- AXTAL晶振
- ARGO晶振
- 瑞薩renesas晶振
- Skyworks晶振

手機版











