ECS晶體,貼片晶振,ECX-64A晶振,無源貼片晶振
頻率:8~100MHZ
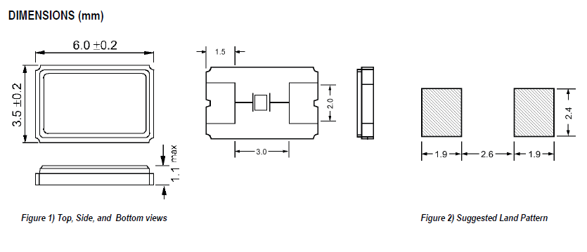
尺寸:6.0*3.5mm
ECS,Inc.為了實現這一愿景,ECS,Inc.遵循我們的愿景,ECS,Inc.堅持創新為中心的企業文化,旨在促進和發展,最大限度地提高了我們滿足不斷變化的全球石英晶振電子市場需求的能力各無晶圓廠合作伙伴的創造力。商業應用,例如門口播音員,照明和水控制,安全和訪問系統,門控制,遠程激活,記分板,訂購和尋呼系統汽車應用如遙控無鑰匙進入和輪胎壓力監測消費品如電子玩具,家居安全門,車庫門開門,對講機,氣象站,灌溉控制器等醫療產品如患者呼叫和監控系統,障礙輔助設備,遠程患者數據記錄和實時無線監控設備。
ECS Inc.在美國擁有約50名員工,遍布全球15多個國家,擁有世界一流的營銷,銷售,分銷,工程和客戶服務團隊,每天都在全球技術網絡中工作,專注于為客戶提供最佳的晶振應用解決方案。我們致力于以對社會和環境負責任的方式行事,并為我們當地和全球社區的細心周到的鄰居。憑借這些特性,ECS,Inc.已經與北美頂尖的財富100強企業建立了合作關系,ECS,Inc.國際的成功取得了強勁的市場研究,合作伙伴創新和客戶合作伙伴關系的支撐。
ECS晶體,貼片晶振,ECX-64A晶振,無源貼片晶振,貼片晶振本身體積小,超薄型石英晶體諧振器,特別適用于有目前高速發展的高端電子數碼產品,因為晶振本身小型化需求的市場領域,小型,薄型是對應陶瓷諧振器(偏差大)和普通的石英晶體諧振器(偏差小)的中間領域的一種性價比較出色的產品.產品廣泛用于筆記本電腦,無線電話,衛星導航HDD, SSD, USB, Blu-ray等用途,符合無鉛焊接的高溫回流焊曲線特性.
石英晶振高精度晶片的拋光技術:SMD晶振是目前晶片研磨技術中表面處理技術的最高技術,最終使晶振晶片表面更光潔,平行度及平面度更好,降低諧振電阻,提高Q值。從而達到一般研磨所達不到的產品性能,使石英晶振的等效電阻等更接近理論值,使晶振可在更低功耗下工作。使用先進的牛頓環及單色光的方法去檢測晶片表面的狀態。
|
CTS晶振 |
單位 |
ECX-64A晶振 |
石英晶振基本條件 |
|
標準頻率 |
f_nom |
8~100MHZ |
標準頻率 |
|
儲存溫度 |
T_stg |
-55°C~+125°C |
裸存 |
|
工作溫度 |
T_use |
-10°C~+70°C |
標準溫度 |
|
激勵功率 |
DL |
100μW Max. |
推薦:100μW |
|
頻率公差 |
f_— l |
±30× 10-6 |
+25°C 對于超出標準的規格說明, |
|
頻率溫度特征 |
f_tem |
±50× 10-6/-30°C~+85°C |
超出標準的規格請聯系我們. |
|
負載電容 |
CL |
7PF |
不同負載電容要求,請聯系我們. |
|
串聯電阻(ESR) |
R1 |
如下表所示 |
-40°C~+85°C, DL = 100μW |
|
頻率老化 |
f_age |
±5× 10-6/year Max. |
+25°C,第一年 |
在使之落下或對它施加沖擊之時,在使用之前,建議確認一下振蕩檢查等的條件。(2) SMD石英晶振與電阻以及電容器的芯片產品不同,由于在內部對石英晶振晶片進行了密封保護,因此關于在自動安裝時由于沖擊而導致的影響,請在使用之前,懇請貴公司另外進行確認工作。(3) 請盡量避免將本公司的音叉型晶振與機械性振動源(包括超聲波振動源)安裝到同一塊基板上,不得已要安裝到同一塊基板上時,請確保晶振能正常工作。
操作:請勿用鑷子或任何堅硬的工具,夾具直接接觸IC的表面。使用環境(溫度和濕度):請在規定的溫度范圍內使用石英小型晶振。這個溫度涉及本體的和季節變化的溫度。在高濕環境下,會由于凝露引起故障。請避免凝露的產生。晶振/石英晶體諧振器激勵功率:在晶振上施加過多驅動力,會導致產品特性受到損害或破壞。電路設計必須能夠維持適當的激勵功率。負極電阻:除非石英晶體振蕩器回路中分配足夠多的負極電阻,否則振蕩或振蕩啟動時間可能會增加。
此外,振蕩頻率與測量點不同。1。測量緩沖輸出2。振蕩級輸出測量三.通過6035貼片晶振電容器測量振蕩級輸出圖5示出以上1-3個測量點和所測量的除緩沖器輸出外,振蕩頻率較低。ECS晶體,貼片晶振,ECX-64A晶振,無源貼片晶振
驅動能力:驅動能力說明6.0×3.5mm石英晶振振蕩晶體單元所需電功率,其計算公式如下:驅動能力 (P) = i2?Re其中i表示經過晶體單元的電流,Re表示晶體單元的有效電阻,而且 Re=R1(1+Co/CL).
測試條件:(1)電源電壓:超過 150µs,直到電壓級別從 0 %達到 90 % 。電源電壓阻抗低于電阻 2Ω。(2)其他:輸入電容低于 15 pF5倍頻率范圍或更多測量頻率。鉛探頭應盡可能短。測量頻率時,探頭阻抗將高于 1MΩ。當波形經過6035陶瓷面SMD晶振振蕩器的放大器時,可同時進行測量。(3)其他:CL包含探頭電容。應使用帶有小的內部阻抗的電表。使用微型插槽,以觀察波形。(請勿使用該探頭的長接地線).
1.振蕩電路:晶體諧振器是無源元件,因此受到陶瓷面6035晶振電源電壓、環境溫度、電路的影響。配置、電路常數和襯底布線模式等操作大致分為正常運行和異常運行。因此,在振蕩電路的設計中,先決條件之一是如何確定振蕩電路。晶體諧振器的振動安全穩定。只有在做出了這個決定之后,后續的項目,例如討論了頻率精度、頻率變化、調制度、振蕩起始時間和振蕩波形。
公司名:深圳市金洛鑫電子有限公司
聯系人:茹紅青
手機:13510569637
電話:0755-27837162
QQ號:657116624
微信公眾號:CITIZENCRYSTAL
搜狐公眾號:晶振石英晶振NDK晶振
郵箱:jinluodz@163.com
地址:深圳市寶安區41區甲岸路19號
相關的產品 / Related Products

- Raltron晶振,貼片晶振,F60800010晶振
- 貼片石英晶體,體積小,焊接可采用自動貼片系統,產品本身小型,表面貼片晶振,特別適用于有小型化要求的電子數碼產品市場領域,因產品小型,薄型優勢,耐環境特性,包括耐高溫,耐沖擊性等,在移動通信領域得到了廣泛的應用,晶振產品本身可發揮優良的電氣特性,滿足無鉛焊接的高溫回流溫度曲線要求.

- 西鐵城晶振,貼片晶振,CS10晶振
- 小型貼片石英晶振,外觀尺寸具有薄型表面貼片型石英晶體諧振器,特別適用于有小型化要求的市場領域,比如智能手機,無線藍牙,平板電腦等電子數碼產品.晶振本身超小型,薄型,重量輕,晶體具有優良的耐環境特性,如耐熱性,耐沖擊性,在辦公自動化,家電相關電器領域及Bluetooth,Wireless LAN等短距離無線通信領域可發揮優良的電氣特性,滿足無鉛焊接的回流溫度曲線要求.

- Raltron晶振,貼片晶振,H10A晶振
- 小型貼片石英晶振,外觀尺寸具有薄型表面貼片型石英晶體諧振器,特別適用于有小型化要求的市場領域,比如智能手機,無線藍牙,平板電腦等電子數碼產品.
JLX-PD
金洛鑫產品系列
PRODUCT LINE
石英晶振
QuartzCrystal
- KDS晶振
- 愛普生晶振
- NDK晶振
- 京瓷晶振
- 精工晶振
- 西鐵城晶振
- 大河晶振
- 村田晶振
- 泰藝晶振
- TXC晶振
- 鴻星晶振
- 希華晶振
- 加高晶振
- 百利通亞陶晶振
- 嘉碩晶振
- 津綻晶振
- 瑪居禮晶振
- 富士晶振
- SMI晶振
- Lihom晶振
- SHINSUNG晶振
- NAKA晶振
- AKER晶振
- NKG晶振
- NJR晶振
- Sunny晶振
貼片晶振
SMDcrystal
- CTS晶振
- 微晶晶振
- 瑞康晶振
- 康納溫菲爾德晶振
- 高利奇晶振
- Jauch晶振
- AbraconCrystal晶振
- 維管晶振
- ECScrystal晶振
- 日蝕晶振
- 拉隆晶振
- 格林雷晶振
- SiTimeCrystal晶振
- IDTcrystal晶振
- PletronicsCrystal晶振
- StatekCrystal晶振
- AEK晶振
- AEL晶振
- Cardinal晶振
- Crystek晶振
- Euroquartz晶振
- Fox晶振
- Frequency晶振
- GEYER晶振
- KVG晶振
- ILSI晶振
- Mmdcomp晶振
- MtronPTI晶振
- QANTEK晶振
- QuartzCom晶振
- Quarztechnik晶振
- Suntsu晶振
- Transko晶振
- Wi2Wi晶振
- ITTI晶振
- Oscilent晶振
- ACT晶振
- Rubyquartz晶振
- MTI-milliren晶振
- PDI晶振
- IQD晶振
- Microchip晶振
- Silicon晶振
- Anderson晶振
- Fortiming晶振
- CORE晶振
- NIPPON晶振
- NIC晶振
- QVS晶振
- Bomar晶振
- Bliley晶振
- GED晶振
- FILTRONETICS晶振
- STD晶振
- Q-Tech晶振
- Wenzel晶振
- NEL晶振
- EM晶振
- PETERMANN晶振
- FCD-Tech晶振
- HEC晶振
- FMI晶振
- Macrobizes晶振
- AXTAL晶振
- ARGO晶振
- 瑞薩renesas晶振
- Skyworks晶振

手機版

















