Golledge晶振,壓電石英晶體諧振器,GSX-200晶振
頻率:32.768KHz
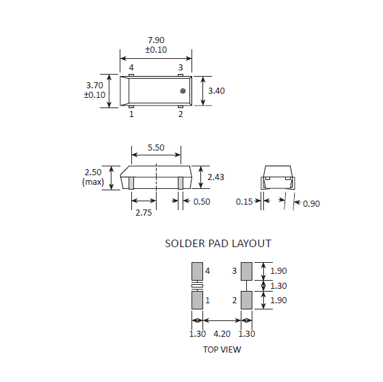
尺寸:8.0*3.8*2.5mm
自從我們在1990年成立以來,Golledge電子取得了前所未有的成功。經過多年的不斷增長,我們現在是英國最主要的貼片晶振產品供應商。我們的注冊到iso - 9001 :2015強調了對質量的全面承諾,同時我們的產品的完整性由我們的專門的內部測試和測量實驗室確保。我們的專業和高效的方法使我們成為許多領先的電子設備OEM和河北的首選供應商。
總部位于西英格蘭心臟地帶的一個美麗的轉換農場建筑的收集,Golledge向全世界50多個國家的出口石英晶振,占收入的60%以上。我們的理念始終以產品和服務的質量和一致性為基礎。我們多年來一直努力保持我們的產品在頻率控制市場的發展的最前沿。憑借我們對互聯網和電子商務的承諾,我們能夠支持我們客戶最復雜和最苛刻的需求。8038陶瓷殼石英晶體,32.768K高精度晶振,GSX-200晶振
Golledge晶振,壓電石英晶體諧振器,GSX-200晶振.32.768K時鐘晶體具有小型,薄型,輕型的貼片晶振表面音叉型晶體諧振器,特別適用于有小型化要求的市場領域,比如智能手機,無線藍牙,平板電腦等電子數碼產品.產品本身具有耐熱,耐振,耐撞擊等優良的耐環境特性,滿足無鉛焊接以及高溫回流溫度曲線要求.
高利奇通過結合以往低速滾筒倒邊去除晶振晶片的邊緣效應,在實際操作中機器運動方式設計、滾筒的曲率半徑、滾筒的長短、使用的研磨砂的型號、多少、填充物種類及多少等各項設計必須合理,有一項不完善都會使音叉晶振晶片的邊緣效應不能去除,而石英晶振晶片的諧振電阻過大,用在電路中Q值過小,從而電路不能振動或振動不穩定。
|
golledge晶振 |
單位 |
GSX-200晶振 |
石英晶振基本條件 |
|
標準頻率 |
f_nom |
32.768KHZ |
標準頻率 |
|
儲存溫度 |
T_stg |
-55°C ~ +125°C |
裸存 |
|
工作溫度 |
T_use |
-40°C ~ +85°C |
標準溫度 |
|
激勵功率 |
DL |
1.0μW Max. |
推薦:1μW ~ 100μW |
|
頻率公差 |
f_— l |
±20 × 10-6 (標準), |
+25°C 對于超出標準的規格說明, |
|
頻率溫度特征 |
f_tem |
±50 × 10-6/-10°C ~+60°C |
超出標準的規格請聯系我們. |
|
負載電容 |
CL |
12.5pF |
不同負載要求,請聯系我們. |
|
串聯電阻(ESR) |
R1 |
如下表所示 |
-40°C — +85°C, DL = 100μW |
|
頻率老化 |
f_age |
±3 × 10-6 / year Max. |
+25°C,第一年 |
操作
請勿用鑷子或任何堅硬的工具,夾具直接接觸IC的表面。Golledge晶振,壓電石英晶體諧振器,GSX-200晶振
使用環境(溫度和濕度)
請在規定的溫度范圍內使用進口晶振。這個溫度涉及本體的和季節變化的溫度。在高濕環境下,會由于凝露引起故障。請避免凝露的產生。
激勵功率
在晶體單元上施加過多驅動力,會導致石英晶體諧振器特性受到損害或破壞。電路設計必須能夠維持適當的激勵功率 (請參閱“激勵功率”章節內容)。
負極電阻
除非振蕩回路中分配足夠多的負極電阻,否則振蕩或振蕩啟動時間可能會增加(請參閱“關于振蕩”章節內容)。8038陶瓷殼石英晶體,32.768K高精度晶振,GSX-200晶振
負載電容
振蕩電路中負載電容的不同,可能導致無源晶振振蕩頻率與設計頻率之間產生偏差。試圖通過強力調整,可能只會導致不正常的振蕩。在使用之前,請指明該振動電路的負載電容(請參閱“負載電容”章節內容)。
設計振蕩回路的注意事項
1.驅動能力
驅動能力說明陶瓷殼無源晶振所需電功率,其計算公式如下:
驅動能力 (P) = i2?Re
其中i表示經過晶體單元的電流,
Re表示晶體單元的有效電阻,而且 Re=R1(1+Co/CL)2。
2.振蕩補償
除非在8038貼片晶振振蕩電路中提供足夠的負極電阻,否則會增加振蕩啟動時間,或不發生振蕩。為避免該情況發生,請在電路設計時提供足夠的負極電阻。
3. 負載電容
如果振蕩電路中負載電容的不同,可能導致32.768K數字電表晶振振蕩頻率與設計頻率之間產生偏差,如下圖所示。電路中的負載電容的近似表達式 CL≒CG × CD / (CG+CD) + CS。
其中CS表示電路的雜散電容。Golledge晶振,壓電石英晶體諧振器,GSX-200晶振
頻率和負載電容特征圖器
振蕩回路參數設置參考
公司名:深圳市金洛鑫電子有限公司
聯系人:茹紅青
手機:13510569637
電話:0755-27837162
QQ號:657116624
微信公眾號:CITIZENCRYSTAL
搜狐公眾號:晶振石英晶振NDK晶振
郵箱:jinluodz@163.com
地址:深圳市寶安區41區甲岸路19號
相關的產品 / Related Products

- ELS25-32.768kHz-6-2-T,8038mm晶體,AEL時鐘晶振,陶瓷晶振
- ELS25-32.768kHz-6-2-T,8038mm晶體,AEL時鐘晶振,陶瓷晶振,英國進口晶振,AEL艾爾晶振,型號:ELS25系列,編碼為:ELS25-32.768kHz-6-2-T,頻率:32.768KHz,負載電容:6pF,頻率容差:±20ppm,工作溫度范圍:-40℃至+85℃,小體積晶振尺寸:8.0x3.8x2.5mm,時鐘晶體,四腳貼片晶振,石英晶振,無源晶振,8038晶振,SMD晶振,石英晶體諧振器,陶瓷晶振,具有超小型晶振,輕薄型晶振,高品質晶振,耐熱及耐環境特點,應用于:移動通訊晶振,時鐘晶振,儀器儀表晶振,測試設備晶振,汽車電子晶振,智能家居晶振等應用。

- CM200S32.768KDZFT-8038mm-西鐵城無源晶振-32.768KHz
CM200S32.768KDZFT-8038mm-西鐵城無源晶振-32.768KHz,CM200S32.768KDZFT晶振,8038mm晶振,日本西鐵城晶振,無源晶振,32.768K晶振,石英SMD晶振,負載12.5pf ,精度20ppm,工作溫度-40~85°C,耐高溫晶振,低老化晶振,實時時鐘晶振,數字水表晶振,多媒體影音設備晶振,家用電視機頂盒晶振.

- CM200S32.768KDZFT-8038mm-西鐵城無源晶振-32.768KHz
CM200S32.768KDZFT-8038mm-西鐵城無源晶振-32.768KHz,CM200S32.768KDZFT晶振,8038mm晶振,日本西鐵城晶振,無源晶振,32.768KHz晶振,石英SMD晶振,負載12.5pf ,精度20ppm,工作溫度-40~85°C,耐高溫晶振,低老化晶振,實時時鐘晶振,數字水表晶振,多媒體影音設備晶振,家用電視機頂盒晶振.
JLX-PD
金洛鑫產品系列
PRODUCT LINE
石英晶振
QuartzCrystal
- KDS晶振
- 愛普生晶振
- NDK晶振
- 京瓷晶振
- 精工晶振
- 西鐵城晶振
- 大河晶振
- 村田晶振
- 泰藝晶振
- TXC晶振
- 鴻星晶振
- 希華晶振
- 加高晶振
- 百利通亞陶晶振
- 嘉碩晶振
- 津綻晶振
- 瑪居禮晶振
- 富士晶振
- SMI晶振
- Lihom晶振
- SHINSUNG晶振
- NAKA晶振
- AKER晶振
- NKG晶振
- NJR晶振
- Sunny晶振
貼片晶振
SMDcrystal
- CTS晶振
- 微晶晶振
- 瑞康晶振
- 康納溫菲爾德晶振
- 高利奇晶振
- Jauch晶振
- AbraconCrystal晶振
- 維管晶振
- ECScrystal晶振
- 日蝕晶振
- 拉隆晶振
- 格林雷晶振
- SiTimeCrystal晶振
- IDTcrystal晶振
- PletronicsCrystal晶振
- StatekCrystal晶振
- AEK晶振
- AEL晶振
- Cardinal晶振
- Crystek晶振
- Euroquartz晶振
- Fox晶振
- Frequency晶振
- GEYER晶振
- KVG晶振
- ILSI晶振
- Mmdcomp晶振
- MtronPTI晶振
- QANTEK晶振
- QuartzCom晶振
- Quarztechnik晶振
- Suntsu晶振
- Transko晶振
- Wi2Wi晶振
- ITTI晶振
- Oscilent晶振
- ACT晶振
- Rubyquartz晶振
- MTI-milliren晶振
- PDI晶振
- IQD晶振
- Microchip晶振
- Silicon晶振
- Anderson晶振
- Fortiming晶振
- CORE晶振
- NIPPON晶振
- NIC晶振
- QVS晶振
- Bomar晶振
- Bliley晶振
- GED晶振
- FILTRONETICS晶振
- STD晶振
- Q-Tech晶振
- Wenzel晶振
- NEL晶振
- EM晶振
- PETERMANN晶振
- FCD-Tech晶振
- HEC晶振
- FMI晶振
- Macrobizes晶振
- AXTAL晶振
- ARGO晶振
- 瑞薩renesas晶振
- Skyworks晶振

手機版













