Greenray晶振,恒溫晶振,YH1300晶振
頻率:10.000MHz~50.000MHz
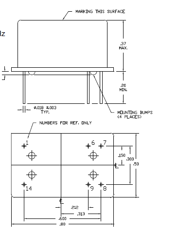
尺寸:20.32mm*12.70mm
Greenray格林雷晶振集團致力于研發生產高精密,性能穩定的石英晶體振蕩器,滿足不同客戶的特殊要求,并且具有低噪音,低相位等特點.所生產的晶振,石英晶體,貼片晶體等產品的設計,測試,包裝都是經過一系列嚴格要求規范操作,是在我們位于賓夕法尼亞州機械堡的工廠中通過嚴格的管理以及嚴謹的態度進行操作的.
Greenray格林雷晶振集團為確保所生產晶振,貼片晶振的質量,都會經過廣泛的電氣以及環境測試,確保質量上不會存在錯誤,其中包括•老化•溫度測試•溫度循環•溫度沖擊•機械沖擊•微跳•穩定烤•加速度•加速度靈敏度•好/總泄漏•隨機振動振動•耐溶劑•可焊性.恒溫石英晶體振蕩器,大體積OCXO晶振,YH1300晶振

Greenray晶振,恒溫晶振,YH1300晶振.產品本身具有保持恒定溫度的作用,高低溫度穩定性:頻率精度高0.5PPM,工作溫度范圍: - 30度?85度,電源電壓:1.8V?3.3V之間可供選擇,產品本身具有溫度電壓控制功能,擁有出色的低相位噪聲和抖動,三態功能.
相位噪聲和抖動是對同一種現象的兩種不同的定量方式,是對短期穩定度的真實度量。恒溫晶體振蕩器以及其它利用基波或諧波方式的晶體振蕩器具有最好的相位噪聲性能。采用鎖相環合成器產生輸出頻率的恒溫石英晶體振蕩器比采用非鎖相環技術的振蕩器一般呈現較差的相位噪聲性能。
|
型號 |
YH1300晶振 (OCXO)20.32*12.70mm |
|
|
輸出頻率范圍 |
10~50MHz |
|
|
標準頻率 |
16.3676MHz/16.367667MHz/16.368MHz/16.369MHz/16.8MHz/26MHz/33.6MHz |
|
|
電源電壓范圍 |
+3.3V |
|
|
電源電壓(Vcc) |
+1.8V/+2.6V/+2.8V/+3.0V/+3.3V |
|
|
消耗電流 |
+1.5mA max.(f≦26MHz)/+2.0mA max.(26<f≦52MHz) |
|
|
待機時電流 |
- |
|
|
輸出電壓 |
0.8Vp-p min.(f≦52MHz)(削峰正弦波/DC-coupled) |
|
|
輸出負載 |
10kΩ//10pF |
|
|
頻率穩定度 |
常溫偏差 |
±1.5×10-6 max.(After 2 reflows) |
|
溫度特性 |
±0.5×10-6,±2.5×10-6 max./-30?+85℃ |
|
|
電源電壓特性 |
±0.2×10-6 max.(VCC ±5%) |
|
|
負載變化特性 |
±0.2×10-6 max.(10kΩ//10pF±10%) |
|
|
長期變化 |
±1.0×10-6 max./year |
|
|
頻率控制 |
控制靈敏度 |
- |
|
頻率控制極性 |
- |
|
|
啟動時間 |
2.0ms max. |
|
在電源或輸入端上施加執行級別(過高)的不相干(外部的)噪音,可能會導致OCXO晶體振蕩器引發功能失常或擊穿的閉門或雜散現象。Greenray晶振,恒溫晶振,YH1300晶振
電源線路
電源的線路阻抗應盡可能低。
輸出負載
建議將輸出負載安裝在盡可能靠近石英振蕩器的地方(在20 mm范圍之間)。
未用輸入終端的處理
未用針腳可能會引起噪聲響應,從而導致非正常工作。同時,當P通道和N通道都處于打開時,電源功率消耗也會增加;因此,請將未用輸入終端連接到VCC 或GND。
熱影響
重復的溫度巨大變化可能會降低受損害的恒溫晶振的產品特性,并導致塑料封裝里的線路擊穿。必須避免這種情況。
安裝方向
進口晶體振蕩器的不正確安裝會導致故障以及崩潰,因此安裝時,請檢查安裝方向是否正確。恒溫石英晶體振蕩器,大體積OCXO晶振,YH1300晶振
通電
不建議從中間電位和/或極快速通電,否則會導致恒溫晶體振蕩器OCXO無法產生振蕩和/或非正常工作。
輸出波形與測試電路
1.時序表
2.測試條件
(1)電源電壓
超過 150µs,直到電壓級別從 0 %達到 90 % 。
電源電壓阻抗低于電阻 2Ω。Greenray晶振,恒溫晶振,YH1300晶振
(2)其他
輸入電容低于 15 pF
5倍頻率范圍或更多測量頻率。
鉛探頭應盡可能短。
測量頻率時,探頭阻抗將高于 1MΩ。當波形經過振蕩器的放大器時,可同時進行測量。
(3)其他
CL包含探頭電容。
應使用帶有小的內部阻抗的電表。
使用微型插槽,以觀察波形。
(請勿使用該探頭的長接地線。恒溫石英晶體振蕩器,大體積OCXO晶振,YH1300晶振
3.測試電路
公司名:深圳市金洛鑫電子有限公司
聯系人:茹紅青
手機:13510569637
電話:0755-27837162
QQ號:657116624
微信公眾號:CITIZENCRYSTAL
搜狐公眾號:晶振石英晶振NDK晶振
郵箱:jinluodz@163.com
地址:深圳市寶安區41區甲岸路19號
相關的產品 / Related Products

- ECLIPTEK晶振,貼片晶振,EA5070PA12-26.000M TR晶振,石英無源晶振
- 貼片晶振本身體積小,超薄型石英晶體諧振器,特別適用于有目前高速發展的高端電子數碼產品,因為晶振本身小型化需求的市場領域,小型,薄型是對應陶瓷諧振器(偏差大)和普通的石英晶體諧振器(偏差小)的中間領域的一種性價比較出色的產品.產品廣泛用于筆記本電腦,無線電話,衛星導航HDD, SSD, USB, Blu-ray等用途,符合無鉛焊接的高溫回流焊曲線特性.

- 希華晶振,貼片晶振,GX-70502晶振,無源石英晶振
- 貼片石英晶體,體積小,焊接可采用自動貼片系統,產品本身小型,表面貼片晶振,特別適用于有小型化要求的電子數碼產品市場領域,因產品小型,薄型優勢,耐環境特性,包括耐高溫,耐沖擊性等,在移動通信領域得到了廣泛的應用,晶振產品本身可發揮優良的電氣特性,滿足無鉛焊接的高溫回流溫度曲線要求.

- 希華晶振,貼片晶振,SX-7050晶振,石英晶體諧振器
貼片晶振本身體積小,超薄型石英晶體諧振器,特別適用于有目前高速發展的高端電子數碼產品,因為晶振本身小型化需求的市場領域,小型?薄型是對應陶瓷諧振器(偏差大)和普通的石英晶體諧振器(偏差小)的中間領域的一種性價比較出色的產品.產品廣泛用于筆記本電腦,無線電話,衛星導航HDD, SSD, USB, Blu-ray等用途,符合無鉛焊接的高溫回流焊曲線特性.
JLX-PD
金洛鑫產品系列
PRODUCT LINE
石英晶振
QuartzCrystal
- KDS晶振
- 愛普生晶振
- NDK晶振
- 京瓷晶振
- 精工晶振
- 西鐵城晶振
- 大河晶振
- 村田晶振
- 泰藝晶振
- TXC晶振
- 鴻星晶振
- 希華晶振
- 加高晶振
- 百利通亞陶晶振
- 嘉碩晶振
- 津綻晶振
- 瑪居禮晶振
- 富士晶振
- SMI晶振
- Lihom晶振
- SHINSUNG晶振
- NAKA晶振
- AKER晶振
- NKG晶振
- NJR晶振
- Sunny晶振
貼片晶振
SMDcrystal
- CTS晶振
- 微晶晶振
- 瑞康晶振
- 康納溫菲爾德晶振
- 高利奇晶振
- Jauch晶振
- AbraconCrystal晶振
- 維管晶振
- ECScrystal晶振
- 日蝕晶振
- 拉隆晶振
- 格林雷晶振
- SiTimeCrystal晶振
- IDTcrystal晶振
- PletronicsCrystal晶振
- StatekCrystal晶振
- AEK晶振
- AEL晶振
- Cardinal晶振
- Crystek晶振
- Euroquartz晶振
- Fox晶振
- Frequency晶振
- GEYER晶振
- KVG晶振
- ILSI晶振
- Mmdcomp晶振
- MtronPTI晶振
- QANTEK晶振
- QuartzCom晶振
- Quarztechnik晶振
- Suntsu晶振
- Transko晶振
- Wi2Wi晶振
- ITTI晶振
- Oscilent晶振
- ACT晶振
- Rubyquartz晶振
- MTI-milliren晶振
- PDI晶振
- IQD晶振
- Microchip晶振
- Silicon晶振
- Anderson晶振
- Fortiming晶振
- CORE晶振
- NIPPON晶振
- NIC晶振
- QVS晶振
- Bomar晶振
- Bliley晶振
- GED晶振
- FILTRONETICS晶振
- STD晶振
- Q-Tech晶振
- Wenzel晶振
- NEL晶振
- EM晶振
- PETERMANN晶振
- FCD-Tech晶振
- HEC晶振
- FMI晶振
- Macrobizes晶振
- AXTAL晶振
- ARGO晶振
- 瑞薩renesas晶振
- Skyworks晶振

手機版













