Transko晶振,CS71晶振,CS71-A-32.768K-7-TR晶振
頻率:32.768KHZ
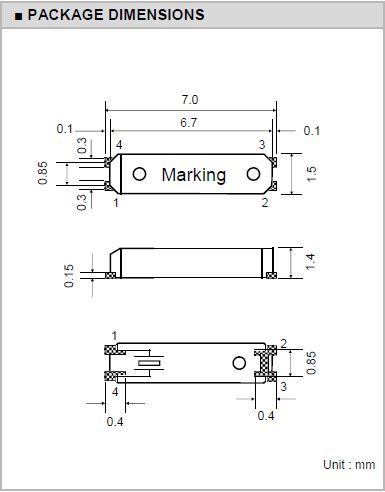
尺寸:7.0*1.5mm
Transko晶振,CS71晶振,CS71-A-32.768K-7-TR晶振, Transko晶振集團是一家位于加利福尼亞州阿納海姆的通過ISO 9001認證的變頻控制設備解決方案供應商,專業生產石英晶振,貼片晶振,有源晶振,壓控晶振,濾波器等頻率元件.通過質量和經驗,自1992年以來,其他許多其他產品我們得到了援助.
Transko晶振,CS71晶振,CS71-A-32.768K-7-TR晶振,讓我們與眾不同的是Transko Advantage –具有快速交付能力。能夠在72小時內提供產品,高度積極的銷售人員為您的頻率控制要求提供優異的定價和無源貼片晶振解決方案。通過結合杰出員工的知識和廣泛背景,能夠解決和定制您的特定項目或設計需求。Transko晶振公司團隊導向的環境和高效的生產人員不斷讓我們的客戶滿意,并使我們能夠提供最好的支持。
Transko晶振,CS71晶振,CS71-A-32.768K-7-TR晶振,貼片表晶32.768K晶振系列具有超小型,薄型,質地輕的表面貼片音叉型石英晶體振蕩器,晶振產品本身具備優良的耐熱性,耐環境特性,在辦公自動化,家電領域,移動通信領域可發揮優良的電氣特性,符合無鉛標準,滿足無鉛焊接的回流溫度曲線要求,金屬外殼的石英晶振使得產品在封裝時能發揮比陶瓷晶振外殼更好的耐沖擊性能.
貼片晶振晶片邊緣處理技術:貼片晶振是晶片通過滾筒倒邊,主要是為了去除晶振晶片的邊緣效應,在實際操作中機器運動方式設計、滾筒的曲率半徑、滾筒的長短、使用的研磨砂的型號、多少、填充物種類及多少等各項設計必須合理,有一項不完善都會使SMD晶振晶片的邊緣效應不能去除,而石英晶振晶片的諧振電阻過大,用在電路中Q值過小,從而電路不能振動或振動了不穩定。
| SPECIFICATION-Transko晶振 | CS71晶振 |
| FREQUENCY | 32.768kHz |
| FREQUENCY TOLERANCE @ 25ºC | ±20ppm, ±50ppm |
| TEMPERATURE COEFFICIENT | -0.034ppm ±0.006 ppm / ºC 2 |
| OPERATING TEMPERATURE RANGE | -40°C ~ 85°C |
| STORAGE TEMPERATURE RANGE | -55°C ~ 125°C |
| TURN OVER TEMPERATURE | 25°C ± 5°C |
| LOAD CAPACITANCE | STD: 12.5pF (See P/N guide for other options) |
| SHUNT CAPACITANCE | 1.20pF max. |
| MOTIONAL CAPACITANCE | 0.0023pF typ. |
| EQUIVALENT SERIES RESISTANCE | 65kΩ max. |
| INSULATION RESISTANCE | 500MΩ min. @ 100V DC ± 15V DC |
| DRIVE LEVEL | 0.1µW typ. 1.0µW max. |
| AGING @ 25°C ± 3°C | ±3.0ppm / 1 st year max. |
| SHOCK | ±5.0ppm max. |
| VIBRATION | ±5.0ppm max. |

抗沖擊
晶振可能會在某些條件下受到損壞。例如從桌上跌落或在貼裝過程中受到沖擊。如果產品已受過沖擊請勿使用。
輻射
暴露于輻射環境會導致石英晶體性能受到損害,因此應避免照射。
化學制劑/pH值環境
請勿在PH值范圍可能導致腐蝕或溶解晶振或包裝材料的環境下使用或儲藏這些產品。Transko晶振,CS71晶振,CS71-A-32.768K-7-TR晶振.
粘合劑
請勿使用可能導致SMD無源晶振所用的封裝材料,終端,組件,玻璃材料以及氣相沉積材料等受到腐蝕的膠粘劑。 (比如,氯基膠粘劑可能腐蝕一個晶體單元的金屬“蓋”,從而破壞密封質量,降低性能。)
鹵化合物
請勿在鹵素氣體環境下使用無源晶振。即使少量的鹵素氣體,比如在空氣中的氯氣內或封裝所用金屬部件內,都可能產生腐蝕。同時,請勿使用任何會釋放出鹵素氣體的樹脂。
靜電
過高的靜電可能會損壞石英晶體諧振器,請注意抗靜電條件。請為容器和封裝材料選擇導電材料。在處理的時候,請使用電焊槍和無高電壓泄漏的測量電路,并進行接地操作。
公司名:深圳市金洛鑫電子有限公司
聯系人:茹紅青
手機:13510569637
電話:0755-27837162
QQ號:657116624
微信公眾號:CITIZENCRYSTAL
搜狐公眾號:晶振石英晶振NDK晶振
郵箱:jinluodz@163.com
地址:深圳市寶安區41區甲岸路19號
相關的產品 / Related Products

- CTS晶振,貼片晶振,TFPMN晶振,石英晶振
- 32.768K時鐘晶體具有小型,薄型,輕型的貼片晶振表面音叉型晶體諧振器,產品具有優良的耐熱性,耐環境特性,可發揮晶振優良的電氣特性,符合RoHS規定,滿足無鉛焊接的高溫回流溫度曲線要求,金屬外殼的封裝使得產品在封裝時能發揮比陶瓷諧振器外殼更好的耐沖擊性.
JLX-PD
金洛鑫產品系列
PRODUCT LINE
石英晶振
QuartzCrystal
- KDS晶振
- 愛普生晶振
- NDK晶振
- 京瓷晶振
- 精工晶振
- 西鐵城晶振
- 大河晶振
- 村田晶振
- 泰藝晶振
- TXC晶振
- 鴻星晶振
- 希華晶振
- 加高晶振
- 百利通亞陶晶振
- 嘉碩晶振
- 津綻晶振
- 瑪居禮晶振
- 富士晶振
- SMI晶振
- Lihom晶振
- SHINSUNG晶振
- NAKA晶振
- AKER晶振
- NKG晶振
- NJR晶振
- Sunny晶振
貼片晶振
SMDcrystal
- CTS晶振
- 微晶晶振
- 瑞康晶振
- 康納溫菲爾德晶振
- 高利奇晶振
- Jauch晶振
- AbraconCrystal晶振
- 維管晶振
- ECScrystal晶振
- 日蝕晶振
- 拉隆晶振
- 格林雷晶振
- SiTimeCrystal晶振
- IDTcrystal晶振
- PletronicsCrystal晶振
- StatekCrystal晶振
- AEK晶振
- AEL晶振
- Cardinal晶振
- Crystek晶振
- Euroquartz晶振
- Fox晶振
- Frequency晶振
- GEYER晶振
- KVG晶振
- ILSI晶振
- Mmdcomp晶振
- MtronPTI晶振
- QANTEK晶振
- QuartzCom晶振
- Quarztechnik晶振
- Suntsu晶振
- Transko晶振
- Wi2Wi晶振
- ITTI晶振
- Oscilent晶振
- ACT晶振
- Rubyquartz晶振
- MTI-milliren晶振
- PDI晶振
- IQD晶振
- Microchip晶振
- Silicon晶振
- Anderson晶振
- Fortiming晶振
- CORE晶振
- NIPPON晶振
- NIC晶振
- QVS晶振
- Bomar晶振
- Bliley晶振
- GED晶振
- FILTRONETICS晶振
- STD晶振
- Q-Tech晶振
- Wenzel晶振
- NEL晶振
- EM晶振
- PETERMANN晶振
- FCD-Tech晶振
- HEC晶振
- FMI晶振
- Macrobizes晶振
- AXTAL晶振
- ARGO晶振
- 瑞薩renesas晶振
- Skyworks晶振

手機版














