AEL晶振,貼片晶振,60610晶振,音叉晶振
頻率:32.768KHZ
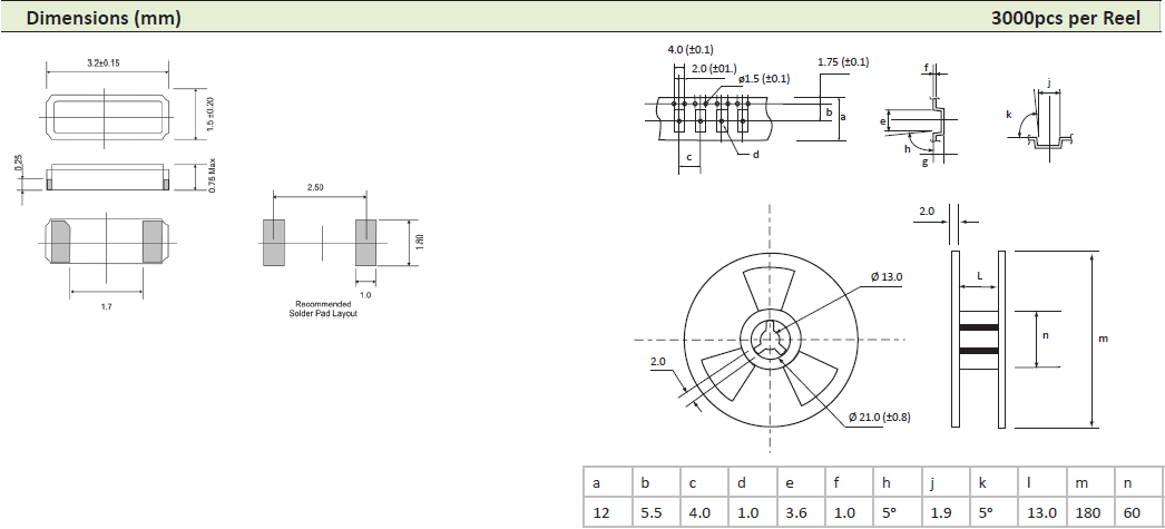
尺寸:3.2*1.5mm
自1991年以來,AEL晶振有限公司已發展成為歐洲領先的頻率控制組件供應商之一。我們的成功基于扎實的工程知識基礎,同時也為我們的客戶提供高效的總體供應鏈管理服務。無論您身在何處,無論您是在英國設有研發機構還是在遠東地區生產,您都可以確信AEL將始終以具有全球競爭力的價格為您提供始終如一的質量和可靠的服務。
我們的進口晶振產品在機頂盒,安防產品,汽車產品和移動和地面通信等多種應用領域獲得了全球的普遍認可。我們每周運送數百萬單位到從墨西哥到中國的目的地。隨著頻率控制領域的許多新型創新產品的開發,我們能夠為今天的電子工程師提供在頻率產生領域更大程度的靈活性的自由。智能穿戴3215時鐘晶振,32.768KHZ音叉SMD晶體,60610晶振
AEL晶振,貼片晶振,60610晶振,音叉晶振,此款SMD晶體并且可以承受回流焊接的高溫,波峰焊接,回流焊接等,貼片表晶主要特點是該產品排帶包裝,焊接模式主要使用SMT焊接,給現代SMT工藝帶來高速的工作效率,32.768K系列產品本身具有體積小,厚度薄,重量輕等特點,此音叉型石英晶體諧振器,晶振產品本身具備優良的耐熱性,耐環境特性,在辦公自動化,家電領域,移動通信領域可發揮優良的電氣特性,符合無鉛標準,滿足無鉛焊接的回流溫度曲線要求,金屬外殼的石英晶振使得產品在封裝時能發揮比陶瓷晶振外殼更好的耐沖擊性能.
超小型石英貼片晶振晶片的設計:石英晶片的長寬尺寸已要求在±0.002mm內,由于32.768K晶振晶片很小導致晶體的各類寄生波(如長度伸縮振動,面切變振動)與主振動(厚度切變振動)的耦合加強,從而造成如若石英晶振晶片的長度或寬度尺寸設計不正確、使得振動強烈耦合導致石英晶振的晶片不能正常工作,從而導致產品在客戶端不能正常使用,晶振的研發及生產超小型石英晶振完成晶片的設計特別是外形尺寸的設計是首要需解決的技術問題,公司在此方面通過理論與實踐相結合,模擬出一整套此石英晶振晶片設計的計算機程序,該程序晶振的晶片外形尺寸已全面應用并取得很好的效果。智能穿戴3215時鐘晶振,32.768KHZ音叉SMD晶體,60610晶振
|
AEL晶振 |
單位 |
60610晶振 |
石英晶振基本條件 |
|
標準頻率 |
f_nom |
32.768KHZ |
標準頻率 |
|
儲存溫度 |
T_stg |
-55°C~+125°C |
裸存 |
|
工作溫度 |
T_use |
-40°C~+85°C |
標準溫度 |
|
激勵功率 |
DL |
1.0μW Max. |
推薦:1.0μW |
|
頻率公差 |
f_— l |
±20× 10-6 |
+25°C 對于超出標準的規格說明, |
|
頻率溫度特征 |
f_tem |
-0.034±0.006× 10-6/-30°C~+85°C |
超出標準的規格請聯系我們. |
|
負載電容 |
CL |
12.5PF |
不同負載電容要求,請聯系我們. |
|
串聯電阻(ESR) |
R1 |
如下表所示 |
-40°C~+85°C, DL = 100μW |
|
頻率老化 |
f_age |
±3× 10-6/year Max. |
+25°C,第一年 |
石英貼片晶振產品的設計和生產直到出廠,都會經過嚴格的測試檢測來滿足它的規格要求。通過嚴格的出廠前可靠性測試以提供高質量高的可靠性的石英晶振.但是為了石英晶振的品質和可靠性,必須在適當的條件下存儲,安 裝,運輸。請注意以下的注意事項并在最佳的條件下使用產品,我們將對于客戶按自己的判斷而使用石英晶振所導致的不良不負任何責任。AEL晶振,貼片晶振,60610晶振,音叉晶振
機械振動的影響:當時鐘晶振產品上存在任何給定沖擊或受到周期性機械振動時,比如:壓電揚聲器,壓電蜂鳴器,以及喇叭等,輸出頻率和幅度會受到影響。這種現象對通信器材通信質量有影響。盡管晶振產品設計可最小化這種機械振動的影響,我們推薦事先檢查并按照下列安裝指南進行操作。
PCB設計指導:(1) 理想情況下,機械蜂鳴器應安裝在一個獨立于石英晶體諧振器器件的PCB板上。如果您安裝在同一個PCB板上,最好使用余量或切割PCB。當應用于PCB板本身或PCB板體內部時,機械振動程度有所不同。建議遵照內部板體特性。(2) 在設計時請參考相應的推薦封裝。(3) 在使用焊料助焊劑時,按JIS標準(JIS C 60068-2-20/IEC 60,068-2-20).來使用。(4) 請按JIS標準(JIS Z 3282, Pb 含量 1000ppm, 0.1wt% 或更少)來使用無鉛焊料。 智能穿戴3215時鐘晶振,32.768KHZ音叉SMD晶體,60610晶振
晶體諧振腔的形式模式,但泛音振蕩或基波。振蕩開始代替。在SMD封裝32.768K晶振基本諧振的情況下(MHz頻段)反饋電阻通常是1米?。在泛音諧振器(兆赫頻帶)的情況下,值取決于IC和頻率特性,但在幾個范圍內。K?-?幾十K。在的案例(kHz頻段),需要連接一個電阻10米或更?。限制流入諧振器的電流,調節負電阻和勵磁。電平,防止諧振腔的反常振蕩,抑制頻率波動。C1、C2電容器調節負電阻、勵磁電平和振蕩頻率。還設置有給定負載能力。AEL晶振,貼片晶振,60610晶振,音叉晶振
適當的控制電阻值(RD)取決于無源貼片晶振的類型,頻帶和設備的價值。電容器(C1,C2)。精確值是通過測量振蕩電路的特性來確定的(包括負電阻和驅動級)。AT切割諧振器(兆赫頻帶)的參考值在幾個范圍內。?幾K?。音叉式諧振器(kHz頻段)的參考值在100 K?幾K?范圍。安裝電容器的適當值取決于諧振器的類型、頻帶、控制電阻器的值和振蕩的順序,在3 pF的范圍內- 33 pF左右,僅供參考。
此外,振蕩頻率與測量點不同。1。測量小體積千赫晶振緩沖輸出2。振蕩級輸出測量三.通過電容器測量振蕩級輸出圖5示出以上1-3個測量點和所測量的除緩沖器輸出外,振蕩頻率較低。
負載電容:如果振蕩電路中負載電容的不同,可能導致3215貼片晶振振蕩頻率與設計頻率之間產生偏差,如下圖所示。電路中的負載電容的近似表達式 CL≒CG × CD / (CG+CD) + CS。其中CS表示電路的雜散電容。智能穿戴3215時鐘晶振,32.768KHZ音叉SMD晶體,60610晶振
公司名:深圳市金洛鑫電子有限公司
聯系人:茹紅青
手機:13510569637
電話:0755-27837162
QQ號:657116624
微信公眾號:CITIZENCRYSTAL
搜狐公眾號:晶振石英晶振NDK晶振
郵箱:jinluodz@163.com
地址:深圳市寶安區41區甲岸路19號
相關的產品 / Related Products

- Cardinal晶振,貼片晶振,CPS晶振,音叉晶振
- 貼片石英晶體諧振器,又簡稱為排帶包裝,這是這產品采用排帶盤式包裝,使產品在焊接時能采用SMT自動貼片機高速的焊接,大大節約人工,提高工作效率。32.768KHz千赫子時鐘晶體,其本身主要應用在時鐘控制產品,或者是控制模塊,主要給時鐘芯片提供一個基準信號,其主要各項功能還得看應用何種產品。本產品具有小型,薄型,輕型的貼片晶振表面型音叉式石英晶體諧振器,產品具有優良的耐熱性,耐環境特性,可發揮晶振優良的電氣特性,符合RoHS規定,滿足無鉛焊接的高溫回流溫度曲線要求,金屬外殼的封裝使得產品在封裝時能發揮比陶瓷諧振器外殼更好的耐沖擊性.

- QANTEK晶振,貼片晶振,QC5B晶振,石英晶體諧振器
- 智能手機晶振,產品具有高精度超小型的表面貼片型石英晶體振蕩器,最適用于移動通信終端的基準時鐘等移動通信領域.比如智能手機,無線通信,衛星導航,平臺基站等較高端的數碼產品,晶振本身小型,薄型具備各類移動通信的基準時鐘源用頻率,貼片晶振具有優良的電氣特性,耐環境性能適用于移動通信領域,滿足無鉛焊接的高溫回流溫度曲線要求.

- GEYER晶振,貼片晶振,KX-327NHT晶振,音叉晶振
- 此款SMD晶體并且可以承受回流焊接的高溫,波峰焊接,回流焊接等,貼片表晶主要特點是該產品排帶包裝,焊接模式主要使用SMT焊接,給現代SMT工藝帶來高速的工作效率,32.768K系列產品本身具有體積小,厚度薄,重量輕等特點,此音叉型石英晶體諧振器,晶振產品本身具備優良的耐熱性,耐環境特性,在辦公自動化,家電領域,移動通信領域可發揮優良的電氣特性,符合無鉛標準,滿足無鉛焊接的回流溫度曲線要求,金屬外殼的石英晶振使得產品在封裝時能發揮比陶瓷晶振外殼更好的耐沖擊性能.
JLX-PD
金洛鑫產品系列
PRODUCT LINE
石英晶振
QuartzCrystal
- KDS晶振
- 愛普生晶振
- NDK晶振
- 京瓷晶振
- 精工晶振
- 西鐵城晶振
- 大河晶振
- 村田晶振
- 泰藝晶振
- TXC晶振
- 鴻星晶振
- 希華晶振
- 加高晶振
- 百利通亞陶晶振
- 嘉碩晶振
- 津綻晶振
- 瑪居禮晶振
- 富士晶振
- SMI晶振
- Lihom晶振
- SHINSUNG晶振
- NAKA晶振
- AKER晶振
- NKG晶振
- NJR晶振
- Sunny晶振
貼片晶振
SMDcrystal
- CTS晶振
- 微晶晶振
- 瑞康晶振
- 康納溫菲爾德晶振
- 高利奇晶振
- Jauch晶振
- AbraconCrystal晶振
- 維管晶振
- ECScrystal晶振
- 日蝕晶振
- 拉隆晶振
- 格林雷晶振
- SiTimeCrystal晶振
- IDTcrystal晶振
- PletronicsCrystal晶振
- StatekCrystal晶振
- AEK晶振
- AEL晶振
- Cardinal晶振
- Crystek晶振
- Euroquartz晶振
- Fox晶振
- Frequency晶振
- GEYER晶振
- KVG晶振
- ILSI晶振
- Mmdcomp晶振
- MtronPTI晶振
- QANTEK晶振
- QuartzCom晶振
- Quarztechnik晶振
- Suntsu晶振
- Transko晶振
- Wi2Wi晶振
- ITTI晶振
- Oscilent晶振
- ACT晶振
- Rubyquartz晶振
- MTI-milliren晶振
- PDI晶振
- IQD晶振
- Microchip晶振
- Silicon晶振
- Anderson晶振
- Fortiming晶振
- CORE晶振
- NIPPON晶振
- NIC晶振
- QVS晶振
- Bomar晶振
- Bliley晶振
- GED晶振
- FILTRONETICS晶振
- STD晶振
- Q-Tech晶振
- Wenzel晶振
- NEL晶振
- EM晶振
- PETERMANN晶振
- FCD-Tech晶振
- HEC晶振
- FMI晶振
- Macrobizes晶振
- AXTAL晶振
- ARGO晶振
- 瑞薩renesas晶振
- Skyworks晶振

手機版












