514GBB000118AAG,Silicon品牌,6G數據通訊晶振,歐美晶振,Silicon晶振,Si514有源晶振,514GBB000118AAG晶振,石英晶體振蕩器,CMOS輸出晶振,7050mm晶振,六腳貼片晶振,SMD晶振,頻率156.25MHz,電壓2.5V,頻率偏差25ppm,工作溫度-40~85°C,低老化晶振,高穩定性晶振,耐高溫晶振,6G數據通訊晶振,3G-SDI/HD-SDI/SDI晶振,更換DAC+ VCXO晶振,全數字鎖相環晶振.
514GBB000118AAG,Silicon品牌,6G數據通訊晶振特點:
-支持100KHz ~ 250MHz的任意頻率
-0.026 PPB頻率調諧分辨率
-對OE、上電、頻率轉換等故障進行抑制
-低抖動操作
-2 - 4周的交貨期
-總穩定性包括10年老化
-全面的生產測試覆蓋范圍包括晶體ESR和DLD
-片上LDO穩壓器,用于電源噪聲濾波
-3.3、2.5或1.8 V操作
-差分(LVPECL, LVDS, HCSL)或CMOS輸出選項
-可選集成1:2 CMOS扇出緩沖器
-在OE和電源上進行微弱抑制
-行業標準5 × 7、3.2 × 5和2.5 × 3.2 mm封裝
-無鉛,符合RoHS標準
-工作溫度-40至85℃操作
514GBB000118AAG,Silicon品牌,6G數據通訊晶振規格表
項目
符號
規格說明
條件
額定頻率
f_nom
156.25MHz
請聯系我們以便獲取其它可用頻率的相關信息
電源電壓
Vcc
2.5V
儲存溫度
T_stg
-55℃~+125℃
裸存
工作溫度
T_use
-40℃~ +85℃
頻率穩定性
f_tol
±25ppm
+25℃,超出標準的規格說明請聯系我們以便獲取相關信息
電源電流
IDD
26mA Max
對稱性(占空比)
SYM
45%~55%
在輸出交叉點
輸出電壓
VOL
0.85×VDD Min
VOH
0.15×VDD Max
輸入電壓
VIH
0.8×VDD Min
VIL
0.2×VDD Max
上升下降時間
tr/tf
1.2ns Max
起始時間
t str
10ms Max
相位抖動
tpj
1.0ps Max
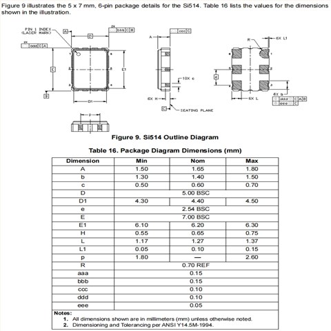
514GBB000118AAG,Silicon品牌,6G數據通訊晶振尺寸圖
原廠代碼 | 品牌 | 型號 | 頻率 | 電壓 | 頻率穩定度 | 尺寸 |
510BBA156M250BAGR | Silicon Labs | Si510 | 156.25MHz | 3.3V | ±25ppm | 0.197" L x 0.126" W (5.00mm x 3.20mm) |
510BBA156M250BAGR | Silicon Labs | Si510 | 156.25MHz | 3.3V | ±25ppm | 0.197" L x 0.126" W (5.00mm x 3.20mm) |
510BBA156M250BAGR | Silicon Labs | Si510 | 156.25MHz | 3.3V | ±25ppm | 0.197" L x 0.126" W (5.00mm x 3.20mm) |
511FBA125M000BAG | Silicon Labs | Si511 | 125MHz | 2.5V | ±25ppm | 0.197" L x 0.126" W (5.00mm x 3.20mm) |
511BBA100M000AAG | Silicon Labs | Si511 | 100MHz | 3.3V | ±25ppm | 0.276" L x 0.197" W (7.00mm x 5.00mm) |
511BBA148M500BAG | Silicon Labs | Si511 | 148.5MHz | 3.3V | ±25ppm | 0.197" L x 0.126" W (5.00mm x 3.20mm) |
511ABA156M250AAG | Silicon Labs | Si511 | 156.25MHz | 3.3V | ±25ppm | 0.276" L x 0.197" W (7.00mm x 5.00mm) |
511BBA200M000BAG | Silicon Labs | Si511 | 200MHz | 3.3V | ±25ppm | 0.197" L x 0.126" W (5.00mm x 3.20mm) |
511BBA100M000BAG | Silicon Labs | Si511 | 100MHz | 3.3V | ±25ppm | 0.197" L x 0.126" W (5.00mm x 3.20mm) |
510BBA125M000BAG | Silicon Labs | Si510 | 125MHz | 3.3V | ±25ppm | 0.197" L x 0.126" W (5.00mm x 3.20mm) |
511BBA125M000BAG | Silicon Labs | Si511 | 125MHz | 3.3V | ±25ppm | 0.197" L x 0.126" W (5.00mm x 3.20mm) |
511ABA100M000AAG | Silicon Labs | Si511 | 100MHz | 3.3V | ±25ppm | 0.276" L x 0.197" W (7.00mm x 5.00mm) |
511BBA000110BAG | Silicon Labs | Si511 | 148.35165MHz | 3.3V | ±25ppm | 0.197" L x 0.126" W (5.00mm x 3.20mm) |
511BBA148M500AAG | Silicon Labs | Si511 | 148.5MHz | 3.3V | ±25ppm | 0.276" L x 0.197" W (7.00mm x 5.00mm) |
511FBA200M000BAG | Silicon Labs | Si511 | 200MHz | 2.5V | ±25ppm | 0.197" L x 0.126" W (5.00mm x 3.20mm) |
510BBA200M000BAG | Silicon Labs | Si510 | 200MHz | 3.3V | ±25ppm | 0.197" L x 0.126" W (5.00mm x 3.20mm) |
511FBA200M000AAG | Silicon Labs | Si511 | 200MHz | 2.5V | ±25ppm | 0.276" L x 0.197" W (7.00mm x 5.00mm) |
511ABA25M0000BAG | Silicon Labs | Si511 | 25MHz | 3.3V | ±25ppm | 0.197" L x 0.126" W (5.00mm x 3.20mm) |
511FCA100M000BAG | Silicon Labs | Si511 | 100MHz | 2.5V | ±20ppm | 0.197" L x 0.126" W (5.00mm x 3.20mm) |
511BCA100M000BAG | Silicon Labs | Si511 | 100MHz | 3.3V | ±20ppm | 0.197" L x 0.126" W (5.00mm x 3.20mm) |
510ABA125M000BAG | Silicon Labs | Si510 | 125MHz | 3.3V | ±25ppm | 0.197" L x 0.126" W (5.00mm x 3.20mm) |
511BBA74M2500BAG | Silicon Labs | Si511 | 74.25MHz | 3.3V | ±25ppm | 0.197" L x 0.126" W (5.00mm x 3.20mm) |
510BBA156M250BAG | Silicon Labs | Si510 | 156.25MHz | 3.3V | ±25ppm | 0.197" L x 0.126" W (5.00mm x 3.20mm) |
511ABA156M250BAG | Silicon Labs | Si511 | 156.25MHz | 3.3V | ±25ppm | 0.197" L x 0.126" W (5.00mm x 3.20mm) |
510FBA200M000BAG | Silicon Labs | Si510 | 200MHz | 2.5V | ±25ppm | 0.197" L x 0.126" W (5.00mm x 3.20mm) |
510ABA200M000BAG | Silicon Labs | Si510 | 200MHz | 3.3V | ±25ppm | 0.197" L x 0.126" W (5.00mm x 3.20mm) |
511ABA156M250AAGR | Silicon Labs | Si511 | 156.25MHz | 3.3V | ±25ppm | 0.276" L x 0.197" W (7.00mm x 5.00mm) |
511ABA156M250AAGR | Silicon Labs | Si511 | 156.25MHz | 3.3V | ±25ppm | 0.276" L x 0.197" W (7.00mm x 5.00mm) |
511ABA156M250AAGR | Silicon Labs | Si511 | 156.25MHz | 3.3V | ±25ppm | 0.276" L x 0.197" W (7.00mm x 5.00mm) |
511FBA100M000BAG | Silicon Labs | Si511 | 100MHz | 2.5V | ±25ppm | 0.197" L x 0.126" W (5.00mm x 3.20mm) |
511BBA106M250BAG | Silicon Labs | Si511 | 106.25MHz | 3.3V | ±25ppm | 0.197" L x 0.126" W (5.00mm x 3.20mm) |
510BBA156M250AAG | Silicon Labs | Si510 | 156.25MHz | 3.3V | ±25ppm | 0.276" L x 0.197" W (7.00mm x 5.00mm) |
510ABA156M250AAG | Silicon Labs | Si510 | 156.25MHz | 3.3V | ±25ppm | 0.276" L x 0.197" W (7.00mm x 5.00mm) |
510FBA125M000BAG | Silicon Labs | Si510 | 125MHz | 2.5V | ±25ppm | 0.197" L x 0.126" W (5.00mm x 3.20mm) |
511BBA000149BAG | Silicon Labs | Si511 | 74.175824MHz | 3.3V | ±25ppm | 0.197" L x 0.126" W (5.00mm x 3.20mm) |
510FBA100M000BAG | Silicon Labs | Si510 | 100MHz | 2.5V | ±25ppm | 0.197" L x 0.126" W (5.00mm x 3.20mm) |
511FBA106M250BAG | Silicon Labs | Si511 | 106.25MHz | 2.5V | ±25ppm | 0.197" L x 0.126" W (5.00mm x 3.20mm) |
510BBA106M250BAG | Silicon Labs | Si510 | 106.25MHz | 3.3V | ±25ppm | 0.197" L x 0.126" W (5.00mm x 3.20mm) |
511BBA125M000AAG | Silicon Labs | Si511 | 125MHz | 3.3V | ±25ppm | 0.276" L x 0.197" W (7.00mm x 5.00mm) |
510BBA100M000AAG | Silicon Labs | Si510 | 100MHz | 3.3V | ±25ppm | 0.276" L x 0.197" W (7.00mm x 5.00mm) |
510BBA125M000AAG | Silicon Labs | Si510 | 125MHz | 3.3V | ±25ppm | 0.276" L x 0.197" W (7.00mm x 5.00mm) |
511FBA100M000AAG | Silicon Labs | Si511 | 100MHz | 2.5V | ±25ppm | 0.276" L x 0.197" W (7.00mm x 5.00mm) |
511BBA106M250AAG | Silicon Labs | Si511 | 106.25MHz | 3.3V | ±25ppm | 0.276" L x 0.197" W (7.00mm x 5.00mm) |
511FBA148M500BAG | Silicon Labs | Si511 | 148.5MHz | 2.5V | ±25ppm | 0.197" L x 0.126" W (5.00mm x 3.20mm) |
510FBA148M500BAG | Silicon Labs | Si510 | 148.5MHz | 2.5V | ±25ppm | 0.197" L x 0.126" W (5.00mm x 3.20mm) |
511BBA156M250BAG | Silicon Labs | Si511 | 156.25MHz | 3.3V | ±25ppm | 0.197" L x 0.126" W (5.00mm x 3.20mm) |
511FBA156M250BAG | Silicon Labs | Si511 | 156.25MHz | 2.5V | ±25ppm | 0.197" L x 0.126" W (5.00mm x 3.20mm) |
510BBA148M500BAG | Silicon Labs | Si510 | 148.5MHz | 3.3V | ±25ppm | 0.197" L x 0.126" W (5.00mm x 3.20mm) |
511BBA156M250AAG | Silicon Labs | Si511 | 156.25MHz | 3.3V | ±25ppm | 0.276" L x 0.197" W (7.00mm x 5.00mm) |
510FBA156M250AAG | Silicon Labs | Si510 | 156.25MHz | 2.5V | ±25ppm | 0.276" L x 0.197" W (7.00mm x 5.00mm) |
511ABA155M520AAG | Silicon Labs | Si511 | 155.52MHz | 3.3V | ±25ppm | 0.276" L x 0.197" W (7.00mm x 5.00mm) |
510FBA148M500AAG | Silicon Labs | Si510 | 148.5MHz | 2.5V | ±25ppm | 0.276" L x 0.197" W (7.00mm x 5.00mm) |
511BBA155M520AAG | Silicon Labs | Si511 | 155.52MHz | 3.3V | ±25ppm | 0.276" L x 0.197" W (7.00mm x 5.00mm) |
510BBA148M500AAG | Silicon Labs | Si510 | 148.5MHz | 3.3V | ±25ppm | 0.276" L x 0.197" W (7.00mm x 5.00mm) |
510ABA148M500AAG | Silicon Labs | Si510 | 148.5MHz | 3.3V | ±25ppm | 0.276" L x 0.197" W (7.00mm x 5.00mm) |
510DBA100M000AAG | Silicon Labs | Si510 | 100MHz | 3.3V | ±25ppm | 0.276" L x 0.197" W (7.00mm x 5.00mm) |
510ABA000149BAG | Silicon Labs | Si510 | 74.175824MHz | 3.3V | ±25ppm | 0.197" L x 0.126" W (5.00mm x 3.20mm) |
510BBA000149BAG | Silicon Labs | Si510 | 74.175824MHz | 3.3V | ±25ppm | 0.197" L x 0.126" W (5.00mm x 3.20mm) |
511FBA000149BAG | Silicon Labs | Si511 | 74.175824MHz | 2.5V | ±25ppm | 0.197" L x 0.126" W (5.00mm x 3.20mm) |
510ABA106M250BAG | Silicon Labs | Si510 | 106.25MHz | 3.3V | ±25ppm | 0.197" L x 0.126" W (5.00mm x 3.20mm) |
511ABA106M250BAG | Silicon Labs | Si511 | 106.25MHz | 3.3V | ±25ppm | 0.197" L x 0.126" W (5.00mm x 3.20mm) |
511FBA74M2500BAG | Silicon Labs | Si511 | 74.25MHz | 2.5V | ±25ppm | 0.197" L x 0.126" W (5.00mm x 3.20mm) |
511ABA000149BAG | Silicon Labs | Si511 | 74.175824MHz | 3.3V | ±25ppm | 0.197" L x 0.126" W (5.00mm x 3.20mm) |
510FBA000149BAG | Silicon Labs | Si510 | 74.175824MHz | 2.5V | ±25ppm | 0.197" L x 0.126" W (5.00mm x 3.20mm) |
510ABA74M2500BAG | Silicon Labs | Si510 | 74.25MHz | 3.3V | ±25ppm | 0.197" L x 0.126" W (5.00mm x 3.20mm) |
510FBA000149AAG | Silicon Labs | Si510 | 74.175824MHz | 2.5V | ±25ppm | 0.276" L x 0.197" W (7.00mm x 5.00mm) |
510ABA125M000AAG | Silicon Labs | Si510 | 125MHz | 3.3V | ±25ppm | 0.276" L x 0.197" W (7.00mm x 5.00mm) |
510ABA106M250AAG | Silicon Labs | Si510 | 106.25MHz | 3.3V | ±25ppm | 0.276" L x 0.197" W (7.00mm x 5.00mm) |
511FBA106M250AAG | Silicon Labs | Si511 | 106.25MHz | 2.5V | ±25ppm | 0.276" L x 0.197" W (7.00mm x 5.00mm) |
510ABA74M2500AAG | Silicon Labs | Si510 | 74.25MHz | 3.3V | ±25ppm | 0.276" L x 0.197" W (7.00mm x 5.00mm) |
511FBA000149AAG | Silicon Labs | Si511 | 74.175824MHz | 2.5V | ±25ppm | 0.276" L x 0.197" W (7.00mm x 5.00mm) |
510BBA000149AAG | Silicon Labs | Si510 | 74.175824MHz | 3.3V | ±25ppm | 0.276" L x 0.197" W (7.00mm x 5.00mm) |
510ABA000149AAG | Silicon Labs | Si510 | 74.175824MHz | 3.3V | ±25ppm | 0.276" L x 0.197" W (7.00mm x 5.00mm) |
510FBA74M2500AAG | Silicon Labs | Si510 | 74.25MHz | 2.5V | ±25ppm | 0.276" L x 0.197" W (7.00mm x 5.00mm) |
511ABA74M2500AAG | Silicon Labs | Si511 | 74.25MHz | 3.3V | ±25ppm | 0.276" L x 0.197" W (7.00mm x 5.00mm) |
510BBA106M250AAG | Silicon Labs | Si510 | 106.25MHz | 3.3V | ±25ppm | 0.276" L x 0.197" W (7.00mm x 5.00mm) |
511ABA000149AAG | Silicon Labs | Si511 | 74.175824MHz | 3.3V | ±25ppm | 0.276" L x 0.197" W (7.00mm x 5.00mm) |
510BBA74M2500AAG | Silicon Labs | Si510 | 74.25MHz | 3.3V | ±25ppm | 0.276" L x 0.197" W (7.00mm x 5.00mm) |
511FBA74M2500AAG | Silicon Labs | Si511 | 74.25MHz | 2.5V | ±25ppm | 0.276" L x 0.197" W (7.00mm x 5.00mm) |
510FBA106M250AAG | Silicon Labs | Si510 | 106.25MHz | 2.5V | ±25ppm | 0.276" L x 0.197" W (7.00mm x 5.00mm) |
511BBA000149AAG | Silicon Labs | Si511 | 74.175824MHz | 3.3V | ±25ppm | 0.276" L x 0.197" W (7.00mm x 5.00mm) |
510ABA155M520BAG | Silicon Labs | Si510 | 155.52MHz | 3.3V | ±25ppm | 0.197" L x 0.126" W (5.00mm x 3.20mm) |
510FBA155M520BAG | Silicon Labs | Si510 | 155.52MHz | 2.5V | ±25ppm | 0.197" L x 0.126" W (5.00mm x 3.20mm) |
511FBA155M520BAG | Silicon Labs | Si511 | 155.52MHz | 2.5V | ±25ppm | 0.197" L x 0.126" W (5.00mm x 3.20mm) |
510ABA000110BAG | Silicon Labs | Si510 | 148.35165MHz | 3.3V | ±25ppm | 0.197" L x 0.126" W (5.00mm x 3.20mm) |
511ABA000110BAG | Silicon Labs | Si511 | 148.35165MHz | 3.3V | ±25ppm | 0.197" L x 0.126" W (5.00mm x 3.20mm) |
511ABA148M500BAG | Silicon Labs | Si511 | 148.5MHz | 3.3V | ±25ppm | 0.197" L x 0.126" W (5.00mm x 3.20mm) |
511ABA155M520BAG | Silicon Labs | Si511 | 155.52MHz | 3.3V | ±25ppm | 0.197" L x 0.126" W (5.00mm x 3.20mm) |
510BBA000110BAG | Silicon Labs | Si510 | 148.35165MHz | 3.3V | ±25ppm | 0.197" L x 0.126" W (5.00mm x 3.20mm) |
510FBA000110BAG | Silicon Labs | Si510 | 148.35165MHz | 2.5V | ±25ppm | 0.197" L x 0.126" W (5.00mm x 3.20mm) |
510BBA155M520BAG | Silicon Labs | Si510 | 155.52MHz | 3.3V | ±25ppm | 0.197" L x 0.126" W (5.00mm x 3.20mm) |
510FBA155M520AAG | Silicon Labs | Si510 | 155.52MHz | 2.5V | ±25ppm | 0.276" L x 0.197" W (7.00mm x 5.00mm) |
510ABA000110AAG | Silicon Labs | Si510 | 148.35165MHz | 3.3V | ±25ppm | 0.276" L x 0.197" W (7.00mm x 5.00mm) |
510FBA000110AAG | Silicon Labs | Si510 | 148.35165MHz | 2.5V | ±25ppm | 0.276" L x 0.197" W (7.00mm x 5.00mm) |
511FBA155M520AAG | Silicon Labs | Si511 | 155.52MHz | 2.5V | ±25ppm | 0.276" L x 0.197" W (7.00mm x 5.00mm) |
510ABA155M520AAG | Silicon Labs | Si510 | 155.52MHz | 3.3V | ±25ppm | 0.276" L x 0.197" W (7.00mm x 5.00mm) |
511ABA148M500AAG | Silicon Labs | Si511 | 148.5MHz | 3.3V | ±25ppm | 0.276" L x 0.197" W (7.00mm x 5.00mm) |
511FBA148M500AAG | Silicon Labs | Si511 | 148.5MHz | 2.5V | ±25ppm | 0.276" L x 0.197" W (7.00mm x 5.00mm) |
511FBA156M250AAG | Silicon Labs | Si511 | 156.25MHz | 2.5V | ±25ppm | 0.276" L x 0.197" W (7.00mm x 5.00mm) |
510FBA212M500BAG | Silicon Labs | Si510 | 212.5MHz | 2.5V | ±25ppm | 0.197" L x 0.126" W (5.00mm x 3.20mm) |
511FBA212M500BAG | Silicon Labs | Si511 | 212.5MHz | 2.5V | ±25ppm | 0.197" L x 0.126" W (5.00mm x 3.20mm) |
510ABA212M500BAG | Silicon Labs | Si510 | 212.5MHz | 3.3V | ±25ppm | 0.197" L x 0.126" W (5.00mm x 3.20mm) |
511ABA200M000BAG | Silicon Labs | Si511 | 200MHz | 3.3V | ±25ppm | 0.197" L x 0.126" W (5.00mm x 3.20mm) |
510ABA212M500AAG | Silicon Labs | Si510 | 212.5MHz | 3.3V | ±25ppm | 0.276" L x 0.197" W (7.00mm x 5.00mm) |
510BBA212M500AAG | Silicon Labs | Si510 | 212.5MHz | 3.3V | ±25ppm | 0.276" L x 0.197" W (7.00mm x 5.00mm) |
510FBA212M500AAG | Silicon Labs | Si510 | 212.5MHz | 2.5V | ±25ppm | 0.276" L x 0.197" W (7.00mm x 5.00mm) |
510FBA200M000AAG | Silicon Labs | Si510 | 200MHz | 2.5V | ±25ppm | 0.276" L x 0.197" W (7.00mm x 5.00mm) |
511ABA212M500AAG | Silicon Labs | Si511 | 212.5MHz | 3.3V | ±25ppm | 0.276" L x 0.197" W (7.00mm x 5.00mm) |
510EBA125M000AAG | Silicon Labs | Si510 | 125MHz | 2.5V | ±25ppm | 0.276" L x 0.197" W (7.00mm x 5.00mm) |
510ACA47M2500AAG | Silicon Labs | Si510 | 47.25MHz | 3.3V | ±20ppm | 0.276" L x 0.197" W (7.00mm x 5.00mm) |
511SAA100M000AAG | Silicon Labs | Si511 | 100MHz | 1.8V | ±50ppm | 0.276" L x 0.197" W (7.00mm x 5.00mm) |
510BCA148M500BAG | Silicon Labs | Si510 | 148.5MHz | 3.3V | ±20ppm | 0.197" L x 0.126" W (5.00mm x 3.20mm) |
511FBA125M000AAG | Silicon Labs | Si511 | 125MHz | 2.5V | ±25ppm | 0.276" L x 0.197" W (7.00mm x 5.00mm) |
510BBA74M2500BAG | Silicon Labs | Si510 | 74.25MHz | 3.3V | ±25ppm | 0.197" L x 0.126" W (5.00mm x 3.20mm) |
511ABA125M000BAG | Silicon Labs | Si511 | 125MHz | 3.3V | ±25ppm | 0.197" L x 0.126" W (5.00mm x 3.20mm) |
510BBA100M000BAG | Silicon Labs | Si510 | 100MHz | 3.3V | ±25ppm | 0.197" L x 0.126" W (5.00mm x 3.20mm) |
511ABA100M000BAG | Silicon Labs | Si511 | 100MHz | 3.3V | ±25ppm | 0.197" L x 0.126" W (5.00mm x 3.20mm) |
510FBA125M000AAG | Silicon Labs | Si510 | 125MHz | 2.5V | ±25ppm | 0.276" L x 0.197" W (7.00mm x 5.00mm) |
510ABA100M000AAG | Silicon Labs | Si510 | 100MHz | 3.3V | ±25ppm | 0.276" L x 0.197" W (7.00mm x 5.00mm) |
511BBA200M000AAG | Silicon Labs | Si511 | 200MHz | 3.3V | ±25ppm | 0.276" L x 0.197" W (7.00mm x 5.00mm) |
511ABA74M2500BAG | Silicon Labs | Si511 | 74.25MHz | 3.3V | ±25ppm | 0.197" L x 0.126" W (5.00mm x 3.20mm) |
510FBA74M2500BAG | Silicon Labs | Si510 | 74.25MHz | 2.5V | ±25ppm | 0.197" L x 0.126" W (5.00mm x 3.20mm) |
510ABA100M000BAG | Silicon Labs | Si510 | 100MHz | 3.3V | ±25ppm | 0.197" L x 0.126" W (5.00mm x 3.20mm) |
510FBA100M000AAG | Silicon Labs | Si510 | 100MHz | 2.5V | ±25ppm | 0.276" L x 0.197" W (7.00mm x 5.00mm) |
511BBA74M2500AAG | Silicon Labs | Si511 | 74.25MHz | 3.3V | ±25ppm | 0.276" L x 0.197" W (7.00mm x 5.00mm) |
511ABA106M250AAG | Silicon Labs | Si511 | 106.25MHz | 3.3V | ±25ppm | 0.276" L x 0.197" W (7.00mm x 5.00mm) |
510ABA148M500BAG | Silicon Labs | Si510 | 148.5MHz | 3.3V | ±25ppm | 0.197" L x 0.126" W (5.00mm x 3.20mm) |
511BBA155M520BAG | Silicon Labs | Si511 | 155.52MHz | 3.3V | ±25ppm | 0.197" L x 0.126" W (5.00mm x 3.20mm) |
510ABA156M250BAG | Silicon Labs | Si510 | 156.25MHz | 3.3V | ±25ppm | 0.197" L x 0.126" W (5.00mm x 3.20mm) |
510FBA156M250BAG | Silicon Labs | Si510 | 156.25MHz | 2.5V | ±25ppm | 0.197" L x 0.126" W (5.00mm x 3.20mm) |
511FBA000110BAG | Silicon Labs | Si511 | 148.35165MHz | 2.5V | ±25ppm | 0.197" L x 0.126" W (5.00mm x 3.20mm) |
510BBA155M520AAG | Silicon Labs | Si510 | 155.52MHz | 3.3V | ±25ppm | 0.276" L x 0.197" W (7.00mm x 5.00mm) |
510BBA000110AAG | Silicon Labs | Si510 | 148.35165MHz | 3.3V | ±25ppm | 0.276" L x 0.197" W (7.00mm x 5.00mm) |
511ABA000110AAG | Silicon Labs | Si511 | 148.35165MHz | 3.3V | ±25ppm | 0.276" L x 0.197" W (7.00mm x 5.00mm) |
511BBA000110AAG | Silicon Labs | Si511 | 148.35165MHz | 3.3V | ±25ppm | 0.276" L x 0.197" W (7.00mm x 5.00mm) |
511FBA000110AAG | Silicon Labs | Si511 | 148.35165MHz | 2.5V | ±25ppm | 0.276" L x 0.197" W (7.00mm x 5.00mm) |
510BBA212M500BAG | Silicon Labs | Si510 | 212.5MHz | 3.3V | ±25ppm | 0.197" L x 0.126" W (5.00mm x 3.20mm) |
511ABA212M500BAG | Silicon Labs | Si511 | 212.5MHz | 3.3V | ±25ppm | 0.197" L x 0.126" W (5.00mm x 3.20mm) |
511BBA212M500BAG | Silicon Labs | Si511 | 212.5MHz | 3.3V | ±25ppm | 0.197" L x 0.126" W (5.00mm x 3.20mm) |
511FBA212M500AAG | Silicon Labs | Si511 | 212.5MHz | 2.5V | ±25ppm | 0.276" L x 0.197" W (7.00mm x 5.00mm) |
510BBA200M000AAG | Silicon Labs | Si510 | 200MHz | 3.3V | ±25ppm | 0.276" L x 0.197" W (7.00mm x 5.00mm) |
511BBA212M500AAG | Silicon Labs | Si511 | 212.5MHz | 3.3V | ±25ppm | 0.276" L x 0.197" W (7.00mm x 5.00mm) |
510ABA200M000AAG | Silicon Labs | Si510 | 200MHz | 3.3V | ±25ppm | 0.276" L x 0.197" W (7.00mm x 5.00mm) |
511ABA200M000AAG | Silicon Labs | Si511 | 200MHz | 3.3V | ±25ppm | 0.276" L x 0.197" W (7.00mm x 5.00mm) |
510CBA25M0000BAG | Silicon Labs | Si510 | 25MHz | 3.3V | ±25ppm | 0.197" L x 0.126" W (5.00mm x 3.20mm) |
511SBA156M250BAG | Silicon Labs | Si511 | 156.25MHz | 1.8V | ±50ppm | 0.197" L x 0.126" W (5.00mm x 3.20mm) |
510ABA100M000BAGR | Silicon Labs | Si510 | 100MHz | 3.3V | ±25ppm | 0.197" L x 0.126" W (5.00mm x 3.20mm) |
510ABA125M000BAGR | Silicon Labs | Si510 | 125MHz | 3.3V | ±25ppm | 0.197" L x 0.126" W (5.00mm x 3.20mm) |
510BBA100M000BAGR | Silicon Labs | Si510 | 100MHz | 3.3V | ±25ppm | 0.197" L x 0.126" W (5.00mm x 3.20mm) |
510BBA125M000BAGR | Silicon Labs | Si510 | 125MHz | 3.3V | ±25ppm | 0.197" L x 0.126" W (5.00mm x 3.20mm) |
510FBA100M000BAGR | Silicon Labs | Si510 | 100MHz | 2.5V | ±25ppm | 0.197" L x 0.126" W (5.00mm x 3.20mm) |
510FBA125M000BAGR | Silicon Labs | Si510 | 125MHz | 2.5V | ±25ppm | 0.197" L x 0.126" W (5.00mm x 3.20mm) |
511ABA100M000BAGR | Silicon Labs | Si511 | 100MHz | 3.3V | ±25ppm | 0.197" L x 0.126" W (5.00mm x 3.20mm) |
511ABA125M000BAGR | Silicon Labs | Si511 | 125MHz | 3.3V | ±25ppm | 0.197" L x 0.126" W (5.00mm x 3.20mm) |
511BBA100M000BAGR | Silicon Labs | Si511 | 100MHz | 3.3V | ±25ppm | 0.197" L x 0.126" W (5.00mm x 3.20mm) |
511BBA125M000BAGR | Silicon Labs | Si511 | 125MHz | 3.3V | ±25ppm | 0.197" L x 0.126" W (5.00mm x 3.20mm) |
511FBA100M000BAGR | Silicon Labs | Si511 | 100MHz | 2.5V | ±25ppm | 0.197" L x 0.126" W (5.00mm x 3.20mm) |
511FBA125M000BAGR | Silicon Labs | Si511 | 125MHz | 2.5V | ±25ppm | 0.197" L x 0.126" W (5.00mm x 3.20mm) |
510ABA106M250BAGR | Silicon Labs | Si510 | 106.25MHz | 3.3V | ±25ppm | 0.197" L x 0.126" W (5.00mm x 3.20mm) |
510BBA106M250BAGR | Silicon Labs | Si510 | 106.25MHz | 3.3V | ±25ppm | 0.197" L x 0.126" W (5.00mm x 3.20mm) |
511ABA106M250BAGR | Silicon Labs | Si511 | 106.25MHz | 3.3V | ±25ppm | 0.197" L x 0.126" W (5.00mm x 3.20mm) |
511BBA106M250BAGR | Silicon Labs | Si511 | 106.25MHz | 3.3V | ±25ppm | 0.197" L x 0.126" W (5.00mm x 3.20mm) |
511FBA106M250BAGR | Silicon Labs | Si511 | 106.25MHz | 2.5V | ±25ppm | 0.197" L x 0.126" W (5.00mm x 3.20mm) |
510ABA000149BAGR | Silicon Labs | Si510 | 74.175824MHz | 3.3V | ±25ppm | 0.197" L x 0.126" W (5.00mm x 3.20mm) |
510ABA74M2500BAGR | Silicon Labs | Si510 | 74.25MHz | 3.3V | ±25ppm | 0.197" L x 0.126" W (5.00mm x 3.20mm) |
510BBA000149BAGR | Silicon Labs | Si510 | 74.175824MHz | 3.3V | ±25ppm | 0.197" L x 0.126" W (5.00mm x 3.20mm) |
510BBA74M2500BAGR | Silicon Labs | Si510 | 74.25MHz | 3.3V | ±25ppm | 0.197" L x 0.126" W (5.00mm x 3.20mm) |
510FBA000149BAGR | Silicon Labs | Si510 | 74.175824MHz | 2.5V | ±25ppm | 0.197" L x 0.126" W (5.00mm x 3.20mm) |
510FBA74M2500BAGR | Silicon Labs | Si510 | 74.25MHz | 2.5V | ±25ppm | 0.197" L x 0.126" W (5.00mm x 3.20mm) |
511ABA000149BAGR | Silicon Labs | Si511 | 74.175824MHz | 3.3V | ±25ppm | 0.197" L x 0.126" W (5.00mm x 3.20mm) |
511ABA74M2500BAGR | Silicon Labs | Si511 | 74.25MHz | 3.3V | ±25ppm | 0.197" L x 0.126" W (5.00mm x 3.20mm) |
511BBA000149BAGR | Silicon Labs | Si511 | 74.175824MHz | 3.3V | ±25ppm | 0.197" L x 0.126" W (5.00mm x 3.20mm) |
511BBA74M2500BAGR | Silicon Labs | Si511 | 74.25MHz | 3.3V | ±25ppm | 0.197" L x 0.126" W (5.00mm x 3.20mm) |
511FBA000149BAGR | Silicon Labs | Si511 | 74.175824MHz | 2.5V | ±25ppm | 0.197" L x 0.126" W (5.00mm x 3.20mm) |
511FBA74M2500BAGR | Silicon Labs | Si511 | 74.25MHz | 2.5V | ±25ppm | 0.197" L x 0.126" W (5.00mm x 3.20mm) |
510ABA100M000AAGR | Silicon Labs | Si510 | 100MHz | 3.3V | ±25ppm | 0.276" L x 0.197" W (7.00mm x 5.00mm) |
510ABA125M000AAGR | Silicon Labs | Si510 | 125MHz | 3.3V | ±25ppm | 0.276" L x 0.197" W (7.00mm x 5.00mm) |
510BBA100M000AAGR | Silicon Labs | Si510 | 100MHz | 3.3V | ±25ppm | 0.276" L x 0.197" W (7.00mm x 5.00mm) |
510BBA125M000AAGR | Silicon Labs | Si510 | 125MHz | 3.3V | ±25ppm | 0.276" L x 0.197" W (7.00mm x 5.00mm) |
510FBA100M000AAGR | Silicon Labs | Si510 | 100MHz | 2.5V | ±25ppm | 0.276" L x 0.197" W (7.00mm x 5.00mm) |
510FBA125M000AAGR | Silicon Labs | Si510 | 125MHz | 2.5V | ±25ppm | 0.276" L x 0.197" W (7.00mm x 5.00mm) |
511ABA100M000AAGR | Silicon Labs | Si511 | 100MHz | 3.3V | ±25ppm | 0.276" L x 0.197" W (7.00mm x 5.00mm) |
511ABA125M000AAGR | Silicon Labs | Si511 | 125MHz | 3.3V | ±25ppm | 0.276" L x 0.197" W (7.00mm x 5.00mm) |
511BBA100M000AAGR | Silicon Labs | Si511 | 100MHz | 3.3V | ±25ppm | 0.276" L x 0.197" W (7.00mm x 5.00mm) |
511BBA125M000AAGR | Silicon Labs | Si511 | 125MHz | 3.3V | ±25ppm | 0.276" L x 0.197" W (7.00mm x 5.00mm) |
511FBA100M000AAGR | Silicon Labs | Si511 | 100MHz | 2.5V | ±25ppm | 0.276" L x 0.197" W (7.00mm x 5.00mm) |
511FBA125M000AAGR | Silicon Labs | Si511 | 125MHz | 2.5V | ±25ppm | 0.276" L x 0.197" W (7.00mm x 5.00mm) |
510ABA106M250AAGR | Silicon Labs | Si510 | 106.25MHz | 3.3V | ±25ppm | 0.276" L x 0.197" W (7.00mm x 5.00mm) |
510BBA106M250AAGR | Silicon Labs | Si510 | 106.25MHz | 3.3V | ±25ppm | 0.276" L x 0.197" W (7.00mm x 5.00mm) |
510FBA106M250AAGR | Silicon Labs | Si510 | 106.25MHz | 2.5V | ±25ppm | 0.276" L x 0.197" W (7.00mm x 5.00mm) |
511ABA106M250AAGR | Silicon Labs | Si511 | 106.25MHz | 3.3V | ±25ppm | 0.276" L x 0.197" W (7.00mm x 5.00mm) |
511BBA106M250AAGR | Silicon Labs | Si511 | 106.25MHz | 3.3V | ±25ppm | 0.276" L x 0.197" W (7.00mm x 5.00mm) |
511FBA106M250AAGR | Silicon Labs | Si511 | 106.25MHz | 2.5V | ±25ppm | 0.276" L x 0.197" W (7.00mm x 5.00mm) |
510ABA000149AAGR | Silicon Labs | Si510 | 74.175824MHz | 3.3V | ±25ppm | 0.276" L x 0.197" W (7.00mm x 5.00mm) |
510ABA74M2500AAGR | Silicon Labs | Si510 | 74.25MHz | 3.3V | ±25ppm | 0.276" L x 0.197" W (7.00mm x 5.00mm) |
510BBA000149AAGR | Silicon Labs | Si510 | 74.175824MHz | 3.3V | ±25ppm | 0.276" L x 0.197" W (7.00mm x 5.00mm) |
510BBA74M2500AAGR | Silicon Labs | Si510 | 74.25MHz | 3.3V | ±25ppm | 0.276" L x 0.197" W (7.00mm x 5.00mm) |
510FBA000149AAGR | Silicon Labs | Si510 | 74.175824MHz | 2.5V | ±25ppm | 0.276" L x 0.197" W (7.00mm x 5.00mm) |
510FBA74M2500AAGR | Silicon Labs | Si510 | 74.25MHz | 2.5V | ±25ppm | 0.276" L x 0.197" W (7.00mm x 5.00mm) |
511ABA000149AAGR | Silicon Labs | Si511 | 74.175824MHz | 3.3V | ±25ppm | 0.276" L x 0.197" W (7.00mm x 5.00mm) |
511ABA74M2500AAGR | Silicon Labs | Si511 | 74.25MHz | 3.3V | ±25ppm | 0.276" L x 0.197" W (7.00mm x 5.00mm) |
511BBA000149AAGR | Silicon Labs | Si511 | 74.175824MHz | 3.3V | ±25ppm | 0.276" L x 0.197" W (7.00mm x 5.00mm) |
511BBA74M2500AAGR | Silicon Labs | Si511 | 74.25MHz | 3.3V | ±25ppm | 0.276" L x 0.197" W (7.00mm x 5.00mm) |
511FBA000149AAGR | Silicon Labs | Si511 | 74.175824MHz | 2.5V | ±25ppm | 0.276" L x 0.197" W (7.00mm x 5.00mm) |
511FBA74M2500AAGR | Silicon Labs | Si511 | 74.25MHz | 2.5V | ±25ppm | 0.276" L x 0.197" W (7.00mm x 5.00mm) |
510ABA156M250BAGR | Silicon Labs | Si510 | 156.25MHz | 3.3V | ±25ppm | 0.197" L x 0.126" W (5.00mm x 3.20mm) |
510FBA156M250BAGR | Silicon Labs | Si510 | 156.25MHz | 2.5V | ±25ppm | 0.197" L x 0.126" W (5.00mm x 3.20mm) |
511ABA156M250BAGR | Silicon Labs | Si511 | 156.25MHz | 3.3V | ±25ppm | 0.197" L x 0.126" W (5.00mm x 3.20mm) |
511BBA156M250BAGR | Silicon Labs | Si511 | 156.25MHz | 3.3V | ±25ppm | 0.197" L x 0.126" W (5.00mm x 3.20mm) |
511FBA156M250BAGR | Silicon Labs | Si511 | 156.25MHz | 2.5V | ±25ppm | 0.197" L x 0.126" W (5.00mm x 3.20mm) |
510ABA155M520BAGR | Silicon Labs | Si510 | 155.52MHz | 3.3V | ±25ppm | 0.197" L x 0.126" W (5.00mm x 3.20mm) |
510BBA155M520BAGR | Silicon Labs | Si510 | 155.52MHz | 3.3V | ±25ppm | 0.197" L x 0.126" W (5.00mm x 3.20mm) |
510FBA155M520BAGR | Silicon Labs | Si510 | 155.52MHz | 2.5V | ±25ppm | 0.197" L x 0.126" W (5.00mm x 3.20mm) |
511ABA155M520BAGR | Silicon Labs | Si511 | 155.52MHz | 3.3V | ±25ppm | 0.197" L x 0.126" W (5.00mm x 3.20mm) |
511BBA155M520BAGR | Silicon Labs | Si511 | 155.52MHz | 3.3V | ±25ppm | 0.197" L x 0.126" W (5.00mm x 3.20mm) |
511FBA148M500BAGR | Silicon Labs | Si511 | 148.5MHz | 2.5V | ±25ppm | 0.197" L x 0.126" W (5.00mm x 3.20mm) |
511FBA155M520BAGR | Silicon Labs | Si511 | 155.52MHz | 2.5V | ±25ppm | 0.197" L x 0.126" W (5.00mm x 3.20mm) |
510ABA000110BAGR | Silicon Labs | Si510 | 148.35165MHz | 3.3V | ±25ppm | 0.197" L x 0.126" W (5.00mm x 3.20mm) |
510ABA148M500BAGR | Silicon Labs | Si510 | 148.5MHz | 3.3V | ±25ppm | 0.197" L x 0.126" W (5.00mm x 3.20mm) |
510BBA000110BAGR | Silicon Labs | Si510 | 148.35165MHz | 3.3V | ±25ppm | 0.197" L x 0.126" W (5.00mm x 3.20mm) |
510BBA148M500BAGR | Silicon Labs | Si510 | 148.5MHz | 3.3V | ±25ppm | 0.197" L x 0.126" W (5.00mm x 3.20mm) |
510FBA000110BAGR | Silicon Labs | Si510 | 148.35165MHz | 2.5V | ±25ppm | 0.197" L x 0.126" W (5.00mm x 3.20mm) |
510FBA148M500BAGR | Silicon Labs | Si510 | 148.5MHz | 2.5V | ±25ppm | 0.197" L x 0.126" W (5.00mm x 3.20mm) |
511ABA000110BAGR | Silicon Labs | Si511 | 148.35165MHz | 3.3V | ±25ppm | 0.197" L x 0.126" W (5.00mm x 3.20mm) |
511ABA148M500BAGR | Silicon Labs | Si511 | 148.5MHz | 3.3V | ±25ppm | 0.197" L x 0.126" W (5.00mm x 3.20mm) |
511BBA000110BAGR | Silicon Labs | Si511 | 148.35165MHz | 3.3V | ±25ppm | 0.197" L x 0.126" W (5.00mm x 3.20mm) |
511BBA148M500BAGR | Silicon Labs | Si511 | 148.5MHz | 3.3V | ±25ppm | 0.197" L x 0.126" W (5.00mm x 3.20mm) |
511FBA000110BAGR | Silicon Labs | Si511 | 148.35165MHz | 2.5V | ±25ppm | 0.197" L x 0.126" W (5.00mm x 3.20mm) |
510ABA156M250AAGR | Silicon Labs | Si510 | 156.25MHz | 3.3V | ±25ppm | 0.276" L x 0.197" W (7.00mm x 5.00mm) |
510BBA156M250AAGR | Silicon Labs | Si510 | 156.25MHz | 3.3V | ±25ppm | 0.276" L x 0.197" W (7.00mm x 5.00mm) |
510FBA156M250AAGR | Silicon Labs | Si510 | 156.25MHz | 2.5V | ±25ppm | 0.276" L x 0.197" W (7.00mm x 5.00mm) |
511BBA156M250AAGR | Silicon Labs | Si511 | 156.25MHz | 3.3V | ±25ppm | 0.276" L x 0.197" W (7.00mm x 5.00mm) |
511FBA156M250AAGR | Silicon Labs | Si511 | 156.25MHz | 2.5V | ±25ppm | 0.276" L x 0.197" W (7.00mm x 5.00mm) |
510ABA155M520AAGR | Silicon Labs | Si510 | 155.52MHz | 3.3V | ±25ppm | 0.276" L x 0.197" W (7.00mm x 5.00mm) |
510BBA155M520AAGR | Silicon Labs | Si510 | 155.52MHz | 3.3V | ±25ppm | 0.276" L x 0.197" W (7.00mm x 5.00mm) |
510FBA155M520AAGR | Silicon Labs | Si510 | 155.52MHz | 2.5V | ±25ppm | 0.276" L x 0.197" W (7.00mm x 5.00mm) |
511ABA155M520AAGR | Silicon Labs | Si511 | 155.52MHz | 3.3V | ±25ppm | 0.276" L x 0.197" W (7.00mm x 5.00mm) |
511BBA155M520AAGR | Silicon Labs | Si511 | 155.52MHz | 3.3V | ±25ppm | 0.276" L x 0.197" W (7.00mm x 5.00mm) |
511FBA155M520AAGR | Silicon Labs | Si511 | 155.52MHz | 2.5V | ±25ppm | 0.276" L x 0.197" W (7.00mm x 5.00mm) |
510ABA000110AAGR | Silicon Labs | Si510 | 148.35165MHz | 3.3V | ±25ppm | 0.276" L x 0.197" W (7.00mm x 5.00mm) |
510ABA148M500AAGR | Silicon Labs | Si510 | 148.5MHz | 3.3V | ±25ppm | 0.276" L x 0.197" W (7.00mm x 5.00mm) |
510BBA000110AAGR | Silicon Labs | Si510 | 148.35165MHz | 3.3V | ±25ppm | 0.276" L x 0.197" W (7.00mm x 5.00mm) |
510BBA148M500AAGR | Silicon Labs | Si510 | 148.5MHz | 3.3V | ±25ppm | 0.276" L x 0.197" W (7.00mm x 5.00mm) |
510FBA000110AAGR | Silicon Labs | Si510 | 148.35165MHz | 2.5V | ±25ppm | 0.276" L x 0.197" W (7.00mm x 5.00mm) |
510FBA148M500AAGR | Silicon Labs | Si510 | 148.5MHz | 2.5V | ±25ppm | 0.276" L x 0.197" W (7.00mm x 5.00mm) |
511ABA000110AAGR | Silicon Labs | Si511 | 148.35165MHz | 3.3V | ±25ppm | 0.276" L x 0.197" W (7.00mm x 5.00mm) |
511ABA148M500AAGR | Silicon Labs | Si511 | 148.5MHz | 3.3V | ±25ppm | 0.276" L x 0.197" W (7.00mm x 5.00mm) |
511BBA000110AAGR | Silicon Labs | Si511 | 148.35165MHz | 3.3V | ±25ppm | 0.276" L x 0.197" W (7.00mm x 5.00mm) |
511BBA148M500AAGR | Silicon Labs | Si511 | 148.5MHz | 3.3V | ±25ppm | 0.276" L x 0.197" W (7.00mm x 5.00mm) |
511FBA000110AAGR | Silicon Labs | Si511 | 148.35165MHz | 2.5V | ±25ppm | 0.276" L x 0.197" W (7.00mm x 5.00mm) |
511FBA148M500AAGR | Silicon Labs | Si511 | 148.5MHz | 2.5V | ±25ppm | 0.276" L x 0.197" W (7.00mm x 5.00mm) |
511ABA25M0000BAGR | Silicon Labs | Si511 | 25MHz | 3.3V | ±25ppm | 0.197" L x 0.126" W (5.00mm x 3.20mm) |
511ABA125M000AAG | Silicon Labs | Si511 | 125MHz | 3.3V | ±25ppm | 0.276" L x 0.197" W (7.00mm x 5.00mm) |
510ABA200M000BAGR | Silicon Labs | Si510 | 200MHz | 3.3V | ±25ppm | 0.197" L x 0.126" W (5.00mm x 3.20mm) |
510BBA200M000BAGR | Silicon Labs | Si510 | 200MHz | 3.3V | ±25ppm | 0.197" L x 0.126" W (5.00mm x 3.20mm) |
510FBA200M000BAGR | Silicon Labs | Si510 | 200MHz | 2.5V | ±25ppm | 0.197" L x 0.126" W (5.00mm x 3.20mm) |
511ABA200M000BAGR | Silicon Labs | Si511 | 200MHz | 3.3V | ±25ppm | 0.197" L x 0.126" W (5.00mm x 3.20mm) |
511BBA200M000BAGR | Silicon Labs | Si511 | 200MHz | 3.3V | ±25ppm | 0.197" L x 0.126" W (5.00mm x 3.20mm) |
511FBA200M000BAGR | Silicon Labs | Si511 | 200MHz | 2.5V | ±25ppm | 0.197" L x 0.126" W (5.00mm x 3.20mm) |
510ABA212M500BAGR | Silicon Labs | Si510 | 212.5MHz | 3.3V | ±25ppm | 0.197" L x 0.126" W (5.00mm x 3.20mm) |
510BBA212M500BAGR | Silicon Labs | Si510 | 212.5MHz | 3.3V | ±25ppm | 0.197" L x 0.126" W (5.00mm x 3.20mm) |
510FBA212M500BAGR | Silicon Labs | Si510 | 212.5MHz | 2.5V | ±25ppm | 0.197" L x 0.126" W (5.00mm x 3.20mm) |
511ABA212M500BAGR | Silicon Labs | Si511 | 212.5MHz | 3.3V | ±25ppm | 0.197" L x 0.126" W (5.00mm x 3.20mm) |
511BBA212M500BAGR | Silicon Labs | Si511 | 212.5MHz | 3.3V | ±25ppm | 0.197" L x 0.126" W (5.00mm x 3.20mm) |
511FBA212M500BAGR | Silicon Labs | Si511 | 212.5MHz | 2.5V | ±25ppm | 0.197" L x 0.126" W (5.00mm x 3.20mm) |
510FBA200M000AAGR | Silicon Labs | Si510 | 200MHz | 2.5V | ±25ppm | 0.276" L x 0.197" W (7.00mm x 5.00mm) |
510ABA200M000AAGR | Silicon Labs | Si510 | 200MHz | 3.3V | ±25ppm | 0.276" L x 0.197" W (7.00mm x 5.00mm) |
510BBA200M000AAGR | Silicon Labs | Si510 | 200MHz | 3.3V | ±25ppm | 0.276" L x 0.197" W (7.00mm x 5.00mm) |
511ABA200M000AAGR | Silicon Labs | Si511 | 200MHz | 3.3V | ±25ppm | 0.276" L x 0.197" W (7.00mm x 5.00mm) |
511BBA200M000AAGR | Silicon Labs | Si511 | 200MHz | 3.3V | ±25ppm | 0.276" L x 0.197" W (7.00mm x 5.00mm) |
511FBA200M000AAGR | Silicon Labs | Si511 | 200MHz | 2.5V | ±25ppm | 0.276" L x 0.197" W (7.00mm x 5.00mm) |
510ABA212M500AAGR | Silicon Labs | Si510 | 212.5MHz | 3.3V | ±25ppm | 0.276" L x 0.197" W (7.00mm x 5.00mm) |
510BBA212M500AAGR | Silicon Labs | Si510 | 212.5MHz | 3.3V | ±25ppm | 0.276" L x 0.197" W (7.00mm x 5.00mm) |
510FBA212M500AAGR | Silicon Labs | Si510 | 212.5MHz | 2.5V | ±25ppm | 0.276" L x 0.197" W (7.00mm x 5.00mm) |
511ABA212M500AAGR | Silicon Labs | Si511 | 212.5MHz | 3.3V | ±25ppm | 0.276" L x 0.197" W (7.00mm x 5.00mm) |
511BBA212M500AAGR | Silicon Labs | Si511 | 212.5MHz | 3.3V | ±25ppm | 0.276" L x 0.197" W (7.00mm x 5.00mm) |
511FBA212M500AAGR | Silicon Labs | Si511 | 212.5MHz | 2.5V | ±25ppm | 0.276" L x 0.197" W (7.00mm x 5.00mm) |
511SAA20M0000AAG | Silicon Labs | Si511 | 20MHz | 1.8V | ±50ppm | 0.276" L x 0.197" W (7.00mm x 5.00mm) |
510BBA150M000BAG | Silicon Labs | Si510 | 150MHz | 3.3V | ±25ppm | 0.197" L x 0.126" W (5.00mm x 3.20mm) |
511BCB125M000AAG | Silicon Labs | Si511 | 125MHz | 3.3V | ±20ppm | 0.276" L x 0.197" W (7.00mm x 5.00mm) |
510FBA154M875AAG | Silicon Labs | Si510 | 154.875MHz | 2.5V | ±25ppm | 0.276" L x 0.197" W (7.00mm x 5.00mm) |
510FBA157M625AAG | Silicon Labs | Si510 | 157.625MHz | 2.5V | ±25ppm | 0.276" L x 0.197" W (7.00mm x 5.00mm) |
511ABA25M0000AAG | Silicon Labs | Si511 | 25MHz | 3.3V | ±25ppm | 0.276" L x 0.197" W (7.00mm x 5.00mm) |
511JBA125M000AAG | Silicon Labs | Si511 | 125MHz | 1.8V | ±25ppm | 0.276" L x 0.197" W (7.00mm x 5.00mm) |
510KCA100M000BAG | Silicon Labs | Si510 | 100MHz | 1.8V | ±20ppm | 0.197" L x 0.126" W (5.00mm x 3.20mm) |