日本納卡晶振,CU600石英晶體,高性能晶振
頻率:8~50MHZ
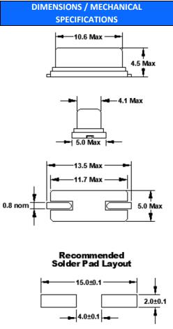
尺寸:6.0*3.5mm
日本納卡晶振,CU600石英晶體,高性能晶振,納卡晶振公司是使用模擬電路技術,擅長定制規格的水晶設備制造廠。有強烈要求“低相位噪聲、高頻、高信賴性”的通信設備、廣播設備、測量儀器、交通基礎設施、醫療器械、防衛設備。另外,現在已經成為問題了,對生產中止,實現長期性的產品供應,以滿足顧客未來的企業為目標。
總部:總社.經營本部東京都千代田區九階南
日本納卡晶振,CU600石英晶體,高性能晶振,日本進口NAKAcrystal納卡晶振公司成立于1979年.日本納卡株式會社晶振公司是使用模擬電路技術定制合規的石英晶體制造廠.專業生產低相位噪聲,高頻,高質量的晶振產品,包括TCXO溫補晶振,有源晶振等,并得到市場的認可.
納卡株式會社來自日本,最擅長生產定制各種石英晶振,貼片晶振,OSC晶振,TCXO晶振等各種水晶器件,日本NAKA晶振產品嚴格按照國際標準制作,適合使用在一些電子產品,儀器,設備等領域.
日本納卡晶振,CU600石英晶體,高性能晶振,貼片晶振本身體積小,超薄型石英晶體振蕩器,特別適用于有目前高速發展的高端電子數碼產品,因為晶振本身小型化需求的市場領域,小型,薄型是對應陶瓷振蕩器(偏差大)和普通的石英晶體振蕩器(偏差小)的中間領域的一種性價比較出色的產品.產品廣泛用于筆記本電腦,無線電話,衛星導航SSD,USB,Blu-ray等用途,符合無鉛焊接的高溫回流焊曲線特性.
日本納卡晶振,CU600石英晶體,高性能晶振,貼片晶振晶片邊緣處理技術:貼片晶振是晶片通過滾筒倒邊,主要是為了去除晶振晶片的邊緣效應,在實際操作中機器運動方式設計、滾筒的曲率半徑、滾筒的長短、使用的研磨砂的型號、多少、填充物種類及多少等各項設計必須合理,有一項不完善都會使晶振晶片的邊緣效應不能去除,而石英晶振晶片的諧振電阻過大,用在電路中Q值過小,從而電路不能振動或振動了不穩定。
項目 Item |
規格 Specification |
備考 Note |
出力周波數 Frequency range |
8~50MHz | |
発振モード Mode |
基本波 | |
保存溫度範囲 Strage Temp. range |
-55~+125℃ | |
動作溫度範囲 Operating Temp. range |
-10~+60℃、-20~+70℃、-40~+85℃、 -40~+105℃、-40~+125℃ |
|
勵振レベル Drive Leve |
300µW Max. | |
周波數溫度特性 Freq. Tolerance vs. Temp. range |
Table.1 | |
直列抵抗 Equivalent Series Resistance |
160Ω Max.(8~12MHz) 50Ω Max.(12~13MHz) 45Ω Max.(13~19MHz) 40Ω Max.(19~20MHz) 35Ω Max.(20~30MHz) 30Ω Max.(30~50MHz) |
|
エージング Frequency Aging |
+/-3ppm/年 Max. |
|


抗沖擊
貼片石英晶振可能會在某些條件下受到損壞。例如從桌上跌落或在貼裝過程中受到沖擊。如果產品已受過沖擊請勿使用。
輻射
暴露于輻射環境會導致石英晶體性能受到損害,因此應避免照射。
化學制劑/pH值環境
請勿在PH值范圍可能導致腐蝕或溶解晶振或包裝材料的環境下使用或儲藏這些產品。日本納卡晶振,CU600石英晶體,高性能晶振.
粘合劑
請勿使用可能導致SMD無源晶振所用的封裝材料,終端,組件,玻璃材料以及氣相沉積材料等受到腐蝕的膠粘劑。 (比如,氯基膠粘劑可能腐蝕一個晶體單元的金屬“蓋”,從而破壞密封質量,降低性能。)
鹵化合物
請勿在鹵素氣體環境下使用貼片晶振。即使少量的鹵素氣體,比如在空氣中的氯氣內或封裝所用金屬部件內,都可能產生腐蝕。同時,請勿使用任何會釋放出鹵素氣體的樹脂。
靜電
過高的靜電可能會損壞石英晶體諧振器,請注意抗靜電條件。請為容器和封裝材料選擇導電材料。在處理的時候,請使用電焊槍和無高電壓泄漏的測量電路,并進行接地操作。
公司名:深圳市金洛鑫電子有限公司
聯系人:茹紅青
手機:13510569637
電話:0755-27837162
QQ號:657116624
微信公眾號:CITIZENCRYSTAL
搜狐公眾號:晶振石英晶振NDK晶振
郵箱:jinluodz@163.com
地址:深圳市寶安區41區甲岸路19號
相關的產品 / Related Products
- 微晶32.768K晶振CC7V-T1A,CC7V-T1A-32.768kHz-7pF-20PPM-TA-QC貼片晶體
微晶32.768K晶振CC7V-T1A,CC7V-T1A-32.768kHz-7pF-20PPM-TA-QC貼片晶體,Micro晶振,歐美晶振,3215mm晶振,32.768K晶振,無源諧振器,無源晶體,陶瓷晶振,音叉晶體,小尺寸晶振,型號CC7V-T1A,編碼CC7V-T1A-32.768kHz-7pF-20PPM-TA-QC是一款陶瓷面的無源晶體,尺寸為3215mm,頻率32.768KKHZ,精度20ppm,負載7pF,工作溫度-40~+85°C采用優異的原料匠心打磨而成,符合國家認證標準,產品廣泛用于心臟起搏器,去纖顫器,神經,心臟監測裝置,植入式藥物輸送泵,輸液泵,耳蝸植入設備,智能骨科植入物等領域.
CM7V-T1A-32.768k-12.5pF-20PPM-TA-QA貼片晶振在加工過程中產生的應力及輕微表面缺陷.在PLC控制程序中輸入已設計好的溫度曲線,使真空室溫度跟隨設定曲線對晶體組件進行退火,石英晶振通過合理的真空退火技術可提高晶振主要參數的穩定性,以及提高石英晶振的年老化特性.微晶32.768K晶振CC7V-T1A,CC7V-T1A-32.768kHz-7pF-20PPM-TA-QC貼片晶體
- FOX晶振FX532B,FX532B-12.000無源諧振器
- FOX晶振FX532B,FX532B-12.000無源諧振器,福克斯晶振,SMD晶振,石英晶體,歐美進口晶振,音叉晶體,型號FX532B,編碼FX532B-12.000是一款金屬面貼片型的水晶振動子,尺寸為5032mm,頻率為12MHZ,工作溫度-10°C~+60°C,產品具備高性能低損耗的特點,非常適合用于可穿戴電子,物聯網應用,消費電子,醫療保健設備,智能電表,儀表等領域.
FX532B-16.000石英晶振的真空封裝技術:是指石英晶振在真空封裝區域內進行封裝.1.防止外界氣體進入組件體內受到污染和增加應力的產生;2.使晶振組件在真空下電阻減小;3.氣密性高.此技術為研發及生產超小型、超薄型石英晶振必須攻克的關鍵技術之一.
- FOX晶振HC49SDLF,FOXSDLF/250F-20無源晶體
- FOX晶振HC49SDLF,FOXSDLF/250F-20無源晶體,福克斯晶振,無源諧振器,無源晶振,SMD晶振,音叉晶體,型號HC49SDLF,編碼FOXSDLF/250F-20是一款金屬貼片型的SMD晶體,尺寸為11.7*5.0mm,頻率為25MHZ,采用高超的生產技術制作而成,并符合國家認證要求,具備高質量高性能的特點,適合用于智能家居,通信設備,無線網絡等領域.
石英晶振真空退火技術:晶振高真空退火處理是消除貼片晶振在加工過程中產生的應力及輕微表面缺陷.在PLC控制程序中輸入已設計好的溫度曲線,使真空室溫度跟隨設定曲線對晶體組件進行退火,石英晶振通過合理的真空退火技術可提高晶振主要參數的穩定性,以及提高石英晶振的年老化特性.
JLX-PD
金洛鑫產品系列
PRODUCT LINE
石英晶振
QuartzCrystal
- KDS晶振
- 愛普生晶振
- NDK晶振
- 京瓷晶振
- 精工晶振
- 西鐵城晶振
- 大河晶振
- 村田晶振
- 泰藝晶振
- TXC晶振
- 鴻星晶振
- 希華晶振
- 加高晶振
- 百利通亞陶晶振
- 嘉碩晶振
- 津綻晶振
- 瑪居禮晶振
- 富士晶振
- SMI晶振
- Lihom晶振
- SHINSUNG晶振
- NAKA晶振
- AKER晶振
- NKG晶振
- NJR晶振
- Sunny晶振
貼片晶振
SMDcrystal
- CTS晶振
- 微晶晶振
- 瑞康晶振
- 康納溫菲爾德晶振
- 高利奇晶振
- Jauch晶振
- AbraconCrystal晶振
- 維管晶振
- ECScrystal晶振
- 日蝕晶振
- 拉隆晶振
- 格林雷晶振
- SiTimeCrystal晶振
- IDTcrystal晶振
- PletronicsCrystal晶振
- StatekCrystal晶振
- AEK晶振
- AEL晶振
- Cardinal晶振
- Crystek晶振
- Euroquartz晶振
- Fox晶振
- Frequency晶振
- GEYER晶振
- KVG晶振
- ILSI晶振
- Mmdcomp晶振
- MtronPTI晶振
- QANTEK晶振
- QuartzCom晶振
- Quarztechnik晶振
- Suntsu晶振
- Transko晶振
- Wi2Wi晶振
- ITTI晶振
- Oscilent晶振
- ACT晶振
- Rubyquartz晶振
- MTI-milliren晶振
- PDI晶振
- IQD晶振
- Microchip晶振
- Silicon晶振
- Anderson晶振
- Fortiming晶振
- CORE晶振
- NIPPON晶振
- NIC晶振
- QVS晶振
- Bomar晶振
- Bliley晶振
- GED晶振
- FILTRONETICS晶振
- STD晶振
- Q-Tech晶振
- Wenzel晶振
- NEL晶振
- EM晶振
- PETERMANN晶振
- FCD-Tech晶振
- HEC晶振
- FMI晶振
- Macrobizes晶振
- AXTAL晶振
- ARGO晶振
- 瑞薩renesas晶振
- Skyworks晶振