Raltron晶振,插件晶振,AS晶振
頻率:3.500MHz~70.000MHz
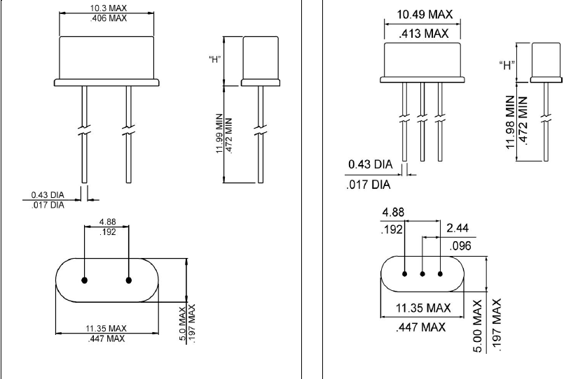
尺寸:11.4*4.5mm
Raltron公司對研發的承諾使得不斷創造領先邊緣石英晶體諧振器和振蕩器器件和技術多年。今天,拉爾特龍提供高性能頻率控制解決方案滿足和超越客戶的期望價格,質量,應用工程和客戶支持Raltron公司正在其邁阿密,佛羅里達州開發和制造精密振蕩器。設施,而簡單的水晶諧振器,時鐘振蕩器和濾波器以及天線。
RALTRON晶振集團為確保安全、提高保護預防措施、貼片晶振的可靠性以及職業安全,確保職業健康與環境的優越性,通過正式的管理評審和對健康、安全和環境實施效果的持續改進,保護人群及財產與環境。
Raltron晶振,插件晶振,AS晶振.插件型焊接型石英晶體元件.工廠倉庫長時間大量庫存常用頻點,.高精度的頻率和晶振本身更低的等效串聯電阻.常用負載電容,49/S石英晶振,因插件型鏡頭成本更低和更高的批量生產能力.主要應用于電視,機頂盒,LCDM和游戲機家用常規電器數碼產品等的最佳選擇.符合RoHS/無鉛.11.4*4.5mm插件晶振,49S型DIP引腳晶體,AS晶振
拉隆石英晶振真空退火技術:晶振高真空退火處理是消除貼片晶振在加工過程中產生的應力及輕微表面缺陷。在PLC控制程序中輸入已設計好的溫度曲線,使真空室溫度跟隨設定曲線對晶體組件進行退火,石英貼片晶振通過合理的真空退火技術可提高晶振主要參數的穩定性,以及提高石英晶振的年老化特性。
|
Raltron晶振 |
單位 |
AS晶振 |
石英晶振基本條件 |
|
標準頻率 |
f_nom |
3.500MHZ~70.000MHZ |
標準頻率 |
|
儲存溫度 |
T_stg |
-55°C ~ +125°C |
裸存 |
|
工作溫度 |
T_use |
-40°C ~ +85°C |
標準溫度 |
|
激勵功率 |
DL |
500μW Max. |
推薦:1μW ~ 100μW |
|
頻率公差 |
f_— l |
±30 × 10-6 (標準), |
+25°C 對于超出標準的規格說明, |
|
頻率溫度特征 |
f_tem |
±50 × 10-6/-20°C ~ +70°C |
超出標準的規格請聯系我們. |
|
負載電容 |
CL |
10pF~32pF |
不同負載電容要求,請聯系我們. |
|
串聯電阻(ESR) |
R1 |
如下表所示 |
-40°C — +85°C, DL = 100μW |
|
頻率老化 |
f_age |
±5× 10-6 / year Max. |
+25°C,第一年 |
操作
請勿用鑷子或任何堅硬的工具,夾具直接接觸IC的表面。Raltron晶振,插件晶振,AS晶振
使用環境(溫度和濕度)
請在規定的溫度范圍內使用進口晶振。這個溫度涉及本體的和季節變化的溫度。在高濕環境下,會由于凝露引起故障。請避免凝露的產生。
晶體單元/諧振器
激勵功率
在晶體單元上施加過多驅動力,會導致無源晶振特性受到損害或破壞。電路設計必須能夠維持適當的激勵功率 (請參閱“激勵功率”章節內容)。
負極電阻
除非振蕩回路中分配足夠多的負極電阻,否則振蕩或振蕩啟動時間可能會增加(請參閱“關于振蕩”章節內容)。11.4*4.5mm插件晶振,49S型DIP引腳晶體,AS晶振
負載電容
振蕩電路中負載電容的不同,可能導致貼片石英晶振振蕩頻率與設計頻率之間產生偏差。試圖通過強力調整,可能只會導致不正常的振蕩。在使用之前,請指明該振動電路的負載電容(請參閱“負載電容”章節內容)。
設計振蕩回路的注意事項
1.驅動能力
驅動能力說明引腳型石英晶振單元所需電功率,其計算公式如下:
驅動能力 (P) = i2?Re
其中i表示經過晶體單元的電流,
Re表示晶體單元的有效電阻,而且 Re=R1(1+Co/CL)2。Raltron晶振,插件晶振,AS晶振
2.振蕩補償
除非在插件石英晶振振蕩電路中提供足夠的負極電阻,否則會增加振蕩啟動時間,或不發生振蕩。為避免該情況發生,請在電路設計時提供足夠的負極電阻。
3. 負載電容
如果振蕩電路中負載電容的不同,可能導致49S封裝晶體振蕩頻率與設計頻率之間產生偏差,如下圖所示。電路中的負載電容的近似表達式 CL≒CG × CD / (CG+CD) + CS。
其中CS表示電路的雜散電容。11.4*4.5mm插件晶振,49S型DIP引腳晶體,AS晶振
頻率和負載電容特征圖器
振蕩回路參數設置參考
公司名:深圳市金洛鑫電子有限公司
聯系人:茹紅青
手機:13510569637
電話:0755-27837162
QQ號:657116624
微信公眾號:CITIZENCRYSTAL
搜狐公眾號:晶振石英晶振NDK晶振
郵箱:jinluodz@163.com
地址:深圳市寶安區41區甲岸路19號
相關的產品 / Related Products

- M1004S050 12.288000,麥特倫皮石英晶振,12.288MHz
-
M1004S050 12.288000,麥特倫皮石英晶振,12.288MHz,M1004S050 12.288000晶振,麥特倫皮石英晶振,頻率12.288MHz,HC-49S插件晶振,負載15pf,工作溫度-40~85°C,抗沖擊晶振,環保晶振,家用電視機頂盒晶振,家電影音系統晶振,攝像頭晶振,物聯網晶振,數字電表晶振.

- Crystek晶振,石英晶振,CYSxx晶振,石英無源晶振
- 引腳焊接型石英晶體元件.工廠倉庫長時間大量庫存常用頻點,高精度的頻率和晶振本身更低的等效串聯電阻,常用負載電容.49/S石英晶振,因插件型晶體成本更低和更高的批量生產能力,主要應用于電視,機頂盒,LCDM和游戲機家用常規電器數碼產品等的最佳選擇.符合RoHS/無鉛.

- QANTEK晶振,石英晶振,QCL晶振,無源諧振器
- 引腳焊接型石英晶體元件.工廠倉庫長時間大量庫存常用頻點,高精度的頻率和晶振本身更低的等效串聯電阻,常用負載電容.49/S石英晶振,因插件型晶體成本更低和更高的批量生產能力,主要應用于電視,機頂盒,LCDM和游戲機家用常規電器數碼產品等的最佳選擇.符合RoHS/無鉛.
JLX-PD
金洛鑫產品系列
PRODUCT LINE
石英晶振
QuartzCrystal
- KDS晶振
- 愛普生晶振
- NDK晶振
- 京瓷晶振
- 精工晶振
- 西鐵城晶振
- 大河晶振
- 村田晶振
- 泰藝晶振
- TXC晶振
- 鴻星晶振
- 希華晶振
- 加高晶振
- 百利通亞陶晶振
- 嘉碩晶振
- 津綻晶振
- 瑪居禮晶振
- 富士晶振
- SMI晶振
- Lihom晶振
- SHINSUNG晶振
- NAKA晶振
- AKER晶振
- NKG晶振
- NJR晶振
- Sunny晶振
貼片晶振
SMDcrystal
- CTS晶振
- 微晶晶振
- 瑞康晶振
- 康納溫菲爾德晶振
- 高利奇晶振
- Jauch晶振
- AbraconCrystal晶振
- 維管晶振
- ECScrystal晶振
- 日蝕晶振
- 拉隆晶振
- 格林雷晶振
- SiTimeCrystal晶振
- IDTcrystal晶振
- PletronicsCrystal晶振
- StatekCrystal晶振
- AEK晶振
- AEL晶振
- Cardinal晶振
- Crystek晶振
- Euroquartz晶振
- Fox晶振
- Frequency晶振
- GEYER晶振
- KVG晶振
- ILSI晶振
- Mmdcomp晶振
- MtronPTI晶振
- QANTEK晶振
- QuartzCom晶振
- Quarztechnik晶振
- Suntsu晶振
- Transko晶振
- Wi2Wi晶振
- ITTI晶振
- Oscilent晶振
- ACT晶振
- Rubyquartz晶振
- MTI-milliren晶振
- PDI晶振
- IQD晶振
- Microchip晶振
- Silicon晶振
- Anderson晶振
- Fortiming晶振
- CORE晶振
- NIPPON晶振
- NIC晶振
- QVS晶振
- Bomar晶振
- Bliley晶振
- GED晶振
- FILTRONETICS晶振
- STD晶振
- Q-Tech晶振
- Wenzel晶振
- NEL晶振
- EM晶振
- PETERMANN晶振
- FCD-Tech晶振
- HEC晶振
- FMI晶振
- Macrobizes晶振
- AXTAL晶振
- ARGO晶振
- 瑞薩renesas晶振
- Skyworks晶振

手機版













