ECS晶振CSM-3X,ECS-400-20-3X-EN-TR無源貼片晶振
頻率:40MHZ
尺寸:7.0*4.0mm
ECS晶振CSM-3X,ECS-400-20-3X-EN-TR無源貼片晶振,伊西斯晶振,無源晶振,石英晶體,SMD晶振,石英晶體諧振器,型號CSM-3X,編碼ECS-400-20-3X-EN-TR是一款金屬面貼片型的音叉晶體,采用優異的原料細致打磨而成,并經過層層篩選出來的優良產品,具備高質量低損耗的特點,產品廣泛適合用于物聯網應用,消費電子,醫療保健設備,智能電表,儀表等領域.
ECS-245.7-20-3X-TR普通貼片石英晶振外觀使用金屬材料封裝的,具有高穩定性,高可靠性的石英晶體振蕩器,晶振外觀本身使用金屬封裝,充分的密封性能,可確保其高可靠性,采用編帶包裝,外包裝采用朔膠盤,可在自動貼片機上對應自動貼裝等優勢.
ECS晶振CSM-3X,ECS-400-20-3X-EN-TR無源貼片晶振,伊西斯晶振,無源晶振,石英晶體,SMD晶振,石英晶體諧振器,型號CSM-3X,編碼ECS-400-20-3X-EN-TR是一款金屬面貼片型的音叉晶體,尺寸為7040mm,頻率為40MHZ,負載電容20pF,精度30ppm,工作溫度-40°C~+85°C,采用優異的原料細致打磨而成,并經過層層篩選出來的優良產品,具備高質量低損耗的特點,產品廣泛適合用于物聯網應用,消費電子,醫療保健設備,智能電表,儀表等領域.
ECS-245.7-20-3X-TR無源晶體外觀使用金屬材料封裝的,具有高穩定性,高可靠性的石英晶體振蕩器,晶振外觀本身使用金屬封裝,充分的密封性能,可確保其高可靠性,采用編帶包裝,外包裝采用朔膠盤,可在自動貼片機上對應自動貼裝等優勢.ECS晶振CSM-3X,ECS-400-20-3X-EN-TR無源貼片晶振
ECS-400-20-3X-EN-TR晶振 參數表
|
ECS晶振 |
單位 |
CSM-3X晶振 |
石英晶振基本條件 |
|
標準頻率 |
f_nom |
40MHZ |
標準頻率 |
|
儲存溫度 |
T_stg |
-40°C ~ +85°C |
裸存 |
|
工作溫度 |
T_use |
-40°C ~ +85°C |
標準溫度 |
|
激勵功率 |
DL |
200μW Max. |
推薦:1μW ~ 100μW |
|
頻率公差 |
f_— l |
±30 × 10-6 (標準), |
+25°C 對于超出標準的規格說明, |
|
頻率溫度特征 |
f_tem |
±50 × 10-6/-20°C ~ +70°C |
超出標準的規格請聯系我們. |
|
負載電容 |
CL |
20pF ~ ∞ |
不同負載要求,請聯系我們. |
|
串聯電阻(ESR) |
R1 |
40 Ohms |
-40°C — +85°C, DL = 100μW |
|
頻率老化 |
f_age |
±5 × 10-6 / year Max. |
+25°C,第一年 |
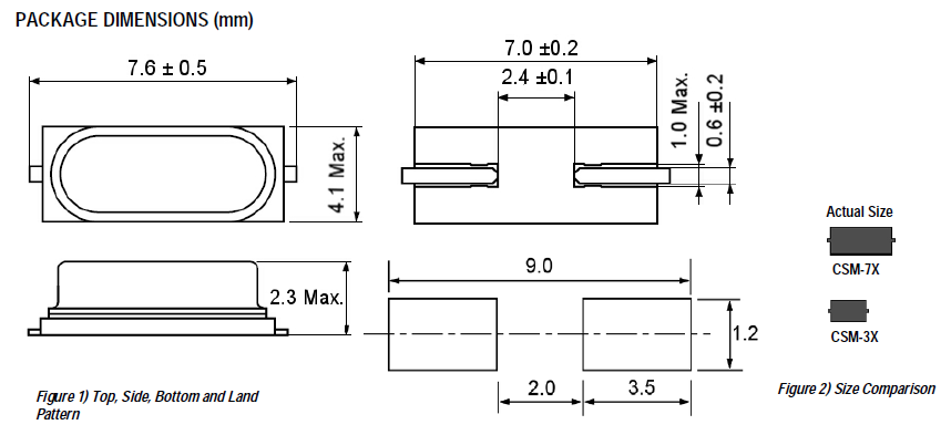
ECS晶振CSM-3X,ECS-400-20-3X-EN-TR無源貼片晶振 尺寸圖

使用注意事項
清洗
關于一般清洗液的使用以及超聲波清洗沒有問題,但這僅僅是對單個石英晶體產品進行試驗所得的結果,因此請根據實際使用狀態進行確認。ECS晶振CSM-3X,ECS-400-20-3X-EN-TR無源貼片晶振
由于音叉型晶體諧振器的頻率范圍和超聲波清洗機的清洗頻率很近,容易受到共振破壞,因此請盡可能避免超聲波清洗。
若要進行超聲波清洗,必須事先根據實際使用狀態進行確認。
撞擊
雖然貼片晶振產品在設計階段已經考慮到其耐撞擊性,但如果掉到地板上或者受到過度的撞擊,以防萬一還是要檢查特性后再使用。
裝載
SMD產品
SMD晶體產品支持自動貼裝,但還是請預先基于所使用的搭載機實施搭載測試,確認其對特性沒有影響。 在切斷工序等會導致基板發生翹曲的工序中,請注意避免翹曲影響到產品的特性以及軟焊。 基于超聲波焊接的貼裝以及加工會使得時鐘晶體產品(諧振器、振蕩器、濾波器)內部傳播過大的振動,有可能導致特性老化以及引起不振蕩,因此不推薦使 用。
引線類型產品
當引線彎折、成型以及貼裝到印制電路板時,請注意避免對基座玻璃部分施加壓力。否則有可能導致玻璃出現裂痕,從而引起性能劣化。
保管
保管在高溫多濕的場所可能會導致端子軟焊性的老化。
請在沒有直射陽光,不發生結露的場所保管。ECS晶振CSM-3X,ECS-400-20-3X-EN-TR無源貼片晶振
| Manufacturer Part Number原廠編碼 | Manufacturer廠家 | Series型號 | Frequency | Operating Temperature 工作溫度 | Size / Dimension 尺寸 | Height - Seated (Max)高度 |
| ECS-160-20-3X-TR | ECS晶振 | CSM-3X | 16MHz | -10°C ~ 70°C | 0.276" L x 0.161" W (7.00mm x 4.10mm) | 0.091" (2.30mm) |
| ECS-160-20-3X-TR | ECS晶振 | CSM-3X | 16MHz | -10°C ~ 70°C | 0.276" L x 0.161" W (7.00mm x 4.10mm) | 0.091" (2.30mm) |
| ECS-143-20-3X-TR | ECS晶振 | CSM-3X | 14.31818MHz | -10°C ~ 70°C | 0.276" L x 0.161" W (7.00mm x 4.10mm) | 0.091" (2.30mm) |
| ECS-143-20-3X-TR | ECS晶振 | CSM-3X | 14.31818MHz | -10°C ~ 70°C | 0.276" L x 0.161" W (7.00mm x 4.10mm) | 0.091" (2.30mm) |
| ECS-143-20-3X-TR | ECS晶振 | CSM-3X | 14.31818MHz | -10°C ~ 70°C | 0.276" L x 0.161" W (7.00mm x 4.10mm) | 0.091" (2.30mm) |
| ECS-147.4-20-3X-TR | ECS晶振 | CSM-3X | 14.7456MHz | -10°C ~ 70°C | 0.276" L x 0.161" W (7.00mm x 4.10mm) | 0.091" (2.30mm) |
| ECS-147.4-20-3X-TR | ECS晶振 | CSM-3X | 14.7456MHz | -10°C ~ 70°C | 0.276" L x 0.161" W (7.00mm x 4.10mm) | 0.091" (2.30mm) |
| ECS-147.4-20-3X-TR | ECS石英晶振 | CSM-3X | 14.7456MHz | -10°C ~ 70°C | 0.276" L x 0.161" W (7.00mm x 4.10mm) | 0.091" (2.30mm) |
| ECS-184-20-3X-TR | ECS晶振 | CSM-3X | 18.432MHz | -10°C ~ 70°C | 0.276" L x 0.161" W (7.00mm x 4.10mm) | 0.091" (2.30mm) |
| ECS-184-20-3X-TR | ECS晶振 | CSM-3X | 18.432MHz | -10°C ~ 70°C | 0.276" L x 0.161" W (7.00mm x 4.10mm) | 0.091" (2.30mm) |
| ECS-184-20-3X-TR | ECS晶振 | CSM-3X | 18.432MHz | -10°C ~ 70°C | 0.276" L x 0.161" W (7.00mm x 4.10mm) | 0.091" (2.30mm) |
| ECS-200-20-3X-TR | ECS晶振 | CSM-3X | 20MHz | -10°C ~ 70°C | 0.276" L x 0.161" W (7.00mm x 4.10mm) | 0.091" (2.30mm) |
| ECS-200-20-3X-TR | ECS晶振 | CSM-3X | 20MHz | -10°C ~ 70°C | 0.276" L x 0.161" W (7.00mm x 4.10mm) | 0.091" (2.30mm) |
| ECS-200-20-3X-TR | ECS晶振 | CSM-3X | 20MHz | -10°C ~ 70°C | 0.276" L x 0.161" W (7.00mm x 4.10mm) | 0.091" (2.30mm) |
| ECS-245.7-20-3X-TR | ECS晶振 | CSM-3X | 24.576MHz | -10°C ~ 70°C | 0.276" L x 0.161" W (7.00mm x 4.10mm) | 0.091" (2.30mm) |
| ECS-245.7-20-3X-TR | ECS晶振 | CSM-3X | 24.576MHz | -10°C ~ 70°C | 0.276" L x 0.161" W (7.00mm x 4.10mm) | 0.091" (2.30mm) |
| ECS-245.7-20-3X-TR | ECS晶振 | CSM-3X | 24.576MHz | -10°C ~ 70°C | 0.276" L x 0.161" W (7.00mm x 4.10mm) | 0.091" (2.30mm) |
| ECS-286.3-20-3X-EN-TR | ECS晶振 | CSM-3X | 28.63636MHz | -40°C ~ 85°C | 0.276" L x 0.161" W (7.00mm x 4.10mm) | 0.091" (2.30mm) |
| ECS-286.3-20-3X-EN-TR | ECS晶振 | CSM-3X | 28.63636MHz | -40°C ~ 85°C | 0.276" L x 0.161" W (7.00mm x 4.10mm) | 0.091" (2.30mm) |
| ECS-286.3-20-3X-EN-TR | ECS晶振 | CSM-3X | 28.63636MHz | -40°C ~ 85°C | 0.276" L x 0.161" W (7.00mm x 4.10mm) | 0.091" (2.30mm) |
| ECS-300-20-3X-EN-TR | ECS晶振 | CSM-3X | 30MHz | -40°C ~ 85°C | 0.276" L x 0.161" W (7.00mm x 4.10mm) | 0.091" (2.30mm) |
| ECS-300-20-3X-EN-TR | ECS晶振 | CSM-3X | 30MHz | -40°C ~ 85°C | 0.276" L x 0.161" W (7.00mm x 4.10mm) | 0.091" (2.30mm) |
| ECS-300-20-3X-EN-TR | ECS晶振 | CSM-3X | 30MHz | -40°C ~ 85°C | 0.276" L x 0.161" W (7.00mm x 4.10mm) | 0.091" (2.30mm) |
| ECS-400-20-3X-EN-TR | ECS晶振 | CSM-3X | 40MHz | -40°C ~ 85°C | 0.276" L x 0.161" W (7.00mm x 4.10mm) | 0.091" (2.30mm) |
| ECS-400-20-3X-EN-TR | ECS晶振 | CSM-3X | 40MHz | -40°C ~ 85°C | 0.276" L x 0.161" W (7.00mm x 4.10mm) | 0.091" (2.30mm) |
| ECS-400-20-3X-EN-TR | ECS晶振 | CSM-3X | 40MHz | -40°C ~ 85°C | 0.276" L x 0.161" W (7.00mm x 4.10mm) | 0.091" (2.30mm) |
公司名:深圳市金洛鑫電子有限公司
聯系人:茹紅青
手機:13510569637
電話:0755-27837162
QQ號:657116624
微信公眾號:CITIZENCRYSTAL
搜狐公眾號:晶振石英晶振NDK晶振
郵箱:jinluodz@163.com
地址:深圳市寶安區41區甲岸路19號
相關的產品 / Related Products

- X32-12.000-12-10/20I,Mercury晶振,網絡應用晶振
- X32-12.000-12-10/20I,Mercury晶振,網絡應用晶振,作為臺灣瑪居禮晶振旗下網絡應用專用晶振,X32-12.000-12-10/20I以高頻穩定性與網絡適配性為核心優勢:通過先進的晶體切割與封裝工藝,實現12.000MHz高頻下的低相位噪聲,減少時鐘信號抖動,提升網絡數據傳輸的完整性;±10ppm的常溫頻率容差遠超普通民用晶振,可滿足網絡設備對時鐘精度的嚴苛要求.此外,產品優化了等效串聯電阻(ESR),在高頻工作狀態下仍能保持低信號損耗,適配網絡設備長時間高負載運行,特別適合企業級路由器,數據中心交換機,工業網關等對穩定性要求極高的網絡場景.

- Q8.0-JXG53P4-12-30/50-T1-LF,陶瓷晶振,5032晶體諧振器
- Q8.0-JXG53P4-12-30/50-T1-LF,陶瓷晶振,5032晶體諧振器,具備晶體諧振器功能,核心工作頻率穩定為8.0MHz,專為對時鐘信號有基礎需求且追求成本效益的電子設備設計.產品擁有±30ppm(常溫)與±50ppm(全溫域)的頻率容差,搭配T1型標準引腳配置及LF低功耗特性,無需額外驅動電路即可直接適配多數微控制器(MCU),小家電控制模塊的時鐘輸入接口,簡化硬件設計,廣泛適用于小型家電,消費類電子玩具,普通傳感器等場景.

- Q19.2-JXS32-12-10/20-T1-LF,Jauch無源晶振,3225石英晶振
- Q19.2-JXS32-12-10/20-T1-LF,Jauch無源晶振,3225石英晶振,作為歐美Jauch晶振旗下高穩定性無源晶振產品,Q19.2-JXS32-12-10/20-T1-LF以高精度頻率控制為核心優勢:通過優化的石英晶體切割工藝,實現±10ppm的初始頻率偏差,在-40℃~85℃工業溫域內仍能保持±20ppm的穩定輸出,有效避免溫度波動導致的設備時鐘漂移.同時,3225超小封裝設計滿足小型化設備的布局需求,LF低功耗特性可降低系統整體能耗,特別適合物聯網傳感器,便攜式醫療設備等對穩定性與功耗雙重敏感的應用場景.
JLX-PD
金洛鑫產品系列
PRODUCT LINE
石英晶振
QuartzCrystal
- KDS晶振
- 愛普生晶振
- NDK晶振
- 京瓷晶振
- 精工晶振
- 西鐵城晶振
- 大河晶振
- 村田晶振
- 泰藝晶振
- TXC晶振
- 鴻星晶振
- 希華晶振
- 加高晶振
- 百利通亞陶晶振
- 嘉碩晶振
- 津綻晶振
- 瑪居禮晶振
- 富士晶振
- SMI晶振
- Lihom晶振
- SHINSUNG晶振
- NAKA晶振
- AKER晶振
- NKG晶振
- NJR晶振
- Sunny晶振
貼片晶振
SMDcrystal
- CTS晶振
- 微晶晶振
- 瑞康晶振
- 康納溫菲爾德晶振
- 高利奇晶振
- Jauch晶振
- AbraconCrystal晶振
- 維管晶振
- ECScrystal晶振
- 日蝕晶振
- 拉隆晶振
- 格林雷晶振
- SiTimeCrystal晶振
- IDTcrystal晶振
- PletronicsCrystal晶振
- StatekCrystal晶振
- AEK晶振
- AEL晶振
- Cardinal晶振
- Crystek晶振
- Euroquartz晶振
- Fox晶振
- Frequency晶振
- GEYER晶振
- KVG晶振
- ILSI晶振
- Mmdcomp晶振
- MtronPTI晶振
- QANTEK晶振
- QuartzCom晶振
- Quarztechnik晶振
- Suntsu晶振
- Transko晶振
- Wi2Wi晶振
- ITTI晶振
- Oscilent晶振
- ACT晶振
- Rubyquartz晶振
- MTI-milliren晶振
- PDI晶振
- IQD晶振
- Microchip晶振
- Silicon晶振
- Anderson晶振
- Fortiming晶振
- CORE晶振
- NIPPON晶振
- NIC晶振
- QVS晶振
- Bomar晶振
- Bliley晶振
- GED晶振
- FILTRONETICS晶振
- STD晶振
- Q-Tech晶振
- Wenzel晶振
- NEL晶振
- EM晶振
- PETERMANN晶振
- FCD-Tech晶振
- HEC晶振
- FMI晶振
- Macrobizes晶振
- AXTAL晶振
- ARGO晶振
- 瑞薩renesas晶振
- Skyworks晶振

手機版












