Jauch晶振,石英晶振,MQ1-SMC晶振,彎腳晶振
頻率:0.9216~250MHZ
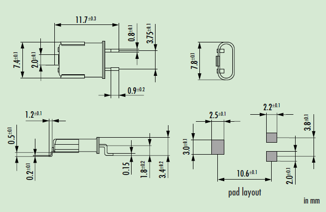
尺寸:11.7*7.4mm
JAUCH晶振工廠、辦公室節能、省資源、資源循環、化學物質的合理管理推動,地球溫暖化防止及循環型社會的實現貢獻。與采購單位、供應商等的客戶合作,溫室效應氣體削減,資源的有效利用,努力對晶振,石英晶振的化學物質的管理強化等。地域社會環境保全活動及生物多樣性保全活動的參加,環境関搭配等的信息積極的公開的事,與社會的交流的知識進一步加深協調進一步的協調。這個環境方針是根據文件等的全體職員以及共同工作的人們。歐美進口插件晶振,大尺寸49U諧振器,MQ1-SMC晶振
1.努力保護全球環境的環保意識進行環保生產和提供產品以及服務給消費者.2.遵守環境法律、法規、條例、規則、協議、和其他需求,努力降低環境影響,防止污染.3.減少能源消耗,開展石英晶振資源節約、資源回收和適當的化學管理工廠和辦公室,導致全球變暖的預防和循環型社會的建立.4.與供應商和其他業務伙伴合作,減少溫室氣體的排放,有效利用資源,加強產品化學物質管理.5.參與社區環境保護和生物多樣性保護項目和主動披露信息有關環保措施與社區加強溝通與和諧.6.分發文件和采取其他措施,以確保所有員工和其他處理組熟悉的環境政策.我們設定環境目標和目標按照這一政策,工作穩步朝著這些目標和目標,評估和審查,并持續改進.

Jauch晶振,石英晶振,MQ1-SMC晶振,彎腳晶振,引腳焊接型石英晶體元件.工廠倉庫長時間大量庫存常用頻點,高精度的頻率和晶振本身更低的等效串聯電阻,常用負載電容.49/S石英晶振,因插件型晶體成本更低和更高的批量生產能力,主要應用于電視,機頂盒,LCDM和游戲機家用常規電器數碼產品等的最佳選擇.符合RoHS/無鉛.
晶振高精密點膠技術:插件晶振晶片膠點的位置、大小:位置準確度以及膠點大小一致性,通過圖像識別及高精密度數字定位系統的運用、使石英晶振晶片的點膠的精度在±0.02mm之內。將被上銀電極的晶片裝在彈簧支架上,點上導電膠,并高溫固化,通過彈簧即可引出電信號。歐美進口插件晶振,大尺寸49U諧振器,MQ1-SMC晶振

|
Jauch晶振 |
單位 |
MQ1-SMC晶振 |
石英晶振基本條件 |
|
標準頻率 |
f_nom |
0.9216~250MHZ |
標準頻率 |
|
儲存溫度 |
T_stg |
-55°C ~ +125°C |
裸存 |
|
激勵功率 |
DL |
500μW Max. |
推薦:500μW |
|
頻率公差 |
f_— l |
±5,±30× 10-6 (標準) |
+25°C 對于超出標準的規格說明, |
|
頻率溫度特征 |
f_tem |
±10±15,±20,±30× 10-6/-20°C ~+70°C |
超出標準的規格請聯系我們. |
|
負載電容 |
CL |
12,32pF |
不同負載要求,請聯系我們. |
|
串聯電阻(ESR) |
R1 |
如下表所示 |
-40°C — +85°C, DL = 100μW |
|
頻率老化 |
f_age |
±3× 10-6 / year Max. |
+25°C,第一年 |

插件型晶振安裝注意事項:• 修改彎曲插件晶振導腳的方法(1) 要修改彎曲的導腳時,以及要取出晶振等情況下不能強制拔出導腳,如果強制地拔出導腳,會引起玻璃的破裂,而導致殼內真空濃度的下降,有可能促使晶振特性的惡化以及晶振芯片的破損(參閱圖 3)。(2) 要修改彎曲的導腳時,要壓住外殼基側的導腳,且從上下方壓住彎曲的部位,再進行修改(參閱圖 4)。Jauch晶振,石英晶振,MQ1-SMC晶振,彎腳晶振
彎曲導腳的方法(1) 將導腳彎曲之后并進行焊接時,導腳DIP晶振上要留下離外殼0.5mm的直線部位。如果不留出導腳的直線部位而將導腳彎曲,有可能導致玻璃的破碎 (參閱圖5 和圖6)。(2) 在導腳焊接完畢之后再將導腳彎曲時,務必請留出大于外殼直徑長度的空閑部分 (參閱圖7)。歐美進口插件晶振,大尺寸49U諧振器,MQ1-SMC晶振
如果直接在外殼部位焊接,會導致殼內真空濃度的下降,使金屬彎腳晶振特性惡化以及晶振芯片的破損。應注意將晶振平放時,不要使之與導腳相碰撞,請放長從外殼部位到線路板為止的導腳長度 (L) ,并使之大于外殼的直徑長度(D)。焊接方法焊接部位僅局限于導腳離開玻璃纖部位 1.0mm 以上的部位,并且請不要對外殼進行焊接。另外,如果利用高溫或長時間對導腳部位進行加熱,會導致晶振特性的惡化以及晶振的破損。因此,請注意對導腳部位的加熱溫度要控制在 300°C 以下,且加熱時間要控制在5秒以內 (外殼的部位的加熱溫度要控制在150°C以下)。
驅動能力:驅動能力說明普通石英晶振振蕩晶體單元所需電功率,其計算公式如下:驅動能力 (P) = i2?Re其中i表示經過晶體單元的電流,Re表示晶體單元的有效電阻,而且 Re=R1(1+Co/CL).Jauch晶振,石英晶振,MQ1-SMC晶振,彎腳晶振
晶體諧振腔的形式模式,但插件音叉表晶泛音振蕩或基波。振蕩開始代替。在基本諧振的情況下(MHz頻段)反饋電阻通常是1米?。在泛音諧振器(兆赫頻帶)的情況下,值取決于IC和頻率特性,但在幾個范圍內。K?-?幾十K。在音叉式諧振器的案例(kHz頻段),需要連接一個電阻10米或更?。限制流入諧振器的電流,調節負電阻和勵磁。電平,防止諧振腔的反常振蕩,抑制頻率波動。C1、C2電容器調節負電阻、勵磁電平和振蕩頻率。還設置有給定負載能力。
適當的控制電阻值(RD)取決于插件型石英晶體諧振器的類型,頻帶和設備的價值。電容器(C1,C2)。精確值是通過測量振蕩電路的特性來確定的(包括負電阻和驅動級)。AT切割諧振器(兆赫頻帶)的參考值在幾個范圍內。?幾K?。音叉式諧振器(kHz頻段)的參考值在100 K?幾K?范圍。安裝電容器的適當值取決于諧振器的類型、頻帶、控制電阻器的值和振蕩的順序,在3 pF的范圍內- 33 pF左右,僅供參考。
此外,振蕩頻率與測量點不同。1。測量緩沖輸出2。振蕩級輸出測量三.通過金屬殼49U晶振電容器測量振蕩級輸出圖5示出以上1-3個測量點和所測量的除緩沖器輸出外,振蕩頻率較低。
公司名:深圳市金洛鑫電子有限公司
聯系人:茹紅青
手機:13510569637
電話:0755-27837162
QQ號:657116624
微信公眾號:CITIZENCRYSTAL
搜狐公眾號:晶振石英晶振NDK晶振
郵箱:jinluodz@163.com
地址:深圳市寶安區41區甲岸路19號
相關的產品 / Related Products

- Jauch晶振,石英晶振,MQ5-SMC晶振,彎腳石英晶振
- 插件石英晶振最適合用于比較低端的電子產品,比如兒童玩具,普通家用電器,即使在汽車電子領域中也能使產品高可靠性的使用.并且可用于安全控制裝置的CPU時鐘信號發生源部分,好比時鐘單片機上的石英晶振,在極端嚴酷的環境條件下,晶振也能正常工作,具有穩定的起振特性,高耐熱性,耐熱循環性和耐振性等的高可靠性能,由于在49/S形晶體諧振器的底部裝了樹脂底座,就可作為產品電氣特性和高可靠性無受損的表面貼片型晶體諧振器使用,滿足無鉛焊接的回流溫度曲線要求.

- Raltron晶振,石英晶振,C-SMD晶振,插件晶振
- 插件石英晶振最適合用于比較低端的電子產品,比如兒童玩具,普通家用電器,即使在汽車電子領域中也能使產品高可靠性的使用.并且可用于安全控制裝置的CPU時鐘信號發生源部分,好比時鐘單片機上的石英晶振,在極端嚴酷的環境條件下,晶振也能正常工作,具有穩定的起振特性,高耐熱性,耐熱循環性和耐振性等的高可靠性能,由于在49/S形晶體諧振器的底部裝了樹脂底座,就可作為產品電氣特性和高可靠性無受損的表面貼片型晶體諧振器使用,滿足無鉛焊接的回流溫度曲線要求.
JLX-PD
金洛鑫產品系列
PRODUCT LINE
石英晶振
QuartzCrystal
- KDS晶振
- 愛普生晶振
- NDK晶振
- 京瓷晶振
- 精工晶振
- 西鐵城晶振
- 大河晶振
- 村田晶振
- 泰藝晶振
- TXC晶振
- 鴻星晶振
- 希華晶振
- 加高晶振
- 百利通亞陶晶振
- 嘉碩晶振
- 津綻晶振
- 瑪居禮晶振
- 富士晶振
- SMI晶振
- Lihom晶振
- SHINSUNG晶振
- NAKA晶振
- AKER晶振
- NKG晶振
- NJR晶振
- Sunny晶振
貼片晶振
SMDcrystal
- CTS晶振
- 微晶晶振
- 瑞康晶振
- 康納溫菲爾德晶振
- 高利奇晶振
- Jauch晶振
- AbraconCrystal晶振
- 維管晶振
- ECScrystal晶振
- 日蝕晶振
- 拉隆晶振
- 格林雷晶振
- SiTimeCrystal晶振
- IDTcrystal晶振
- PletronicsCrystal晶振
- StatekCrystal晶振
- AEK晶振
- AEL晶振
- Cardinal晶振
- Crystek晶振
- Euroquartz晶振
- Fox晶振
- Frequency晶振
- GEYER晶振
- KVG晶振
- ILSI晶振
- Mmdcomp晶振
- MtronPTI晶振
- QANTEK晶振
- QuartzCom晶振
- Quarztechnik晶振
- Suntsu晶振
- Transko晶振
- Wi2Wi晶振
- ITTI晶振
- Oscilent晶振
- ACT晶振
- Rubyquartz晶振
- MTI-milliren晶振
- PDI晶振
- IQD晶振
- Microchip晶振
- Silicon晶振
- Anderson晶振
- Fortiming晶振
- CORE晶振
- NIPPON晶振
- NIC晶振
- QVS晶振
- Bomar晶振
- Bliley晶振
- GED晶振
- FILTRONETICS晶振
- STD晶振
- Q-Tech晶振
- Wenzel晶振
- NEL晶振
- EM晶振
- PETERMANN晶振
- FCD-Tech晶振
- HEC晶振
- FMI晶振
- Macrobizes晶振
- AXTAL晶振
- ARGO晶振
- 瑞薩renesas晶振
- Skyworks晶振

手機版













