泰藝晶振,貼片晶振,XD晶振,石英晶振
頻率:32.768KHZ
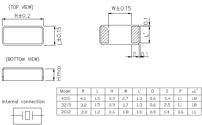
尺寸:4.1*1.5mm
泰藝石英晶振公司自公司成立以來,秉持對環境保護承諾之宣言:『還給后代一個干凈的地球』,所有活動應遵從以下政策:1. 晶振,石英晶振,有源晶振,壓控振蕩器自設計階段至成品完成后之服務即應考察該產品對環境產生之沖擊,避免使用會造成污染之原物料及制程;對污染之防治應從根源解決問題,以《不產生、不使用》為最高指導原則.2.若無法避免需產生或使用時,應管制單位產生量及使用量,做持續性之追蹤管制、改進并制定預防方案或是降低污染量,水電等消耗性(能)資源使用,應從系統研究改善使用效率,以達成節約能源之目標.金屬面2腳石英晶振,32.768KHZ音叉式晶振,XD晶振
近來由于污染排放總量管制受到應有重視,各種污染減量與管理機制的議題已陸續成為主管機關與企業間執行污染防制的重點,而泰藝進口石英晶振公司本身由于受到環保機關污染總量管制,污染物排放量有一定的承諾限值,加上各類相關環保議題的要求,亦訂定與規劃相關減量目標,全力保護有限的地球資源與環境.有鑒于環保意識抬頭,泰藝電子多年來在環保工作上持續努力,期望藉由環境管理、自發且持續的改善,達到改善環境、減少環境沖擊的實質目的.本公司于2002年6月開始推行ISO 14001環境管理系統,持續改善整體環境并有助提高經營績效,同時強化內外銷競爭力與提升公司形象.我們承諾將會持續維護ISO 14001環境管理可能污染環境的因素,善盡社會責任.金屬面2腳石英晶振,32.768KHZ音叉式晶振,XD晶振
泰藝晶振,貼片晶振,XD晶振,石英晶振,32.768K時鐘晶體具有小型,薄型,輕型的貼片晶振表面音叉型晶體諧振器,產品具有優良的耐熱性,耐環境特性,可發揮晶振優良的電氣特性,符合RoHS規定,滿足無鉛焊接的高溫回流溫度曲線要求,金屬外殼的封裝使得產品在封裝時能發揮比陶瓷諧振器外殼更好的耐沖擊性.超小型,薄型,質地輕的表面貼片音叉型晶體諧振器,手機晶體,產品體積小,特別適用于各種小巧的便攜式消費電子數碼產品,在移動通信領域得到了廣泛的應用,晶振產品本身可發揮優良的電氣特性,滿足無鉛焊接的高溫回流溫度曲線要求。
超小型石英貼片晶振晶片的設計:石英晶片的長寬尺寸已要求在±0.002mm內,由于貼片晶振晶片很小導致晶體的各類寄生波(如長度伸縮振動,面切變振動)與主振動(厚度切變振動)的耦合加強,從而造成如若石英晶振晶片的長度或寬度尺寸設計不正確、使得振動強烈耦合導致石英晶振的晶片不能正常工作,從而導致產品在客戶端不能正常使用,晶振的研發及生產超小型石英晶振完成晶片的設計特別是外形尺寸的設計是首要需解決的技術問題,公司在此方面通過理論與實踐相結合,模擬出一整套此石英晶振晶片設計的計算機程序,該程序晶振的晶片外形尺寸已全面應用并取得很好的效果。金屬面2腳石英晶振,32.768KHZ音叉式晶振,XD晶振
|
泰藝晶振規格 |
單位 |
XD晶振 |
石英晶振基本條件 |
|
標準頻率 |
f_nom |
32.768KHz |
標準頻率 |
|
儲存溫度 |
T_stg |
-55°C ~+125°C |
裸存 |
|
工作溫度 |
T_use |
-20°C ~+70°C |
標準溫度 |
|
激勵功率 |
DL |
10μW Max. |
推薦:10μW~300μW |
|
頻率公差 |
f_— l |
±20×10-6 (標準) |
+25°C 對于超出標準的規格說明, |
|
頻率溫度特征 |
f_tem |
±15~±50× 10-6/-40°C ~+85°C |
超出標準的規格請聯系我們. |
|
負載電容 |
CL |
9PF,12.5PF |
超出標準說明,請聯系我們. |
|
串聯電阻(ESR) |
R1 |
如下表所示 |
-40°C~+85°C, DL = 300μW |
|
頻率老化 |
f_age |
±3× 10-6 / year Max. |
+25°C,第一年 |
7-1:機械振動的影響:當無源晶振產品上存在任何給定沖擊或受到周期性機械振動時,比如:壓電揚聲器,壓電蜂鳴器,以及喇叭等,輸出頻率和幅度會受到影響。這種現象對通信器材通信質量有影響。盡管晶振產品設計可最小化這種機械振動的影響,我們推薦事先檢查并按照下列安裝指南進行操作。
7-2:PCB設計指導:(1) 理想情況下,機械蜂鳴器應安裝在一個獨立于晶體器件的PCB板上。如果您安裝在SMD石英晶體同一個PCB板上,最好使用余量或切割PCB。當應用于PCB板本身或PCB板體內部時,機械振動程度有所不同。建議遵照內部板體特性。(2) 在設計時請參考相應的推薦封裝。(3) 在使用焊料助焊劑時,按JIS標準(JIS C 60068-2-20/IEC 60,068-2-20).來使用。(4) 請按JIS標準(JIS Z 3282, Pb 含量 1000ppm, 0.1wt% 或更少)來使用無鉛焊料。存儲事項:(1) 在更高或更低溫度或高濕度環境下長時間保存晶振時,會影響頻率穩定性或焊接性。請在正常溫度和濕度環境下保存這些石英晶體諧振器產品,并在開封后盡可能進行安裝,以免長期儲藏。 正常溫度和濕度: 溫度:+15°C 至 +35°C,濕度 25 % RH 至 85 % RH(請參閱“測試點JIS C 60068-1 / IEC 60068-1的標準條件”章節內容)。 (2) 請仔細處理內外盒與卷帶。外部壓力會導致卷帶受到損壞。
振蕩開始代替。在基本32.768K進口晶體諧振的情況下(MHz頻段)反饋電阻通常是1米?。在泛音諧振器(兆赫頻帶)的情況下,值取決于IC和頻率特性,但在幾個范圍內。K?-?幾十K。在音叉式諧振器的案例(kHz頻段),需要連接一個電阻10米或更?。限制流入諧振器的電流,調節負電阻和勵磁。電平,防止諧振腔的反常振蕩,抑制頻率波動。C1、C2電容器調節負電阻、勵磁電平和振蕩頻率。還設置有給定負載能力。泰藝晶振,貼片晶振,XD晶振,石英晶振
適當的控制電阻值(RD)取決于進口無源石英晶體諧振器的類型,頻帶和設備的價值。電容器(C1,C2)。精確值是通過測量振蕩電路的特性來確定的(包括負電阻和驅動級)。AT切割諧振器(兆赫頻帶)的參考值在幾個范圍內。?幾K?。音叉式諧振器(kHz頻段)的參考值在100 K?幾K?范圍。安裝電容器的適當值取決于諧振器的類型、頻帶、控制電阻器的值和振蕩的順序,在3 pF的范圍內- 33 pF左右,僅供參考。
振蕩補償:除非在二腳貼片石英晶體振蕩電路中提供足夠的負極電阻,否則會增加振蕩啟動時間,或不發生振蕩。為避免該情況發生,請在電路設計時提供足夠的負極電阻。
振蕩電路的檢查方法:振蕩頻率測量:必須盡可能地測量安裝在32.768K無源貼片晶振電路上的諧振器的振蕩頻率的真實值,使用正確的方法。在振蕩頻率的測量中,通常使用探頭和頻率計數器。然而,我們的目標是通過限制測量工具對振蕩電路本身的影響來測量。有三種頻率測量模式,如下面的圖所示(圖)。2, 3和4)。最精確的測量方法是通過使用任何能夠精確測量的頻譜分析儀來實現的。
公司名:深圳市金洛鑫電子有限公司
聯系人:茹紅青
手機:13510569637
電話:0755-27837162
QQ號:657116624
微信公眾號:CITIZENCRYSTAL
搜狐公眾號:晶振石英晶振NDK晶振
郵箱:jinluodz@163.com
地址:深圳市寶安區41區甲岸路19號
相關的產品 / Related Products

- Statek晶振,貼片晶振,CX9SMAT晶振,石英進口晶振
- 智能手機晶振,產品具有高精度超小型的表面貼片型石英晶體振蕩器,最適用于移動通信終端的基準時鐘等移動通信領域.比如智能手機,無線通信,衛星導航,平臺基站等較高端的數碼產品,晶振本身小型,薄型具備各類移動通信的基準時鐘源用頻率,貼片晶振具有優良的電氣特性,耐環境性能適用于移動通信領域,滿足無鉛焊接的高溫回流溫度曲線要求.
JLX-PD
金洛鑫產品系列
PRODUCT LINE
石英晶振
QuartzCrystal
- KDS晶振
- 愛普生晶振
- NDK晶振
- 京瓷晶振
- 精工晶振
- 西鐵城晶振
- 大河晶振
- 村田晶振
- 泰藝晶振
- TXC晶振
- 鴻星晶振
- 希華晶振
- 加高晶振
- 百利通亞陶晶振
- 嘉碩晶振
- 津綻晶振
- 瑪居禮晶振
- 富士晶振
- SMI晶振
- Lihom晶振
- SHINSUNG晶振
- NAKA晶振
- AKER晶振
- NKG晶振
- NJR晶振
- Sunny晶振
貼片晶振
SMDcrystal
- CTS晶振
- 微晶晶振
- 瑞康晶振
- 康納溫菲爾德晶振
- 高利奇晶振
- Jauch晶振
- AbraconCrystal晶振
- 維管晶振
- ECScrystal晶振
- 日蝕晶振
- 拉隆晶振
- 格林雷晶振
- SiTimeCrystal晶振
- IDTcrystal晶振
- PletronicsCrystal晶振
- StatekCrystal晶振
- AEK晶振
- AEL晶振
- Cardinal晶振
- Crystek晶振
- Euroquartz晶振
- Fox晶振
- Frequency晶振
- GEYER晶振
- KVG晶振
- ILSI晶振
- Mmdcomp晶振
- MtronPTI晶振
- QANTEK晶振
- QuartzCom晶振
- Quarztechnik晶振
- Suntsu晶振
- Transko晶振
- Wi2Wi晶振
- ITTI晶振
- Oscilent晶振
- ACT晶振
- Rubyquartz晶振
- MTI-milliren晶振
- PDI晶振
- IQD晶振
- Microchip晶振
- Silicon晶振
- Anderson晶振
- Fortiming晶振
- CORE晶振
- NIPPON晶振
- NIC晶振
- QVS晶振
- Bomar晶振
- Bliley晶振
- GED晶振
- FILTRONETICS晶振
- STD晶振
- Q-Tech晶振
- Wenzel晶振
- NEL晶振
- EM晶振
- PETERMANN晶振
- FCD-Tech晶振
- HEC晶振
- FMI晶振
- Macrobizes晶振
- AXTAL晶振
- ARGO晶振
- 瑞薩renesas晶振
- Skyworks晶振

手機版












