Single crystal crystal oscillator電路設計
40多年前IQD Frequency Products Ltd在英國某個繁華地區成立,是歐洲重要的頻率控制元器件供應商之一,主要研發,設計,生產和銷售石英晶體,石英晶體振蕩器,VCXO壓控振蕩器,TCXO溫補振蕩器,OCXO恒溫振蕩器,GPS模塊恒溫晶振,銣振蕩器等頻率元件。擁有幾十年石英水晶組件生產經驗,可提供樣品開發,電氣測試和篩選,新設計,晶振解決方案,現有樣品供應,技術支持等服務。豐富的相關理論知識,使IQD晶振公司在行業擁有不小的地位,今天為大家介紹下IQD公司單晶體振蕩器的電路。
大多數現代晶體振蕩器電路屬于兩種設計類別之一:Colpitts/Clapp振蕩器和Pierce振蕩器。還有其他類型的單晶體管振蕩器(例如Hartley和Butler),但它們的用途和應用超出了本討論的范圍。對于振蕩的電子電路,必須滿足兩個標準。它必須包含一個具有足夠增益的放大器,以克服反饋網絡(在這種情況下為石英晶體)的損耗,并且整個電路周圍的相移為0°或360°的某個整數倍。要設計一個晶體振蕩器必須是真實的,但有許多其他因素包括晶體功耗,不需要的模式抑制,晶體負載(晶體在振蕩開始時看到的實際阻抗)和非線性的引入在增益中限制振蕩積累。
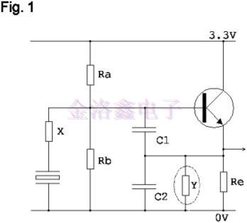
考慮一下圖1中Colpitts/Clapp振蕩器的簡單電路。
如果沒有正確的模擬工具,這個電路在振蕩頻率上具有負電阻(必須超過晶體等效串聯電阻),初始增益超過1(允許振蕩器啟動),一旦下降到統一振蕩開始,然后通過晶體管基極發射極結上的電壓限制或晶體管集電極電流不足來穩定。
標記為X的元件是電抗(電容器和/或電感器),以使石英振蕩器負載電容與所選晶體的電容匹配(串聯,20pF,30pF等)。標記為Y的元件僅用于泛音晶體。它通常是與電容器串聯的電感器。其目的是使C2在您想要抑制的頻率上看起來具有感應性,但在選定的工作泛音頻率下看起來仍然是電容性的。
對于AT切割晶體,通過仔細選擇元件值,可以使該電路從大約1MHz振蕩到200MHz以上,同時完全控制晶體驅動電平和晶體負載阻抗。對于穩定的低噪聲貼片振蕩器,晶體管的選擇至關重要。理想情況下,它將是一個具有低內部電容的高頻,低噪聲晶體管(推薦使用~1至5GHz的Ft)。對于中/高頻振蕩器,嘗試使用BFS17或BFR92。對于低頻振蕩器,2N2369A或BSV52工作良好。不建議使用BC107型晶體管。
Colpitts和Clapp振蕩器是相同設計的變體。在圖1中,Colpitts變體不使用組件X來調整頻率,而是僅依賴于抽頭槽C1和C2。串聯元件X的加入使Colpitts振蕩器成為Clapp振蕩器。Clapp變體是優選的,因為改變C1和C2的值/比率將改變振蕩器特性并可能對振蕩器產生不利影響。
圖2是使用BFS17晶體管制作工作振蕩器的各種頻率下的典型起始值表。晶體負載電容選擇為大約20pF,晶體功耗選擇為大約100μW。所有值都需要優化,以適應實際選擇的晶體,所選晶體管和所需的振蕩器性能(相位噪聲,短期穩定性,輸出電壓電平,晶體驅動電平,晶體負載阻抗等)
Freq,ESR,C0是所選晶體的功能。
Ra,Rb,Re,C1,C2,X是所選擇的電路值。
NegR,Gain是晶體在振蕩開始之前看到的初始條件。
Vout是振蕩穩定后晶體管發射極的預期pk/pk電壓。
Colpitts/Clapp有源晶體振蕩器的輸出通常取自晶體管的發射極,即電路中的最低阻抗點。必須非常注意如何加載這一點,以免反映回振蕩器環路并對振蕩器性能產生不利影響。晶體管發射極上的波形是不是正弦曲線,而是一個典型的0.3V/1Vpk/pk和15%/30%占空比的小圓形“方波”。這是因為循環正弦振蕩器電流在晶體,X,C1,C2環路周圍流動,晶體管每個周期只提供一個“瞬間”電流,以彌補晶體,X,C1,C2環路中的電阻損耗。
不建議從晶體管的基極或晶體兩端獲取電壓,因為這些是非常高的Q電路中的高阻抗點。加載電路中的微小變化將對振蕩器性能產生大的(并且可能是災難性的)影響。
圖3中的皮爾斯振蕩器類似于圖1中的科爾皮茲/克拉普振蕩器,不同之處在于晶振不能以地為參考。它可以通過AT切割晶體從大約1MHz振蕩到200MHz以上,但是具有更易于用于低頻(32kHz)音叉型晶體的附加優點。
圖4是各種頻率下制作工作振蕩器的典型起始值表。與Colpitts/Clapp振蕩器一樣,晶體負載電容選擇為約20pF,晶體功耗選擇為約100μW。同樣,所有值都需要優化以適應實際選擇的晶體,所選擇的晶體管和所需的振蕩器性能。組分X和Y的功能與Colpitts/Clapp振蕩器相同。
Freq,ESR,C0是所選晶體的函數.Ra,Rb,Re,C1,C2,X是所選擇的電路值.NegR,增益是晶體在振蕩開始之前看到的初始條件.Vout是預期的pk/pk振蕩穩定后晶體管發射極的電壓。
電容器C1和C2在設置初始增益,負電阻和晶體驅動電平方面起著重要作用,因此只有在其效果完全理解和可接受時才應用于調整有源晶振頻率。
調諧的更好選擇是使用電抗X.該電抗不需要是單個元件,它可以是電容器,電感器和電阻器的組合,只要它們在感興趣的頻率下提供所需的總電抗。對于機械調諧,部分電抗X可以是可變電容,如圖5所示,或者對于電壓調諧,它可以是變容二極管,如圖6所示。
對于皮爾斯振蕩器,輸出通常取自晶體管集電極,但負載約束和波形形狀仍然是根據Colpitts/Clapp振蕩器。如果振蕩器需要調諧,那么這可以通過改變晶體看到的無功負載來實現。在上述兩種設計中(圖1和圖3),電抗性負載大致為C1,C2和X串聯。
金洛鑫電子是深圳市知名的晶振廠家,和進口晶振代理商,這兩年開始為一些客戶提供IQD晶振產品,擁有快速的訂購通道,完善的售后服務,優惠的價格,使越來越多的客戶,認識并了解到IQD晶振這個英國品牌。金洛鑫電子是專業的石英水晶組件供應商,提供專業的指導,專業的問題回復,專業的方案,只為服務客戶,解決客戶的問題和需求!
相關技術支持
- Mtron為雷達應用提供的射頻組件與解決方案
- Microchip的JANSPowerMOSFET解鎖太空可靠性新高度
- BomarCrystal專注于表面貼裝(SMD)晶體和振蕩器產品的研發與生產
- Pletronics普銳特MEM產品與傳統石英產品的對比分析
- Murata村田實現1608尺寸車載PoC電感器助力設備實現小型化輕量化
- 引領汽車照明革命Diodes智能48通道LED驅動器的技術突破
- Diodes推出的3.3V四通道混合驅動器能夠確保HDMI2.1信號完整性從而實現高分辨率視頻傳輸
- Taitien利用超低抖動VCXO推動5G及更先進技術的發展
- 利用ECS公司的精確計時解決方案來保障數據中心安全
- ECS這款可靠的定時組件為當前和未來的網絡應用提供了出色的性能

手機版














