LV-PECL差分晶振的終端方式
一些采購和工程都知道LV-PECL是差分晶振的輸出方式,卻不知道其中文釋義是低壓正發射極耦合邏輯,看起來似乎有點不好意思,那么閱讀完本篇文章,相信你會對LV-PECL有所了解,Pletronics晶振公司專門針對LV-PECL差分晶振的終止方法,均是通過實驗得出的結論。近幾年來,越來越多的頻率元件制造商研究差分信號輸出的晶體振蕩器,也發現了許多可提升其性能,抖動和壽命的方法,對科技發展有一定的影響,未來采購差分晶體振蕩器的用戶會增加很多。
與許多邏輯系列不同,ECL,PECL和LVPECL晶振不是標準化的。ECL及其衍生物起源于此來自供應商的ECL實施。ECL的原始實施例在地電位下建立了VCC和VEE在-5.2伏特。PECL在功能上與ECL相同,但使用正而非負功率通過將VCC連接到正電源并將VEE連接到地來提供電源電壓。LVPECL僅僅是PECL設計的用于電源電壓低于5v。典型電壓為3.3V,2.5V和1.8V。下列表格提供了Pletronics LVPECL頻率控制設備的典型輸出信號電平。
隨著系統速度的提高,PECL的低峰峰值電壓和差分性質已得到證實對系統架構師非常有吸引力。LVPECL現在被廣泛接受為許多高中的支柱速度,受控阻抗,I/O結構。
傳統上,ECL以其多種形式使用差分雙極輸入級和差分射極跟隨器輸出階段。為了降低功耗,輸出級不包括內部下拉電阻。射極跟隨器輸出級依賴于外部終端網絡來執行拉動下。這是ECL線路接收器門的簡化示意圖。他們的電路結構已被使用。這些實現可以是雙極,CMOS等包括內部有源圖騰柱或無源下拉輸出結構。這些結構提供電流返回路徑,以便在沒有終止網絡的情況下觀察輸出信號。
Pletronics晶振的 LVPECL頻率控制器的輸出結構是一個雙極,差分,射極跟隨器級,沒有內部下拉電阻。因此,終端網絡是必需的要觀察的適當輸出信號。
還必須注意,LVPECL差分輸入需要共模參考電壓。這個電壓名義上為Vcc-2.0V。對于3.3vLVPECL,此共模參考電源為1.3v。額外的力量供應不具吸引力,因此將顯示替代終止方案。
我們不時收到有關為什么一個供應商的PECL設備無需下拉功能的問題終端電阻和另一個供應商的部分沒有。如前所述,ECL及其各種衍生品沒有標準化。因此除了ECL,PECL和LVPECL差分晶體振蕩器衍生物之外,還有許多實現他們的電路結構已被使用。這些實現可以是雙極,CMOS等包括內部有源圖騰柱或無源下拉輸出結構。這些結構提供電流返回路徑,以便在沒有終止網絡的情況下觀察輸出信號。
PECL終止:
LVPECL有許多終端方案,分為兩大類-直流耦合和AC耦合。在這兩個類別中,根據特定電路,還有其他可能性要求。選擇振蕩器時,將選擇電壓以匹配被驅動的電路。在這種情況下,沒有要克服的DC偏移,因此本應用筆記僅涉及最多LVPECL到LVPECLDC耦合的常見實現。
還必須注意,LV-PECL差分晶振輸入需要共模參考電壓。這個電壓名義上為Vcc-2.0V。對于3.3V LVPECL,此共模參考電源為1.3v。額外的力量供應不具吸引力,因此將顯示替代終止方案。
我們不時收到有關為什么一個供應商的PECL設備無需下拉功能的問題終端電阻和另一個供應商的部分沒有。如前所述,ECL及其各種衍生品沒有標準化。因此除了ECL,PECL和LVPECL衍生物之外,還有許多實現他們的電路結構已被使用。這些實現可以是雙極,CMOS等包括內部有源圖騰柱或無源下拉輸出結構。這些結構提供電流返回路徑,以便在沒有終止網絡的情況下觀察輸出信號。
存在參考電壓時終止:
描述了最簡單的差分振蕩器LVPECL終止方案。但是,這種終止方法需要參考驅動柵極輸入端的電源電壓。參考電壓比VCC低2.0v。這增加了復雜性和費用,這可能不適用于僅在選定信號路徑中使用LVPECL的系統。
替代50歐姆終端-3電阻器解決方案:
一種終止LVPECL的替代方法,可以減少一個額外電阻的開銷。兩個50歐姆電阻提供needea信號終端,第三個電阻提供接地路徑以將終端電阻偏置到VΠ。
注意:R2計算為48歐姆,但簡化了材料清單,大多數使用50歐姆使所有三個值相同。
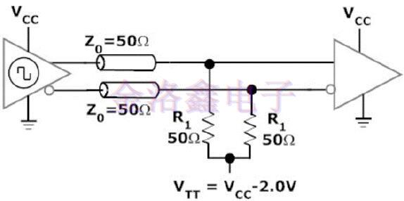
替代50歐姆終端-4電阻器解決方案:
這可能是最常見的LVPECL終止方法。分壓器形成50歐姆其中等效終端,射極跟隨器的DC路徑。
對于LVPECL輸入,輸出和VTT參考偏置低于VCC 2.0v。兩個增加的電阻是一個很小的價格支付以消除額外的參考電源。注意,所示的等式用于計算終止電阻值僅限50個終端。
單電阻接地交流耦合50歐姆終端:
PECL輸出可以驅動50歐姆負載。這是AC耦合到50歐姆負載和VTERM的示例可以設置值以匹配負載的直流偏置點。必須選擇R1以偏置PECL發射器輸出。
推薦的電阻值:
Vcc=3.3V R1=150 ohms
Vcc=2.5V R1=95 ohms
除了LV-PECL之外,LVDS也是差分振蕩器中比較常用的一邏輯輸出,它的全稱叫做低壓差動小型計算機系統接口,其實只要是LV開頭的,甚至上都是表示低電壓了,但現在的市面上的石英晶體振蕩器基本上都是1.8V~5.0V,都屬于低電壓,部分人認為LV-PECL可以直接不用LV,用PECL代替,所以LV-PECL和PECL都是一樣的。
相關技術支持
- Mtron為雷達應用提供的射頻組件與解決方案
- Microchip的JANSPowerMOSFET解鎖太空可靠性新高度
- BomarCrystal專注于表面貼裝(SMD)晶體和振蕩器產品的研發與生產
- Pletronics普銳特MEM產品與傳統石英產品的對比分析
- Murata村田實現1608尺寸車載PoC電感器助力設備實現小型化輕量化
- 引領汽車照明革命Diodes智能48通道LED驅動器的技術突破
- Diodes推出的3.3V四通道混合驅動器能夠確保HDMI2.1信號完整性從而實現高分辨率視頻傳輸
- Taitien利用超低抖動VCXO推動5G及更先進技術的發展
- 利用ECS公司的精確計時解決方案來保障數據中心安全
- ECS這款可靠的定時組件為當前和未來的網絡應用提供了出色的性能

手機版












