ITTI晶振,I308晶振,I308-32.768KHz-12.5晶振
頻率:32.768KHZ
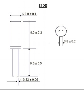
尺寸:3*8mm
ITTI晶振,I308晶振,I308-32.768KHz-12.5晶振,透過深入了解,ITTI晶振通過其科研,品質控制,生產的深入認知及專業見解,ITTI令到每個生產基地都善用資源,而借此提高及供應最優質之產品,透過與生產線人員之緊密聯系,ITTI往往能夠為各位客戶生產其滿意之產品,也正是貫徹ITTI營運作風,無論在品質上,經濟上都絕不遜色世界一級之水平。基于前述之種種優勢,ITTI矢志在石英晶體行業內創出一番新氣象,希望能夠成為閣下最忠誠的廠商。我們致力為客戶生產質優而價廉之產品及提供完善之服務乃是ITTI一貫之宗旨。
ITTI晶振,I308晶振,I308-32.768KHz-12.5晶振,進口插件晶振是一款32768K晶振,適合使用在汽車電子領域中,也是特別要求高的可靠性的引擎控制用CPU的時鐘部分.低頻晶振可從10MHz起對應,小型,薄型具備強防焊裂性,石英晶體在極端嚴酷的環境條件下也能發揮穩定的起振特性,產品本身具有耐熱,耐振,耐撞擊等優良的耐環境特性,滿足無鉛焊接以及高的溫回流溫度曲線要求,符合AEC-Q200標準.
插件石英晶振最適合用于比較低端的電子產品,比如兒童玩具,普通家用電器,即使在汽車電子領域中也能使產品高可靠性的使用.并且可用于安全控制裝置的CPU時鐘信號發生源部分,好比時鐘單片機上的石英晶振,在極端嚴酷的環境條件下,晶振也能正常工作,具有穩定的起振特性,高耐熱性,耐熱循環性和耐振性等的高可靠性能,由于在插件晶振的底部裝了樹脂底座,就可作為產品電氣特性和高可靠性無受損的表面貼片型晶體振蕩器使用,滿足無鉛焊接的回流溫度曲線要求.
| Specification | I308 |
| Frequency Range | 32.768KHz / 25 to 100KHz |
| Tolerance at 25°C | ±5 to ±100ppm |
| Turnover Temperature | +25°C |
| Temperature Coefficient | (-0.035±0.01)ppm/°C² |
| Load Capacitance | 12.5ρF |
| ESR | 35KΩ Max. |
| Aging (First Year) | ±5ppm/year Max. |
| Operating Temperature Range | -20°C to +70°C |
| Storage Temperature Range | -40°C to +85°C |
| Drive Level | 1μW Max. |
焊接和超聲波清洗
晶振的焊接溫度條件是旨在允許同時處理其他電子元件,但取決于產品類型條件可能受到限制。確認使用前的條件。基本上,超聲波清洗助焊劑允許,但在某些情況下,與振蕩共振超聲波清潔器的頻率可能會導致晶體單元的特性惡化。請檢查所有清潔前的條件。
腐蝕性物質的影響
當貼片石英晶振單元接觸鹽或腐蝕性材料或長期暴露于某些物質這可能是氯化物或硫化物氣體等氣氛造成嚴重的缺陷,例如包裝失去其密封性由于腐蝕。選擇粘合劑或灌封時要特別小心用于晶體單元周邊的試劑。
安裝引線安裝型晶體單元
(1)在PC板上安裝一個晶體單元,使其高度單位低于其他部分;這樣可以防止
由于沖擊引起的破損引起的支架式玻璃上方。玻璃破碎可能會影響氣密性密封導致性能下降。
(2)安裝鉛封式晶體單元時使用PC板,PC上的孔之間的距離電路板應該等于端子之間的距離晶體單元安裝。螺距中最輕微的誤差可能會導致玻璃裂縫水晶單元支架的一部分。
(3)安裝引線型晶體單元時,我們建議設備應與PC聯系電路板和焊接方式,以防止疲勞和由于機械共振引起的引線斷裂。ITTI晶振,I308晶振,I308-32.768KHz-12.5晶振
(4)在PC板上安裝貼片晶振后,移動如圖14所示的單元使支架基底玻璃破裂導致特性惡化。別動了這樣的水晶單元。
公司名:深圳市金洛鑫電子有限公司
聯系人:茹紅青
手機:13510569637
電話:0755-27837162
QQ號:657116624
微信公眾號:CITIZENCRYSTAL
搜狐公眾號:晶振石英晶振NDK晶振
郵箱:jinluodz@163.com
地址:深圳市寶安區41區甲岸路19號
相關的產品 / Related Products

- 領先全球的6G信號接收器晶振,進口ILSI晶體,ILCX04-BB3F12-11.0592MHz晶振
- 領先全球的6G信號接收器晶振,進口ILSI晶體,ILCX04-BB3F12-11.0592MHz晶振,美國ILSI晶振,貼片晶振,ILCX04晶振,無源貼片晶振,石英晶振,貼片石英晶體,二腳晶振,插件晶振,歐美晶振,無源晶振,無人機晶振,電車充電槍晶振,石英晶體諧振器,工作溫度-40~85°C,網絡服務器晶振,存儲卡晶振,無線局域網晶振,光纖通道晶振.高品質晶振,進口晶振,艾爾西晶振,進口晶振,7050晶振,智能手機晶振,移動通信終端晶振,基準時鐘晶振,6G手機晶振,無線通信晶振,6G衛星晶振,貼片晶振,體積小,焊接可采用自動貼片系統,產品本身小型,表面貼片晶振,特別適用于有小型化要求的電子數碼產品市場領域,因產品小型,薄型優勢,耐環境特性,包括耐高溫,耐沖擊性等,在移動通信領域得到了廣泛的應用,晶振產品本身可發揮優良的電氣特性,滿足無鉛焊接的高溫回流溫度曲線要求.

- ECS晶振CSM-3X,ECS-400-20-3X-EN-TR無源貼片晶振
ECS晶振CSM-3X,ECS-400-20-3X-EN-TR無源貼片晶振,伊西斯晶振,無源晶振,石英晶體,SMD晶振,石英晶體諧振器,型號CSM-3X,編碼ECS-400-20-3X-EN-TR是一款金屬面貼片型的音叉晶體,采用優異的原料細致打磨而成,并經過層層篩選出來的優良產品,具備高質量低損耗的特點,產品廣泛適合用于物聯網應用,消費電子,醫療保健設備,智能電表,儀表等領域.
ECS-245.7-20-3X-TR普通貼片石英晶振外觀使用金屬材料封裝的,具有高穩定性,高可靠性的石英晶體振蕩器,晶振外觀本身使用金屬封裝,充分的密封性能,可確保其高可靠性,采用編帶包裝,外包裝采用朔膠盤,可在自動貼片機上對應自動貼裝等優勢.

- DST310S數字家電晶振,大真空晶振,TJF080DP1AA003音叉晶體
- 32.768K時鐘晶體具有小型,薄型,輕型的貼片晶振表面音叉型晶體振蕩器,產品具有優良的耐熱性,耐環境特性,可發揮晶振優良的電氣特性,符合RoHS規定,滿足無鉛焊接的高溫回流溫度曲線要求,金屬外殼的封裝使得產品在封裝時能發揮比陶瓷振蕩器外殼更好的耐沖擊性.
JLX-PD
金洛鑫產品系列
PRODUCT LINE
石英晶振
QuartzCrystal
- KDS晶振
- 愛普生晶振
- NDK晶振
- 京瓷晶振
- 精工晶振
- 西鐵城晶振
- 大河晶振
- 村田晶振
- 泰藝晶振
- TXC晶振
- 鴻星晶振
- 希華晶振
- 加高晶振
- 百利通亞陶晶振
- 嘉碩晶振
- 津綻晶振
- 瑪居禮晶振
- 富士晶振
- SMI晶振
- Lihom晶振
- SHINSUNG晶振
- NAKA晶振
- AKER晶振
- NKG晶振
- NJR晶振
- Sunny晶振
貼片晶振
SMDcrystal
- CTS晶振
- 微晶晶振
- 瑞康晶振
- 康納溫菲爾德晶振
- 高利奇晶振
- Jauch晶振
- AbraconCrystal晶振
- 維管晶振
- ECScrystal晶振
- 日蝕晶振
- 拉隆晶振
- 格林雷晶振
- SiTimeCrystal晶振
- IDTcrystal晶振
- PletronicsCrystal晶振
- StatekCrystal晶振
- AEK晶振
- AEL晶振
- Cardinal晶振
- Crystek晶振
- Euroquartz晶振
- Fox晶振
- Frequency晶振
- GEYER晶振
- KVG晶振
- ILSI晶振
- Mmdcomp晶振
- MtronPTI晶振
- QANTEK晶振
- QuartzCom晶振
- Quarztechnik晶振
- Suntsu晶振
- Transko晶振
- Wi2Wi晶振
- ITTI晶振
- Oscilent晶振
- ACT晶振
- Rubyquartz晶振
- MTI-milliren晶振
- PDI晶振
- IQD晶振
- Microchip晶振
- Silicon晶振
- Anderson晶振
- Fortiming晶振
- CORE晶振
- NIPPON晶振
- NIC晶振
- QVS晶振
- Bomar晶振
- Bliley晶振
- GED晶振
- FILTRONETICS晶振
- STD晶振
- Q-Tech晶振
- Wenzel晶振
- NEL晶振
- EM晶振
- PETERMANN晶振
- FCD-Tech晶振
- HEC晶振
- FMI晶振
- Macrobizes晶振
- AXTAL晶振
- ARGO晶振
- 瑞薩renesas晶振
- Skyworks晶振

手機版












