當你正在為晶振品牌而偏頭痛時,然而金洛電子作為日本大真空株式會社,(KDS)品牌的正規代理商,在此告訴你,選擇KDS晶振的品牌是你放心的決策.KDS晶振所有的產品均符合歐盟環保標準,KDS內部采用嚴格的管理制度,以地球環保為理念,所有生產的石英晶振產品都是以盡可能的減少對地球的污染,所以KDS產品都是無鉛環?;?/span>.
KDS晶振,插件石英晶振,DT-26晶振,插件石英晶振最適合用于比較低端的電子產品,比如兒童玩具,普通家用電器,即使在汽車電子領域中也能使產品高可靠性的使用.并且可用于安全控制裝置的CPU時鐘信號發生源部分,好比時鐘單片機上的石英晶振,在極端嚴酷的環境條件下,晶振也能正常工作
|
KDS晶振 |
單位 |
DT-26晶振 |
石英晶振基本條件 |
|
標準頻率 |
f_nom |
32.768KHZ |
標準頻率 |
|
儲存溫度 |
T_stg |
-20°C ~ +70°C |
裸存 |
|
工作溫度 |
T_use |
-10°C ~ +60°C |
標準溫度 |
|
激勵功率 |
DL |
200μW Max. |
推薦:1μW ~ 100μW |
|
頻率公差 |
f_— l |
±50 × 10-6(標準), |
+25°C 對于超出標準的規格說明, |
|
頻率溫度特征 |
f_tem |
±30 × 10-6/-20°C ~ +70°C |
超出標準的規格請聯系我們. |
|
負載電容 |
CL |
12.5pF ~ ∞ |
不同負載要求,請聯系我們. |
|
串聯電阻(ESR) |
R1 |
如下表所示 |
-40°C — +85°C,DL = 100μW |
|
頻率老化 |
f_age |
±5 × 10-6/ year Max. |
+25°C,第一年 |
每個封裝類型的注意事項
(1)陶瓷包裝產品與SON產品
在焊接陶瓷晶振產品和SON產品 (MC-146,RTC-****NB,RX-****NB) 之后,彎曲電路板會因機械應力而導致焊接部分剝落或封裝分裂(開裂)。尤其在焊接這些產品之后進行電路板切割時,務必確保在應力較小的位置布局晶體并采用應力更小的切割方法。
陶瓷包裝產品
在一個不同擴張系數電路板(環氧玻璃)上焊接陶瓷諧振器產品時,在溫度長時間重復變化時可能導致端子焊接部分發生斷裂,請事先檢查焊接特性。
(2)陶瓷封裝產品
在一個不同擴張系數電路板(環氧玻璃)上焊接壓電陶瓷諧振器產品時,在溫度長時間重復變化時可能導致端子焊接部分發生斷裂,請事先檢查焊接特性。
(3)柱面式產品
產品的玻璃部分直接彎曲引腳或用力拉伸引腳會導致在引腳根部發生密封玻璃分裂(開裂),也可能導致氣密性和產品特性受到破壞。當石英水晶振動子產品的引腳需彎曲成下圖所示形狀時,應在這種場景下留出0.5mm的引腳并將其托住,以免發生分裂。當該引腳需修復時,請勿拉伸,托住彎曲部分進行修正。在該密封部分上施加一定壓力,會導致氣密性受到損壞。所以在此處請不要施加壓力。另外,為避負機器共振造成引腳疲勞切斷,建議用粘著劑將產品固在定電路板上。
輸出波形與測試電路
1.時序表
2. 測試條件
(1) 電源電壓
?超過 150µs,直到電壓級別從 0 %達到 90 % 。
?電源電壓阻抗低于電阻 2Ω。
(2) 其他
?輸入電容低于 15 pF
? 5倍頻率范圍或更多測量頻率。
?鉛探頭應盡可能短。
?測量頻率時,探頭阻抗將高于 1MΩ。當波形經過振蕩器的放大器時,可同時進行測量。
(3) 其他
? CL包含探頭電容。
?應使用帶有小的內部阻抗的電表。
?使用微型插槽,以觀察波形。
(請勿使用該探頭的長接地線。)
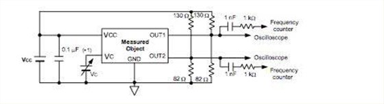
3. 測試電路
TCO-****系列 VG, TG, EG,XG系列 *1 :在頻率電壓控制功能時,進行連接
·
|
(1)CMOS 負載 |
|
|
(2) 抗低,電容負載 |
|
·
|
(3) TTL 負載 |
|
|
(4) LV-PECL 負載 |
|
|
(5)LV-PECL 負載 |
|
|
(6) LV-PECL 負載 |
|
|
(7) LVDS 負載 |
|
|
(8) HCSL 負載 |
|



KDS大真空晶振,DSX211G高精度晶體,1ZZCAA26000AB0晶振
京瓷晶振CT2520DB,CT2520DB26000C0FZZA1水晶振動子
ECS晶振ECS-23G,ECS-120-18-23G-JGN-TR石英水晶振動子
AB-24.576MHZ-B2F-T,24.576MHz,18pf,-20~+70°C
CM1610H32768DZFT-1610mm-32.768KHz-12.5pf
HC-49S進口插件晶振,26MHz,6G光纖通道晶振
QuartzCom晶振,HC-49U石英晶體,16MHz,6G低成本晶振
XCS32-24M000-1E10G18,Fortiming晶振,6G通訊設備晶振
Fortiming晶振|WXC38-32K768-12.5|3*8mm|低成本時鐘晶體
XKC26-76K800-A12.5,Fortiming晶振,圓柱音叉表晶,6G通信設備晶振