SHINSUNG晶振,TF-17S晶振,TF-17S-20-32.768KHz-12.5pF晶振
頻率:32.768KHZ
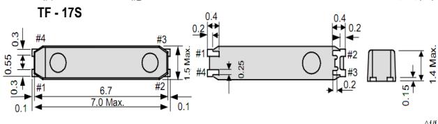
尺寸:7.0*1.5mm
SHINSUNG晶振,TF-17S晶振,TF-17S-20-32.768KHz-12.5pF晶振,SHINSUNG晶振公司自成立以來秉持著專業和敬業的精神,引領著晶體行業的發展,通過自身的實力,推出高性能的SMD無源晶振,有源晶振等產品,以此獲得廣大用戶的稱贊。產品廣泛應用于電子行業,包括電信,微處理器,汽車,儀器儀表和醫療應用。
1999成立Shinsung SAW Electronics Co.
1999年12月開始生產石英晶體和振蕩器(osc,vcxo)
Mar.2001開始開發SMD OSC和Crystal
Jul.2002開始批量生產可編程振蕩器
Aug.2009完成SMD Crystal(3225尺寸)的開發
2009年12月成SMD VCTCXO(5032尺寸)的開發,開始批量生產SMD VCXO(7050,5032尺寸)
2010年1月完成SMD振蕩器(3225尺寸)的開發,開始批量生產SMD晶體(3225尺寸)
2010年4月在800MHz頻段(7050,14x9.6尺寸)完成LVPECL VCXO的開發,開始批量生產SMD振蕩器(3225尺寸),開始批量生產SMD LVPECL振蕩器(7050尺寸)
AUG.2011開始生產SMD VCTCXO(3225尺寸)
Mar.2012成立附屬研究所。

SHINSUNG晶振在新的加工和測試結構設備上的投資確保公司將繼續提供卓越的設計,并提供持續的新產品流,以滿足客戶在當前和未來的需求。我們將繼續追求質量管理,為客戶提供高品質諧振器產品和服務。
SHINSUNG晶振,TF-17S晶振,TF-17S-20-32.768KHz-12.5pF晶振,貼片晶振本身體積小,超薄型石英晶體振蕩器,特別適用于有目前高速發展的高端電子數碼產品,因為晶振本身小型化需求的市場領域,小型,薄型是對應陶瓷振蕩器(偏差大)和普通的石英晶體振蕩器(偏差小)的中間領域的一種性價比較出色的產品.產品廣泛用于筆記本電腦,無線電話,衛星導航SSD,USB,Blu-ray等用途,符合無鉛焊接的高溫回流焊曲線特性.
| type | TF - 17S | REMARK | ||
| frequency range | 32.768 KHz | |||
| frequency stability | ± 10ppm ~ ± 50ppm | at +25℃ ±3℃ | ||
| operating temperature | STD. -10℃ ~ 70℃ / Option : -40℃ ~ 90℃ | -80 ppm / -160 ppm | ||
| temperature coefficient | -0.034 ppm/℃ 2 TYP. / -0.04 ppm/℃ 2 max | typ. | ||
| storage temperature | -40℃ ~ 90℃ | |||
| drive level | 1µw max | |||
| load capacitance | 12.5 pF typ. | 12.5 pF typ. | 12.5 pF typ. | |
| shunt capacitance (Co) | 1.4 pF max | 1.7 pF max | 1.1 pF max | |
| equivalent series resistance | 50 KΩ max | 65 KΩ max | 70 KΩ max | |
| aging | ±3.0ppm max at +25℃ ±3℃ for first year | |||
| insulation resistance | 500MΩ min @ 100V | |||
| All specifications are subject to change without notice | ||||

抗沖擊
SHINSUNG晶振,TF-17S晶振,TF-17S-20-32.768KHz-12.5pF晶振,無源貼片晶振可能會在某些條件下受到損壞。例如從桌上跌落或在貼裝過程中受到沖擊。如果產品已受過沖擊請勿使用。
輻射
暴露于輻射環境會導致石英晶體性能受到損害,因此應避免照射。
化學制劑/pH值環境
請勿在PH值范圍可能導致腐蝕或溶解晶振或包裝材料的環境下使用或儲藏這些產品。
粘合劑
請勿使用可能導致SMD晶振所用的封裝材料,終端,組件,玻璃材料以及氣相沉積材料等受到腐蝕的膠粘劑。 (比如,氯基膠粘劑可能腐蝕一個晶體單元的金屬“蓋”,從而破壞密封質量,降低性能。)
鹵化合物
請勿在鹵素氣體環境下使用貼片晶振。即使少量的鹵素氣體,比如在空氣中的氯氣內或封裝所用金屬部件內,都可能產生腐蝕。同時,請勿使用任何會釋放出鹵素氣體的樹脂。
靜電
過高的靜電可能會損壞石英晶體諧振器,請注意抗靜電條件。請為容器和封裝材料選擇導電材料。在處理的時候,請使用電焊槍和無高電壓泄漏的測量電路,并進行接地操作。
公司名:深圳市金洛鑫電子有限公司
聯系人:茹紅青
手機:13510569637
電話:0755-27837162
QQ號:657116624
微信公眾號:CITIZENCRYSTAL
搜狐公眾號:晶振石英晶振NDK晶振
郵箱:jinluodz@163.com
地址:深圳市寶安區41區甲岸路19號
相關的產品 / Related Products

- ELS13-32.768kHz-T,AEL石英晶體,儀表設備晶振,7015mm諧振器
- ELS13-32.768kHz-T,AEL石英晶體,儀表設備晶振,7015mm諧振器,英國進口晶振,AEL艾爾晶振,型號:ELS13系列,編碼為:ELS13-32.768kHz-T,負載電容:12.5pF,頻率公差:±20ppm,頻率:32.768KHz,工作溫度范圍:-40℃至+85℃,小體積晶振尺寸:7.0x1.5x1.4mm封裝,四腳貼片晶振,7.0*1.5晶振,石英晶振,無源晶振,陶瓷晶振,SMD音叉晶體,石英晶體諧振器,具有超小型晶振,輕薄型晶振,高品質晶振,耐熱及耐環境特點,應用于:通訊設備晶振,儀表設備晶振,數字電子晶振,電視機晶振等應用。

- 泰藝晶振,XN晶振,7015晶振,8038晶振
- 32.768K時鐘晶體具有小型,薄型,輕型的貼片晶振表面音叉型晶體諧振器,產品具有優良的耐熱性,耐環境特性,可發揮晶振優良的電氣特性,符合RoHS規定,滿足無鉛焊接的高溫回流溫度曲線要求.

- Raltron晶振,進口晶振,H14晶振
- 32.768K時鐘晶體具有小型,薄型,輕型的貼片晶振表面音叉型晶體諧振器,產品具有優良的耐熱性,耐環境特性,可發揮晶振優良的電氣特性,符合RoHS規定.
JLX-PD
金洛鑫產品系列
PRODUCT LINE
石英晶振
QuartzCrystal
- KDS晶振
- 愛普生晶振
- NDK晶振
- 京瓷晶振
- 精工晶振
- 西鐵城晶振
- 大河晶振
- 村田晶振
- 泰藝晶振
- TXC晶振
- 鴻星晶振
- 希華晶振
- 加高晶振
- 百利通亞陶晶振
- 嘉碩晶振
- 津綻晶振
- 瑪居禮晶振
- 富士晶振
- SMI晶振
- Lihom晶振
- SHINSUNG晶振
- NAKA晶振
- AKER晶振
- NKG晶振
- NJR晶振
- Sunny晶振
貼片晶振
SMDcrystal
- CTS晶振
- 微晶晶振
- 瑞康晶振
- 康納溫菲爾德晶振
- 高利奇晶振
- Jauch晶振
- AbraconCrystal晶振
- 維管晶振
- ECScrystal晶振
- 日蝕晶振
- 拉隆晶振
- 格林雷晶振
- SiTimeCrystal晶振
- IDTcrystal晶振
- PletronicsCrystal晶振
- StatekCrystal晶振
- AEK晶振
- AEL晶振
- Cardinal晶振
- Crystek晶振
- Euroquartz晶振
- Fox晶振
- Frequency晶振
- GEYER晶振
- KVG晶振
- ILSI晶振
- Mmdcomp晶振
- MtronPTI晶振
- QANTEK晶振
- QuartzCom晶振
- Quarztechnik晶振
- Suntsu晶振
- Transko晶振
- Wi2Wi晶振
- ITTI晶振
- Oscilent晶振
- ACT晶振
- Rubyquartz晶振
- MTI-milliren晶振
- PDI晶振
- IQD晶振
- Microchip晶振
- Silicon晶振
- Anderson晶振
- Fortiming晶振
- CORE晶振
- NIPPON晶振
- NIC晶振
- QVS晶振
- Bomar晶振
- Bliley晶振
- GED晶振
- FILTRONETICS晶振
- STD晶振
- Q-Tech晶振
- Wenzel晶振
- NEL晶振
- EM晶振
- PETERMANN晶振
- FCD-Tech晶振
- HEC晶振
- FMI晶振
- Macrobizes晶振
- AXTAL晶振
- ARGO晶振
- 瑞薩renesas晶振
- Skyworks晶振

手機版













