AT切型石英晶振等效參數及其它性能指標和名詞術語
被發現,改進,使用一百多年了,石英晶振最終成為各行各業生產廠家基本上都會采購的電子元器件,AT切型是石英晶體諧振器最主要的一道工序。大部分國產晶振廠家或者海外的晶體制造商,選用AT切型比BT切型要多,因為可以使晶振的產量加大,而且質量還有保證。
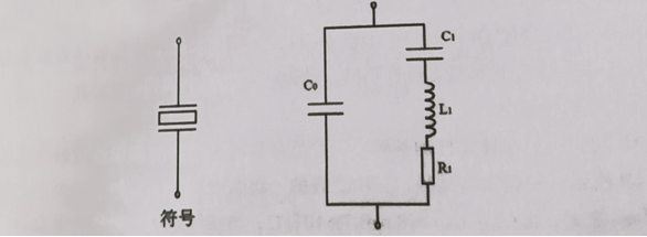
AT切型石英晶振在100MHz頻率以下,它的等效電路如圖3.3.1
圖3.3.1石英晶體元件等效電路
一、石英晶體元件等效電路
它是一個在諧振頻率附近具有與石英晶體元件相阻抗特性的電路。通常用一個電感、電容和電阻做串聯臂,再與石英晶體諧振器兩端電容并聯來表示。串聯電路參數電感、電容和電阻分別以L1、C1、R1表示,并電容(以往叫靜電容)以C0表示。
二、動態電感L1:為等效電路中串聯臂里的電感
由Cady公式給出
式中
p一有電極區的有效密度(Kg/m3);
tF一石英片腐蝕后的厚度(m);
Se一電極面積(m2)
對園電極:Se=丌Φe2/24(m2),Φe=園電極直徑,(m);
對矩形電極:Se =LeWe(m2),Le=電極長度(m),We=電極寬度(m);
e′26一壓電常數(C/m2)=(e14sin?φ1一e11cosφ1)•cosφ1 (3.3.2)
e11=0.173(c/m2),e14=0.040(c/m2);
KL一電感系數=p/(〖e'〗_(26 )^2 ) (H/m);
在實際情況中,電感系數還與晶振晶片的外形尺寸有關,動態電感與泛音次數有關,試驗得出,當頻率較低時,動態電感隨泛音次數的升高而下降;當頻率較高時,則隨泛音的升高而上升。
金洛鑫電子這么多年來,也一直在研究更先進的AT切型技術,自己生產的石英晶振,貼片晶振,插件晶振,32.768K,49S等系列產品,品質均有保證,而且都通過ISO9001,ROHS等認證,所有晶振產品都是正品,全部采用ISO9002質量體系進行生產。
相關技術支持
- Mtron為雷達應用提供的射頻組件與解決方案
- Microchip的JANSPowerMOSFET解鎖太空可靠性新高度
- BomarCrystal專注于表面貼裝(SMD)晶體和振蕩器產品的研發與生產
- Pletronics普銳特MEM產品與傳統石英產品的對比分析
- Murata村田實現1608尺寸車載PoC電感器助力設備實現小型化輕量化
- 引領汽車照明革命Diodes智能48通道LED驅動器的技術突破
- Diodes推出的3.3V四通道混合驅動器能夠確保HDMI2.1信號完整性從而實現高分辨率視頻傳輸
- Taitien利用超低抖動VCXO推動5G及更先進技術的發展
- 利用ECS公司的精確計時解決方案來保障數據中心安全
- ECS這款可靠的定時組件為當前和未來的網絡應用提供了出色的性能

手機版









